Дешифратором называется комбинационная схема, имеющая n входов и 2nвыходов и преобразующая двоичный код на своих входах в унитарный код на выходах. Унитарным называется двоичный код, содержащий одну и только одну единицу, например 00100000. Условно-графическое обозначение дешифратора на три входа приведено на рис. 1.1.

Рис. 1.1. Условно-графическое обозначение трехвходового дешифратора
Номер разряда, в котором устанавливается " 1 " на выходе дешифратора, определяется кодом на его входах. Ниже приведена таблица истинности трехвходового дешифратора (таблица 1.1).
| Таблица 1.1. | ||||||||||
| Входы | Выходы | |||||||||
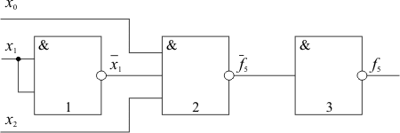
Реализация дешифратора в одноэлементном базисе " Штрих Шеффера " достаточно проста, так как таблица истинности для любого выхода имеет только одну единицу. На рис. 1.2 представлена схема формирования сигнала на одном из выходов дешифратора (сигнал f5 на выходе 5):
|
|
|

Рис. 1.2. Схема формирования сигнала на выходе 5 трехвходового дешифратора
Из представленной схемы видно, что фактически логику преобразования выполняет лишь элемент 2, в то время как элемент 1 служит для получения инверсии сигнала x1, а элемент 3 преобразует полученное на элементе 2 инверсное значение функции в прямое. Многие элементы хранения, например триггерные схемы, позволяют получать сигнал в парафазном коде, то есть имеют два выхода, на одном из которых сигнал имеет прямое, а на другом – инверсное значение. Это позволяет избавиться от элемента 1 в схеме. Если предположить, что значения выходных сигналов имеют инверсный вид по отношению к представленному в табл 1.1, то отпадает необходимость в элементе 3. В большинстве реальных интегральных микросхем реализованы именно дешифраторы с инверсными выходами. Обозначение такого дешифратора показано на рис. 1.3.

Рис. 1.3. Условно-графическое обозначение дешифратора с инверсными выходами
На выходах такого дешифратора образуется унитарный код, содержащий один и только один ноль. Например, если входные сигналы имеют значение 1102=610, то выходы дешифратора, представленного на рис. 1.3, будут находиться в состоянии 10111111, то есть выход 6 будет иметь значение, отличное от остальных выходов.
|
|
|
Дешифраторы широко применяются в различных устройствах компьютеров. Прежде всего, они используются для выбора ячейки запоминающего устройства, к которой производится обращение для записи или считывания информации. При этом часть разрядов адресного кода может дешифрироваться дешифраторами, выполненными в виде отдельных интегральных схем, а другая часть разрядов (обычно младшая) дешифрируется с помощью дешифраторов, встроенных непосредственно в БИС запоминающего устройства. Кроме того, дешифраторы находят применение в устройстве управления для определения выполняемой операции, построения распределителей импульсов и в других блоках.






