В сварочных выпрямителях обычно используют трехфазные схемы выпрямления, которые обеспечивают значительно меньшую пульсацию выпрямленного тока по сравнению с однофазными схемами.
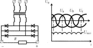
Трехфазная мостовая схема выпрямления Ларионова
В трехфазных выпрямителях блоки из диодов чаще всего выполняют по мостовой схеме. В этом случае пульсация выпрямленного напряжения составляет 300 Гц.

Рис. 3. Трехфазная мостовая схема выпрямления Ларионова (а), фазное и выпрямленное напряжение (б)
Работа схемы: В анодной группе включаются вентили с самым высоким потенциалом фазы, а в катодной наоборот. В любой момент времени открыты вентили, соединенные с фазами с самым большим положительным и с самым большим отрицательным потенциалами. Причем каждый вентиль одной группы в течении трети периода работает поочередно с двумя вентилями другой группы.
В сварочном оборудовании эта схема применяется практически во всех выпрямителях для ручной дуговой сварки с номинальным током до 500А.
Шестифазная схема выпрямления с уравнительным реактором
|
|
|
Для ее реализации трансформатор выпрямителя также должен иметь две одинаковых группы вторичных обмоток, соединенных в звезду, и включенных со сдвигом на половину периода частоты сети. Кроме того, для обеспечения параллельной работы на нагрузку одновременно двух фаз требуется еще уравнительный реактор – симметричный дроссель.
Работа схемы: Для каждой звезды включаются вентили с самым высоким положительным потенциалом фазы аналогично трехфазной нулевой схеме. Без уравнительного реактора получается шестифазное выпрямление с работой каждой фазы и вентиля 1/6 периода.

Рис. 5. Шестифазная схема выпрямления с уравнительным реактором
Такая схема применяется в выпрямителях большой мощности (1000 А и больше) прежде всего при питании низковольтной нагрузки.
Основной недостаток этой схемы выпрямления – для нее требуется более сложный и более дорогой трансформатор, который проектируется с учетом подмагничивания постоянной составляющей тока, а также дополнительный дроссель.