1. Мембранно-пружинный (МИМ)
Нашел широкое распространение благодаря простоте конструкции, низкой стоимости, надежности, способности работать в пожаро- и взрывоопасных условиях. Недостатки: ограниченность расстояния от регулятора до места установки ИУ (обычно до 200 м), низкое быстродействие, низкий класс точности.
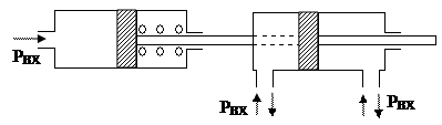
Представляет собой преобразователь давления сжатого воздуха в пропорциональное ему перемещение выходного штока. Величина перемещения зависит от конструкции: l = 6 – 100 мм.
1 – крышка корпуса;
2 – мембрана;
3 – опорный диск;
4 - пружина;
6 – опорная чашка;
7 –чашка;
8 – шток.
Мембрана резиново-тканевая, герметично заделанная между крышками.
Входным сигналом этих ИМ является давление сжатого воздуха Рвх, которое, воздействуя на мембрану, создает усилие
F = Sэф (Рвх – Ро),
где Pвх – управляющее давление,
Ро – начальное давление, при котором создается движение плунжера,
Sэф – эффективная площадь мембраны.
В зависимости от той плоскости, в которую подается давление РВХ, ИМ может быть либо прямого, либо обратного действия. В механизме прямого действия при повышении давления в рабочей плоскости место сочленения выходного штока с регулирующем органом отделяется от места заделки мембраны.
|
|
|
Статическая характеристика должна быть линейной: l*c = FЭФ * Р, где l - перемещение штока; с – жесткость пружины; FЭФ – эффективная площадь (та часть площади, которая воспринимает командный сигнал).
Для уменьшения нелинейности из-за изменения эффективной площади (мембрана растягивается) устанавливается опорный диск, который ограничивает перемещение мембраны и изменяется профиль мембраны (б):
Для варианта б: FЭФ = p/12 (D2 + Dd + d2), где D – диаметр мембраны = (125 – 500)мм, d - диаметр опорного диска.
Из-за непостоянства жесткости пружины (гистерезиса пружины) и из-за наличия усилий трения в сальнике регулирующего органа возникает гистерезис.
Согласно паспортным данным на клапан величина гистерезиса D на должна превышать 2 % от полного хода штока.
Чтобы уменьшить погрешность (примерно до 1,5%) перемещения регулирующего орган используются позиционеры, при этом также увеличивается быстродействие.
2. Поршневой
Применяется, если требуется большой ход выходного элемента (до 500мм) и большое перестановочное усилие (до 5000 Н).
![]() |







