По конструктивному признаку
По виду задающего воздействия
Гидравлические
Пневматические
Достоинства:
ü для управления взрыво- и пожароопасными процессами;
ü относительная дешевизна устройства;
ü простота обслуживания, что требует менее квалифицированного персонала.
Недостатки:
ü ограниченное расстояние в передаче пневматического сигнала;
ü запаздывание в передаче сигнала.
Применяются в чистом виде значительно реже, т.к. расстояние между элементами системы регулирования не превышает 50 м, т.е. они устанавливаются непосредственно около объекта регулирования.
Достоинства:
ü исполнительные механизмы гидравлических регуляторов развивают максимальную мощность при минимальных габаритах и массе;
ü гидравлические исполнительные механизмы обеспечивают высокую точность позиционирования, т.е. перемещении основного элемента исполнительного механизма.
Недостатки:
ü сложность реализации законов регулирования;
ü ограниченный диапазон настроек регулятора;
ü наличие специального источника энергии.
| Стабилизирующие | Программные | Следящие |
| Заданный параметр поддерживается на определенном заданном значении | Регулятор изменяет параметр согласно заранее определенной функции его изменения во времени. | Регулятор, который изменяет регулируемый параметр в соответствии с изменением другой величины, характер изменения которой заранее не известен. |
| Аппаратные | Приборные | Агрегатные | Модульные |
| Регуляторы, работающие в комплекте с датчиками, т.е. имеющие самостоятельную цепь измерения регулируемого параметра | Конструктивно объединены с измерительными приборами и получают от них информацию о величине параметра. У них низкие динамические свойства по сравнению с аппаратными и менее надежны. | Состоят из отдельных унифицированных блоков, выполняющих довольно сложные функции (алгебраические, интегрирующие, дифференцирования) | Набираются из отдельных элементов, выполняющих простейшие функции. Например, пневматическая система элементов УСЭППА или КЭМП. |
Существует 4 поколения развития пневмоавтоматики:
1. Универсальные регуляторы приборного типа (компенсаторы).
2. Регуляторы, реализующие агрегатную структуру по принципу компенсации усилия. Создана агрегатная унифицированная система АУС.
3. Универсальная система элементов промышленной пневмоавтоматики (УСЭППА) и ее развитие комплект миниатюрных элементов и модулей пневмоавтоматики (КЭМП).
4. Струйная техника, где отсутствуют подвижные части (увеличение быстродействия). Но малый уровень помехозащищенности (малый перепад давлений и мощность выходного сигнала).
Распространение получили агрегатные комплексы системы «СТАРТ», «Центр», использующие элементарный и блочно модульный принцип, и построенные на основе системы УСЭППА.
Любое новое устройство пневмоавтоматики собирается путем коммутации пневмоэлементов универсального назначения.
Структурная схема пневматического регулятора
![]() |
ПП – первичный преобразователь;
ЗУ – задающее устройство;
РУ – регулирующее устройство;
ЭС – элемент сравнения;
УМ – усилитель мощности;
ПОЗ – позиционер;
ООС – отрицательная обратная связь.
Для передачи сигнала между блоками регулятора используется унифицированный пневматический сигнал. В качестве ЗУ используются редуктор или ручной регулятор давления, с помощью которого можно замыкать или размыкать мощные пневмолинии.
Математические операции, необходимые для воспроизведения законов регулирования осуществляется с помощью пневматического усилителя и элемента сравнения, хваченных обратной связью положительной или отрицательной.
ИМ характеризуется простотой конструкции, низкой стоимостью, достаточно высокой мощностью, быстродействием. Он представляет собой усилительное звено, поэтому ИМ не изменяет тип закона регулирования, который был сформулирован на РУ.
Для обеспечения максимальной дальности передачи сигнала и большой его мощности, рядом с ИМ устанавливается ПОЗ, который является практически усилителем мощности. Чтобы не было потерь в точности передачи командного сигнала, вводится отрицательная обратная связь по положению выходного элемента ИМ. Сигнал с ПОЗ усиливается по мощности за счет увеличения питания или за счет большого расхода воздуха.
Элементы, на которых строится пневморегулятор, в большинстве своем рассмотрены в элементарных пневматических преобразователях:
ü постоянный дроссель;
ü переменный дроссель;
ü проточная или глухая камеры.
Элементы пневматических устройств предназначены для выполнения различных операций с пневматическими сигналами, однако номенклатура операций ограничена. Поэтому в подавляющем большинстве устройств пневматические сигналы предварительно преобразуют в силу и перемещение, а после этой операции снова в пневматический сигнал (РВХ ® F ® Dl ® P).
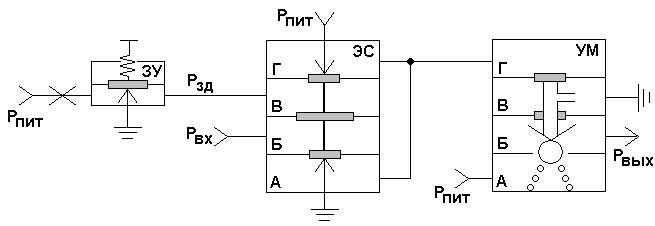
В качестве примера рассмотрим позиционный регулятор ПР1.5

ЭС двухвходовый состоит из четырех камер: Б и В – глухие и А и Б - проточные.
Регулятор реализует 2-х позиционный закон регулирования. На выходе регулятора возможно только два значения 0 (0,02 МПа) или мах (0,1 МПа). Регулятор обрабатывает каждое воздействие, которое необходимо преобразовать в давление. Этот регулятор не имеет настраиваемой зоны возврата, т.к. гистерезис постоянен и обусловлен конструктивными особенностями.
Алгоритм работы регулятора следующий:
DР = РЗД - РВХ

Предназначен ЭС для сравнения двух входных сигналов. На выходе формируется дискретный сигнал (0 или 1). Двухвходовое реле с подпором состоит из четырех камер и блока (3 мембраны, связанные между собой штоком), а также 2 дросселей типа сопло-заслонка. Площадь средней мембраны больше площади крайних. Давление в камерах создает усилие, действующее вдоль оси штока. Если результирующее усилие направлено вертикально, то мембранный блок закрывает подачу давления питания.
Усилитель мощности используется на больших пневмотрассах через каждые 300 м. Усилитель имеет 3 секции, связанные в мембранный блок, который состоит из 2 мембран, равной площади и клапана, обеспечивающего сопротивление потоку воздуха из камеры А в камеру Б и из камеры Б в камеру В. Поскольку площади мембран равны, то давления на входе и выходе усилителя в момент равновесия будут равны.
