Входное устройство содержит резистивный высокоомный делитель напряжения и предварительный усилитель. Высокоомный делитель служит для расширения пределов измерения напряжения. Усилитель постоянного тока обеспечивает повышение чувствительности вольтметра и является усилителем мощности измеряемого напряжения до значения, необходимого для создания необходимого вращающего момента измерительного прибора. УПТ согласует высокое сопротивление делителя напряжения с малым сопротивлением измерительного механизма. К нему предъявляются требования: стабильность коэффициента усиления и малый дрейф выходного напряжения, обусловленного мультипликативной погрешностью. Это достигается применением усилителей, выполненных по мостовой схеме, и использованием отрицательной обратной связи (ООС).
Основными элементами структурной схемы являются входное устройство (Вх. У) усилитель постоянного тока (УПТ) и измерительный прибор магнитоэлектрической системы (ИП).
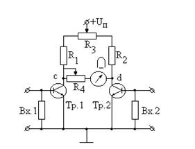
Электронный вольтметр на основе дифференциального усилителя.
Вольтметр основан на использовании мостовой симметричной схемы, образованной сопротивлениями R1 и R2 и транзисторами Тр1 и Тр2 (рис.5.2). Схема имеет два входа, к которым подводятся напряжения Uвх1 и Uвх2. Выходное напряжение усилителя Uвых снимается с коллекторов транзисторов в точках c-d.
![]() |
Рис. 5.2.
Уравнение преобразования дифференциального усилителя, определяющего зависимость выходного сигнала от разности входных сигналов при питании усилителя от источника постоянного напряжения, определяется выражением
Uвых = k (Uвх2-Uвх1), (5.1)
В мостовой балансной схеме вход2 закорачивается на землю (Uвх2=0) и уравнение (5.1) принимает вид
Uвых = k Uвх1 = (R1 / rэ) Uвх1,
где k- коэффициент усиления (k=R1 / rэ ),
rэ - собственное внутреннее сопротивление эмиттера транзистора Тр1.
Так, например, при токе эмиттера транзистора Iэ= 1мА, сопротивлении Rэ= 25 Ом,
R1= 104 Ом коэффициент усиления k=400.
Применяемые в схеме транзисторы выполнены на одном кристалле, что создает для них одинаковый тепловой режим.
Установка прибора на нуль выполняется с помощью потенциометра R3 при закороченном входе 1, а калибровка – с помощью потенциометра R4 и образового напряжения, подключенного ко входу 1 (на схеме не показано).
Мостовая схема позволяет снизить требования к стабильности питающего напряжения, т.к. при его изменении сопротивления плеч моста изменяются одинаково и режим работы не нарушается.
Электронный вольтметр на основе автокомпенсатора постоянного тока.
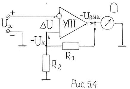
Принцип действия электронного вольтметра (Рис.5.3) основан на автоматическом уравновешивании измеряемого напряжении Ux с компенсационным напряжении Uk. В результате на входе усилителя постоянного тока оказывается приложено напряжение
DU (напряжение недокомпенсации)
DU = Ux – Uk ¹ 0
![]() |
Рис.5.3.
Из рис.5.3 следует:
DU = Ux – Uk; Uвых = k DU; Uk = bUвых
где k - коэффициент усиления основного усилителя,
b - коэффициент передачи цепи обратной связи (b<1).
Uвых = S Ux =
Ux =
Ux (5.2)
где S – коэффициент передачи автокомпенсатора.
Из уравнения (5.2) следует:
- изменение коэффициента k не оказывает существенного влияния на работу автокомпенсатора
- основное влияние на работу автокомпенсатора оказывает коэффициент обратной связи b.
Можно показать, что введение обратной связи в измерительный усилитель приводит к улучшению его метрологических показателей:
- уменьшению погрешности измерения от изменения коэффициента k в (1+bk) раз;
- увеличение входного сопротивления измерительного усилителя в (1+bk) раз.
Пример: Определить изменение коэффициента передачи ΔS и его относительную погрешность δ при изменении коэффициента k с величины k1=106 до k2=105 при β=0,1.
1. Значении коэффициента передачи 
; 
2. Абсолютная погрешность коэффициента передачи

3. Относительная погрешность коэффициента передачи

4. Относительная погрешность коэффициента k
.
На рис.5.4 показана принципиальная схема вольтметра на основе автокомпенсатора постоянного тока.

По такой схеме выполнены вольтметры следующих типов: В2-11, В2-15, В2-21.
Основные технические характеристики вольтметров:
— диапазон измеряемых напряжений – от 0,1 мкВ до 1В.
— входное сопротивление – 108 Ом.
— класс точности 1-1,5.
Электронные вольтметры переменного тока
Электронные вольтметры выполняются по двум структурным схемам (рис. 5.5).

Схема рис.5.5, а состоит из входного устройства (Вх. У), усилителя переменного тока, выпрямителя и измерительного прибора магнитоэлектрической системы. Схема характеризуется высокой чувствительностью, достигаемой непосредственным усилением измеряемого напряжения в сравнительно узком диапазоне частот до 10 МГц. Схема рис.5.5, б состоит из входного устройства (Вх. У), выпрямителя, усилителя постоянного тока и измерительного прибора магнитоэлектрической системы.
Схема характеризуется широким частотным диапазоном до 1000 МГц, определяемого высокими частотными свойствами диода, но низкой чувствительностью, определяемой зоной с слабо выраженными выпрямительными свойствами диода в начале вольт-амперной характеристики.
В зависимости от измеряемого параметра электронные вольтметры переменного тока подразделяются на: пиковые (амплитудные), средневыпрямленные и среднеквадратичные (действующих значений).
Вольтметры пиковых (амплитудных) значений
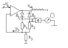
Основным узлом схемы вольтметра является преобразователь, на выходе которого формируется пиковое (амплитудное) значение напряжения, подаваемое на вход преобразователя. Информация о величине пикового напряжения хранится на конденсаторе, который за время одного периода измеряемого напряжения заряжается до амплитудного значения. Таким образом, преобразователь пиковых значений преобразует переменный ток в постоянный и обладает широким частотным диапазоном.
На рис.5.6 приведена схема пикового преобразователя. Схема состоит из диода Д, конденсатора С, разрядного сопротивления Rр, усилителя постоянного тока (УПТ) и измерительного прибора магнитоэлектрической системы (ИП).
Рассмотрим работы работу вольтметра при измерении синусоидального напряжения.

В положительные полупериоды измеряемого напряжения Ux(t) конденсатор С через диода Д заряжается до напряжения Uc = Um (рис.5.7) с постоянный времени заряда

где RВН – внутреннее сопротивление источника питания,
RД – сопротивление диода в открытом состоянии.
Если параметры схемы выбраны так, что Rр>>(RВН + RД), то
.
При уменьшении напряжения на входе схемы произойдёт запирание диода и последует разряд конденсатора через сопротивление Rр. Постоянная времени разряда τР конденсатора выбирается достаточно большой по сравнению с периодом Т измеряемого напряжения τр = RC >> Т.
На рис.5.7 показан ток заряда конденсатора, который протекает в промежутке времени от t1 до t2, когда входное напряжение Ux(t) превышает напряжение на конденсаторе UC.

Среднее напряжение на конденсаторе

оказывается близким к амплитудному значению Um измеряемого синусоидального напряжения. Отношение этих напряжений называется коэффициентом преобразования

а разность этих напряжений представляет собой абсолютную погрешность измерения амплитудного значения напряжения

Погрешность измерения ΔUA можно определить из соотношения

откуда находим
(5.3)
Если известна допустимая погрешность измерения ΔUдоп, определяемая его классом точности, то из (5.3) можно получить выражение для минимальной частоты входного напряжения
(5.4)
Выражение (5.4) справедливо для любой формы напряжения.
При импульсном напряжении прямоугольной формы |————|, напряжение на конденсаторе будет близко к Um при выполнении условий: τз < tи и τр >> T, где tи – длительность импульса.
Если эти условия не выполняются, то среднее значение напряжения Uср на конденсаторе будет отличаться от Um.
Вольтметры средневыпрямленных значений.
Вольтметры этого типа строятся как с однополупериодным, так и с двухполупериодным выпрямлением. На рис. 5.8,а приведена структурная схема вольтметра с однополупериодным выпрямлением, а на рис. 5.8,б временные диаграммы напряжений на входе и выходе диода. С помощью диода
синусоидальное входное напряжение преобразуется в постоянное пульсирующее напряжение в виде положительных полуволн синусоидальной формы. Фильтр
устраняет пульсацию напряжения и после его усиления напряжение поступает на измерительный прибор магнитоэлектрической системы.

Рис. 5.8.
Таким образом, диодный преобразователь преобразует переменное напряжение в постоянный ток, пропорциональный средневыпрямленному напряжению.
При однополупериодном выпрямлении синусоидального напряжения средне выпрямленное значение напряжения будет

при двухполупериодном выпрямлении –
.
Для того, чтобы диодный преобразователь начал работать на линейном участке вольтамперной характеристики необходимо подать на его вход напряжение более
. Таким образом, нижний диапазон измеряемых напряжений составляет величину, близкую к
.
Для обеспечения высокой чувствительности вольтметра необходимо использовать структурную схему, в которой измеряемое переменное напряжение вначале усиливается, а затем с помощью диода преобразовывается в постоянное напряжение.
На рис. 5.9 приведена принципиальная схема вольтметра средневыпрямленных значений с двухполупериодным выпрямлением и отрицательной обратной связью.
![]() |
Рис. 5.9.
Положительная полуволна тока усилителя проходит через диод
и резистор
, а отрицательная полуволна – через диод
и резистор
. Выходное напряжение
, будем иметь форму в виде положительных синусоидальных полуволн, средневыпрямленное значение которого имеет значение
.
Отрицательная обратная связь в схеме, осуществляется подачей напряжения
на инвертирующий вход усилителя.
Введение ООС в схему вольтметра повышает стабильность работы усилителя, уменьшает нелинейность выходной характеристики и улучшает его частотную характеристику. Вольтметры градируются также как и выпрямительные приборы при синусоидальной форме напряжения в действующих значениях. Если форма измеряемого напряжения отличается от синусоидальной, необходимо результаты измерений
пересчитать по формуле
,
где
- действующее значение несинусоидального измеряемого напряжения,
- коэффициент формы измеряемого напряжения,
- коэффициент формы синусоидального напряжения.
По схеме рис. 5.9 построены электронные вольтметры типа В3-38 и В3-41. Диапазон измеряемых напряжений составляет от 0,1мкВ до 300В. Класс точности 2,5 - 4.
В таблице приведены значения коэффициентов амплитуды
и коэффициентов формы
для наиболее употребляемых сигналов.
Таблица.
| Форма сигнала | параметры сигнала | |||
| Средневыпрямленное значение | Среднеквадратичное значение | Коэффициент амплитуды | Коэффициент формы | |
| | | | |
| | | | |
| | | ||
| | | | |
Вольтметры среднеквадратических значений.
![]() |
Вольтметры среднеквадратического значения строятся по структурной схеме, приведенной на рис.5.10. Основным узлом прибора является квадратор, который преобразует переменное напряжение в постоянной ток, пропорциональный среднеквадратичному значению напряжения.
Рис. 5.10.
Таким образом, квадратор должен иметь квадратичную вольтамперную характеристику, при которой ток пропорционален квадрату среднеквадратического значения измеряемого напряжения Ux
i = kUx2(t)
При Ux(t) = Um Sinwt получим
i = kUm2 Sin2 wt = k Um2 [
(1-2 wt)]
Учитывая, что измерительный прибор магнитоэлектрической системы обладает интегрирующими свойствами, он будет реагировать на среднее значение напряжения.
i = I = k
Um2 = k
(
U)2 = kU2..... (5.5)
Выражение 5.5 справедливо для любой формы измеряемого напряжения.
В качестве квадратического преобразователя используются полупроводниковые диоды, диодные цепочки и термопреобразователи.
Полупроводниковый диод как квадратичный преобразователь не нашел широкого применения, т.к рабочий участок его вольтамперной характеристики составляет 0,4 – 0,8В. Кроме того, диод нестабилен в работе и характеризуется низкой взаимозаменяемостью.
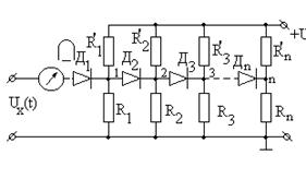
Диодные цепочки формируют квадратичную характеристику за счет сложения начальных участков вольтамперных характеристик нескольких диодов. Схема вольтметра на основе диодной цепочки показана на рис.5.11.
![]() |
Рис.5.11.
Схема вольтметра состоит из измерительного прибора магнитоэлектрической системы и включенного последовательно квадратичного преобразователя. Конденсатор С, шунтирующий измерительный прибор, выполняет функции фильтра, сглаживая пульсации тока. Соотношение сопротивлений делителей напряжений квадратичного преобразователя подобраны так, чтобы напряжения делителей находились в соотношении U1<U2<U3……<Un. Режим работы схемы соответствует однополупериодному выпрямлению.
В исходном состоянии все диоды схемы закрыты.
При подключении схемы к источнику напряжения Ux(t) ток начнет протекать когда откроется диод Д1. Это произойдет при равенстве напряжений Ux и U1 – напряжения первого делителя напряжения
U1 =
+Un
Дальнейшее увеличение напряжения Ux(t) приведет к поочередному подключению остальных делителей напряжения, при этом крутизна вольтамперной характеристики квадратичного преобразователя будет увеличиваться. Таким образом, получается кусочно – линейная аппроксимация квадратичной вольт-амперной характеристики квадратора (рис.5.12).
![]() |












