Приборы для измерения малых перемещений

Методы измерения электрических и неэлектрических величин.

Под линейными величинами понимаются различные геометрические размеры объектов, необходимость в измерении которых встает перед нами (от долей мкм до сотен км).

- использование интерференции лазерного излучения

- использование радиолокации

- методы непосредственного отсчета - используется фазовое соотношение между различными источниками лазерного излучения.

Т.к. диапазон измерения величин достаточно широк, применяют различные методы измерения.

Метрологическое обеспечение линейных и угловых перемещений в настоящее время находится на очень высоком уровне и характеризуется точностью измерений и воспроизведением единицы длины метра и составляет ±5*10Е-9.

Измерение размеров и расстояний производится приборами с преобразователями перемещений. Это реостатные, индуктивные емкостные приборы, которые в свою очередь делятся на аналоговые и цифровые. Цифровые приборы достигают меньшей погрешности измерения. В качестве преобразователей используют также лазерные интерферометры и методы лазерной локации.

Тип прибора Измеряемый размер, мкм Достигнутая погрешность, g, %
Аналоговые: - реостатные - емкостные - индуктивные   10-1¸102 103¸10-3 10-4¸101   ±0.005 ±0.5 ±0.5
Цифровые: - лазерные интерферометры - лазерные дальномеры - цифровые приборы считывания   10-4¸102 10¸107 10-2¸103   ±0.0025 ±0.005 ±0.005

Для измерения угловых размеров наиболее распространены аналоговые приборы с реостативными и индуктивными преобразователями. Погрешность измерения этими приборами достигает 0,5 - 1'. Более высокую точность обеспечивают цифровые приборы с преобразователями считывания (модуляционные опт. диски). Погрешность их измерения от 1'' до 10''. Подобная погрешность обеспечивается индуктосигналами.

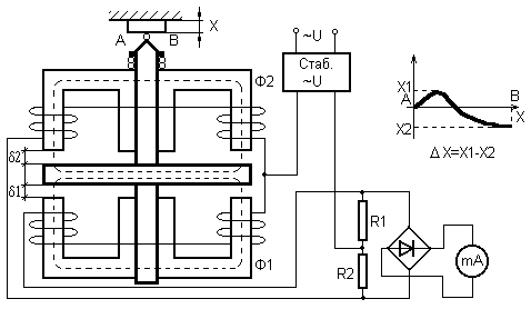
При перемещении наконечника преобразователя по детали происходит линейное перемещение подвижного якоря дифференциального сердечника посредством штыря. Допустим, что якорь перемещается вниз. Сопротивление магнитному потоку Ф1 снижается, а Ф2 - увеличивается за счет изменения воздушного зазора магнитопровода. В результате изменяется индуктивность обмотки.

Таким образом происходит разбалансировка моста и в его диагонали появляется разность потенциалов. Фазовые сдвиги в плечах моста компенсируются равенством соответствующих элементов, поэтому здесь нет устройств (переменных резисторов) установки нуля.

Далее переменное напряжение выпрямляется и подается на магнитоэлектрический амперметр (линейность шкалы и большая чувствительность, чем у электрической системы).

В качестве выпрямительного моста используют точечные диоды, так как они имеют меньший разброс параметров и величину паразитной емкости p-n-перехода Þ сдвиг фаз.





Подборка статей по вашей теме: