Линейные и нелинейные искажения
Характеризуют изменение формы выходного сигнала по отношению к форме входного (ЗАКОНСПЕКТИРОВАТЬ САМОСТОЯТЕЛЬНО).
![]() |
Представляет собой зависимость коэффициента усиления усилителя от частоты. Графически отображается следующим образом:
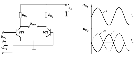
УСИЛИТЕЛИ ПОСТОЯННОГО ТОКА (УПТ)
![]() |
Основой УПТ является дифференциальный каскад, включенный по мостовой схеме. В этом случае достигается снижение дрейфа нуля УПТ, т.е. к ослаблению синфазного сигнала и максимальное усиление дифференциального.
Сигналы 1 и 2 (см. рис.) – дифференциальные сигналы (противофазные), а сигналы 1 и 3 – синфазные сигналы (в фазе).
При дифференциальном сигнале один транзистор открывается, другой – закрывается, и выходной сигнал имеет максимальный размах. При синфазном сигнале (допустим, на базах транзисторов – положительные потенциалы) оба транзистора открыты, на их коллекторах создаётся одинаковое падение напряжения в силу идентичности плеч моста, а выходное напряжение равно 0. От источника питания будет потребляться постоянный ток.








