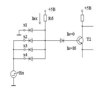
Логический элемент 4И-НЕ типа ТТЛШ
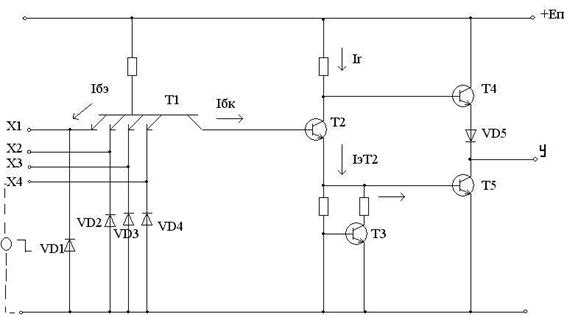
Логический элемент 4И-НЕ типа ТТЛ
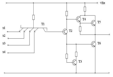
Логические элементы на базе биполярных транзисторных структур



Рисунок 2 – Логический элемент 4И-НЕ типа ТТЛ


Рисунок 3 – Логический элемент 4И-НЕ типа ТТЛШ
| Тип | ТТЛ | ТТЛ | ТТЛШ | ТТЛШ | ТТЛШ |
| Серия | К155 | К134 | К1530 | К555 | К1533 |
| Pсрпотр,мВт | ≤20,0 | ≤2,0 | ≤35 | ≤4 | ≤4 |
| τзд,нс | ≤19,0 | ≤80,0 | ≤5,0 | ≤20,0 | ≤20 |

Pпотр = 25 – 30 мВт, τзд= 0,5 – 3 нс (серия 1500).
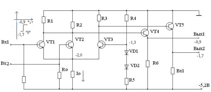
| Вх2 | Вх1 | Вых1/ ИЛИ-НЕ | Вых2/ ИЛИ |
| 1 (-0,9) | 0 (-1,7) |
Рисунок 4 – Логический элемент с выходами ИЛИ-НЕ/ ИЛИ типа ЭСЛ
3.4 Интегрально-инжекционная логика (И2Л)
3.4.1 Принцип действия И2Л

| U1 | U2 | Iб3 | Iб4 | Iвых | Uвых |
Рисунок 5 – Логический элемент ИЛИ-НЕ типа И2Л
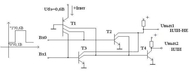
3.4.2 Элемент ИЛИ-НЕ /ИЛИ на основе И2Л

| Вх1 | Вх0 | Вых1 | Вых2 |
Рисунок 6 – Логический элемент ИЛИ-НЕ/ИЛИ типа И2Л
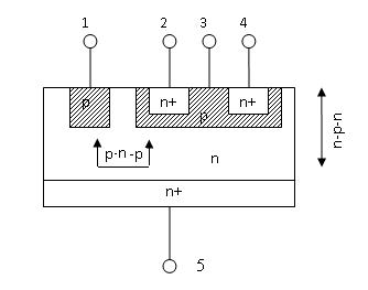
3.4.3 Топологическое исполнение элемента И2Л на кристалле.


а) срез топологии б) эквивалентная схема
Рисунок 7 – Логический элемент типа И2Л






