Логические элементы на базе МОП -транзисторов


а) б)
Рисунок 2 – Логические элементы ИЛИ-НЕ (а) и И-НЕ (б) на МОП-транзисторах n-типа
Pпотр = 0,1 – 1,5 мВт, τзд= 1 – 100 нс

а) б)
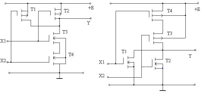
Рисунок 3 – Логические элементы И-НЕ (а) и ИЛИ-НЕ (б) на КМОП-транзисторах
Pстатпотр = 100 мВт, Pдинампотр = 1 - 5 мВт, τзд= 10 – 100 нс
5.1 Элементы типа ТТЛ, ЭСЛ, И2Л, n-МОП и p-МОП, К-МОП: преимущества и недостатки.
| Серия | Тип | tвкл зд ,нс | Pпотр, мВт |
| ТТЛ | ≤19 ≤80 | ≤20 ≤2 | |
| ТТЛШ | К531 | ≤5 | ≤35 |
| ТТЛШ | К555 | ||
| КМОП | К561 | 0,7 – стат режим 1-5 – динам режим | |
| ЭСЛ | 0,5-3 | 25-30 | |
| n-МОП | 1-100 | 0,1-1,5 – динам режим |






