Принцип глубокого ввода заключается в максимальном приближении понижающих подстанций 35/0,4, 35/6-10 или 110/6-20 кВ к потребителям, что позволяет снизить на 20 – 40% затраты на распределительные сети 6-20 кВ.
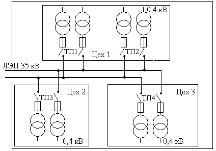
На рис.9.3 приведена схема с цеховыми подстанциями глубокого ввода 35/0,4 кв, питающимися отпайками от воздушных ЛЭП 35 кВ. Распределение электроэнергии по территории предприятия производится двумя параллельными магистральными ЛЭП 35 кВ, сеть 6-10 кВ отсутствует. Недостатком этой схемы является необходимость выделения коридора для ЛЭП на стесненной территории предприятия.
На рис.9.4 изображена радиальная схема питания подстанций глубокого ввода (ПГВ) 110-220/6-10 кВ, максимально приближенных к цехам. ПГВ питаются кабельными линиями от шин 110-220 кВ подстанции энергосистемы или заводской

Рис.9.3. Схема глубокого ввода с п/ст 35/0,4 кВ
ТЭЦ, которые наглухо (без защитной и коммутационной аппаратуры) присоединены к первичным обмоткам трансформаторов. В случае внутреннего повреждения трансформатора релейная защита посылает по контрольному кабелю команду на отключение («отключающий импульс») на выключатель в голове линии.

Рис. 9.4. Радиальная схема питания ПГВ.
На рис.9.5 приведена схема питания ПГВ от магистральных воздушных ЛЭП 110-220 кВ. ПГВ выполнены по упрощенной схеме- без выключателей на стороне высшего напряжения, с короткозамыкателями (КЗ) и отделителями (ОД). В нормальном режиме трансформаторы ПГВ работают раздельно, секционный выключатель Q5 отключен. При повреждении внутри трансформатора Т1 защита, установленная на выключателе Q1 может не сработать, но защита трансформатора подает команду на включение короткозамыкателя и Q1 отключается. Во время паузы АПВ отключается отделитель, затем АПВ включает выключатель Q1 и питание первой ЛЭП восстанавливается. АВР на стороне 6-10 кВ, обнаружив исчезновение питания первой секции, отключает Q3 и затем включает Q5, подавая на нее питание от трансформатора Т2.

Рис.9.5. Магистральная схема питания ПГВ.
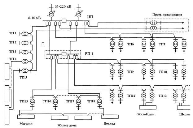
Принцип построения распределительных сетей 6-10 кВ выбирается применительно к основной массе ЭП с учетом требуемого уровня надежности электроснабжения. Пример схемы электроснабжения города приведена на рис.9.6. Источником питания города является главная понизительная подстанция с двумя трансформаторами 110(220)/10(6) кВ.
Целесообразность сооружения РП (распределительный пункт) 10(6) кВ, (на рис 9.6 – РП1), должна обосновываться технико-экономическим расчетом. Нагрузка РП на расчетный срок должна составлять на шинах 10 кВ не менее 7 МВт, на шинах 6 кВ – не менее 4 МВт.
Распределительные пункты 10(6) кВ, как правило, выполняют с одной секционированной системой сборных шин с питанием по взаиморезервируемым линиям, подключенным к разным секциям (в данном примере РП1 питается двумя радиальными линиями с шин10(6) кВ центра питания ЦП. На секционном выключателе обычно предусматривается устройство АВР.
Двухтрансформаторная подстанция 10(6)/0,4 кВ небольшого промышленного предприятия (рис.9.6) питается также двумя радиальными линиями. шин ЦП. Со стороны 10(6) кВ трансформаторы могут иметь «глухое присоединение» (что не позволит питать два трансформатора по одной линии) или там можно предусмотреть распредустройство 10(6) кВ (что потребует определенных затрат).
Однотрансформаторные подстанции ТП1 – ТП5 и ТП15 – ТП18 питаются по схеме, называемой «одиночная магистраль с двусторонним питанием» или «петлевая схема», которые в нормальном режиме работают разомкнутыми в точке токораздела. Такие схемы применяются лишь для питания потребителей третьей и (редко) – второй категории.
Основным принципом построения распределительной сети 10(6) кВ для электроснабжения ЭП первой категории является радиальная двухлучевая схема и схема «двойной магистрали» с односторонним (ТП9 -ТП11) или с двухсторонним питанием (ТП12 – ТП14, питающиеся от РП1 и РП2) при условии подключения взаимно резервирующих линий 10(6) кВ к разным независимым источникам питания. При этом на шинах 0,38 кВ двухтрансформаторных ТП предусматривается АВР.


Рис.9.6. Пример схемы электроснабжения города.