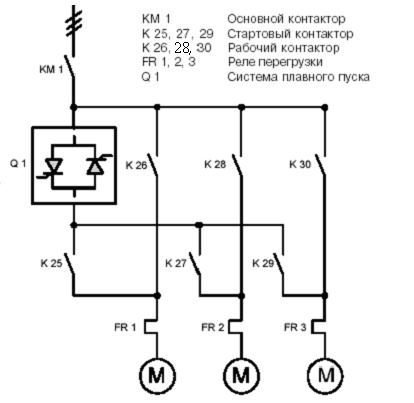
Последовательный пуск нескольких электродвигателей

Рис.10. Последовательный пуск нескольких двигателей от одного УПП.
Включение в линию Это самый простой и широко применяемыйспособ включения системы плавного пуска.Все три фазы соединяются последовательночерез реле перегрузки, главный контактор иостальные устройства используются, какпоказано на рис. 11а.Устройства, выбранные для включения влинию, должны выдерживать номинальныйток двигателя.
Пример: Для мотора на 100 A требуется система плавного пуска на 100 A, основной контактор на 100 A и т. д.
Включение в треугольник (рис.11б)позволяетупростить замену ранее установленногоустройства пуска переключением звезда треугольник. Когда система плавного пуска включена в треугольник, через нее протекает только 58% (1/√3) линейного тока. За счет этого можно использовать менее мощные устройства, чтобы снизить стоимость системы.
Пример: Для мотора на 100 A требуется система плавного пуска на 58 A.
Электродвигатель должен иметь открытую схему (шесть выводов) и соединение треугольником при нормальной работе.

Рис.11. Два способа включения тиристоров: а) в линию, б) в треугольник.






