Шины.
Шины предназначены для передачи данных между узлами ЦВМ. Передача информации происходит побитово. Передача может быть параллельной или последовательной.
Шины подразделяются на управляемые и неуправляемые.
Неуправляемая шина – это просто набор проводников, по каждому из которых проходит один бит информации.
Управляемые шины представляют собой набор проводников в комплекте со схемой управления. Схемы управления могут быть представлены:
- простой комбинационной схемой (шинными формирователями);
- мультиплексором (в таком случае шины называются мультиплексированными);
- контроллером шин.
Рассмотрим пример применения шин внутри операционного автомата (ОА).
Пусть общая структура ОА включает следующие основные узлы:
- регистры памяти;
- набор комбинационных схем для выполнения одноместных и двуместных операций по обработке информации.
Шины также делятся на:
- локальные, для передачи операндов от регистров памяти к комбинационным схемам, эти шины называются – шины операндов;
|
|
|
- глобальные, для передачи операндов обработки информации от комбинационных схем в регистры памяти для временного хранения, кроме того, через эти шины поступают входные данные в регистры памяти. Такие шины называются еще – шины результатов или шины обратной связи.
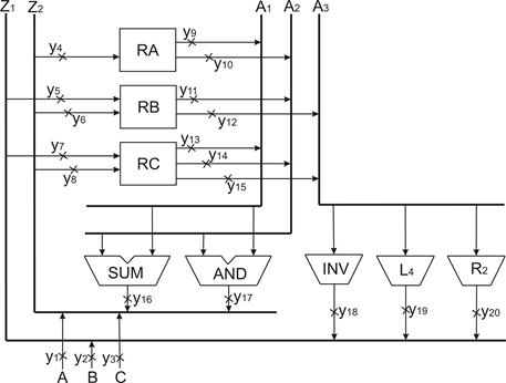
Рассмотрим структуру операционного автомата с параллельной комбинационной частью, т.е. когда одноместные и двуместные операции выполняются параллельно.
Пример структурной схемы ОА с параллельной комбинационной частью.

В данной схеме по А – предусмотрены следующие операции:
- двухместные (суммирование (SUM), логическое умножение (AND));
- одноместные (инверсия (INV), умножение на 16 (L4), деление на 4 (R2)).
A1 и A2 – шины операндов двухместной части,
A2 – шина операндов одноместной части.
На шины Z1 и Z2 поступают также внешние данные А,В,С.
Каждая стрелка обозначает выполнение одного элементарного действия (микрооперации), которая выполняется только наличии специального разрешающего сигнала yi.
Составим формулу для синтеза схемы шинного формирователя А3 (формула составляется для i-го бита):

Для А2 и А1 формулы составляются аналогично.
Формула для шины Z2:
, для Z1 аналогично.
Схемы сравнения вычисляют значение отношения двух двоичных величин. Значение может быть true(1) и false(0).
Схемы сравнения предназначены для реализации логических условий в микропрограммах. Результаты сравнения могут быть использованы как осведомительные (входные) сигналы для УА.
Например:

Простейшее сравнение – это равенство/неравенство (A=B, A≠B).
A=B à функция равнозначности (
) à 
|
|
|
A≠B à функция неравнозначности (XOR) à 
Сравнение чисел выполняется побитово, начиная со старших разрядов.
Для сравнения чисел необходимо и достаточно выполнить:
-
, для равнозначности необходимо выполнить сравнение по всем разрядам и определить значение произведения результатов.
-
, для неравнозначности, выполнять сравнение результатов поразрядного сравнения, до получения одного положительного результата.
Пример. Сравнить [a1 a2]=[b1 b2].


Реализация функции R в инверсном базисе:

Сравнение чисел на >,<.
Такое сравнение можно выполнить с использованием вычитателя (сумматора) и определить знак разности (A-B), если знак «0», то A≥B, если знак «1», то A<B. Следующим шагом нужно выполнить уточняющее сравнение A = B.
Очевидно, что этот процесс занимает достаточно большое время.
Проще использовать специальную комбинационную схему сравнения. Определим функцию, на основании которой строится схема.
| ai | bi | yi |
yi – результат A>B в i-м бите. Общая функция:

Сравним числа длиной 4 бита (побитно, начиная со старших разрядов).

Логическая схема имеет вид:

Схемы сравнения с «0» и «1» будут проще, т.к. в выражении некоторые термы сократятся. В общем случае схема сравнения с константой тоже будет проще по тем же причинам.
Нестрогие неравенства: A≥B, A≤B выполняются путем комбинации рассмотренных приемов:


Пример. A<B, B=1001
| ai | bi | yi |

Сравним числа длиной 4 бита (побитно, начиная со старших разрядов).

Логическая схема имеет вид:
