Глава 1. НАЗНАЧЕНИЕ, ПРИНЦИП ДЕЙСТВИЯ И УСТРОЙСТВО СУДОВЫХ ПАРОВЫХ КОТЛОВ
ПРЕДИСЛОВИЕ
ВВЕДЕНИЕ
Садеков, М.Х.
С
УДК.
Судовые паровые котлы
Кафедра эксплуатации судовых энергетических установок
М.Х. Садеков
Конспект лекций
по дисциплине «Судовое вспомогательное энергетическое оборудование (судовые вспомогательные механизмы, систем и устройства)» для студентов специальности 18.04.03
«Эксплуатация судовых энергетических установок»
Нижний Новгород
Издательство ФГОУ ВПО «ВГАВТ»
Рецензенты:
Судовые паровые котлы: конспект лекций для студентов специальности 18.04.03 «Эксплуатация судовых энергетических установок» / М.Х. Садеков. – Н. Новгород: Изд-во ФГОУ ВПО «ВГАВТ», 2008. – с.
Представлена сжатая информация по дисциплине «Судовое вспомогательное энергетическое оборудование (судовые вспомогательные механизмы, системы и устройства)». Рассмотрен состав, назначение конструкции судовых устройств, а также их техническая эксплуатация.
Конспект лекций предназначен для студентов специальности 18.04.03 «Эксплуатация судовых энергетических установок» очного и заочного обучения.
Работа рекомендована к изданию кафедрой «Эксплуатации судовых энергетических установок» (протокол № от..08 г.).
© ФГОУ ВПО «ВГАВТ», 2008
В учебнике изложены основы теории и проектирования судовых паровых котлов, проанализированы физические процессы, происходящие в котле. Приведены схемы основных типов паровых котлов, конструкции их элементов и узлов. Даны основы теплового, гидравлического и прочностного расчетов паровых котлов, а также сведения об их испытаниях и эксплуатации.
Предназначен для учащихся судостроительных техникумов.
Намеченное решениями XXVII съезда КПСС развитие морского флота связано с обновлением и совершенствованием его состава, оснащением его высокопроизводительными экономичными судами. Экономические показатели транспортного судна существенно зависят от установленной на нем энергетической установки, обеспечивающей движение судна и снабжение необходимой энергией всех судовых потребителей. Затраты на изготовление и монтаж судовой энергетической установки (СЭУ) составляют 20–35% строительной стоимости судна, а затраты на ее эксплуатацию – 35–50% стоимости эксплуатации всего судна. Поэтому интенсификация работы СЭУ, экономия топлива и других энергетических и материальных ресурсов представляет собой важную народнохозяйственную задачу, в решении которой большая роль отводится совершенствованию котельных установок (КУ), входящих в состав различных СЭУ.
В учебном плане судостроительных техникумов курс «Судовые паровые котлы» является одним из первых среди специальных дисциплин, формирующих техников по судовым машинам и установкам. Учебник написан в соответствии с программой этого курса для специальности «Судовые машины и механизмы». Изучению данного курса предшествует освоение учащимися ряда общетехнических дисциплин, в числе которых «Высшая математика», «Физика», «Химия», «Техническая механика», «Техническая термодинамика и теплотехника».
В методике теплового расчета вспомогательного котла использованы материалы нормативного метода теплового расчета котельных агрегатов, разработанного Центральным котлотурбинным институтом им. И.И. Ползунова и Всесоюзным теплотехническим институтом им. Ф.Э. Дзержинского.
Главы 1, 6, 7 и 8 написаны Б.В. Сударевым, гл. 2, 3 и 4 – Д.И. Волковым, гл. 5 – Д.И. Волковым и Г.И. Дмитриевым.
Отзывы и пожелания просьба направлять в издательство «Судостроение» по адресу: 191065, г. Ленинград, ул. Гоголя, 8.
Паровой котел служит для производства влажного или перегретого водяного пара при давлении, превышающем атмосферное. Температура выходящего из котла влажного пара равна температуре насыщения, а температура перегретого пара может быть значительно больше температуры насыщения.
Водяной пар на судне предназначен для различных целей. Например, в главных паросиловых установках он необходим для работы главных тепловых двигателей – паровых турбин, а также для нагревания воды, топлива и других сред в различных теплообменных аппаратах. На судах с дизельными и газотурбинными установками пар нужен турбогенераторам, вырабатывающим электроэнергию, а также для обогревания жилых помещений. Кроме того, пар необходим для хозяйственных нужд (камбуза и др.), для технологических установок по переработке рыбы и других продуктов моря. Водяной пар в паровом котле образуется в результате подвода теплоты к воде. Источником теплоты служат продукты сгорания органического топлива (дымовые газы).
Принципиальная схема котла показана на рис. 1.1, а, общий вид котлов разных типов – на рис. 1.1, б, в, г. Паровой котел (ПК) состоит из топки I и ряда рекуперативных теплообменников, расположенных за топкой: пароперегревателя II, испарителя III, водоподогревателя (экономайзера) IV и воздухоподогревателя V. В этих теплообменниках горячая среда (дымовые газы) отделена от холодной (пар, вода, воздух) непроницаемой твердой стенкой, то есть среды, обменивающиеся теплотой, не смешиваются друг с другом.
Назначение теплообменников следует из их названий: пароперегреватель – для перегрева пара, испаритель – для превращения воды в пар, экономайзер – для подогрева воды, а воздухоподогреватель – для подогрева воздуха. Испаритель представляет собой основную поверхность нагрева ПК, а теплообменники II, IV, V – дополнительную. Основную поверхность нагрева имеют все котлы. Она может быть скомпонована совместно с топкой (Рис. 1.1, б, в). Дополнительная поверхность нагрева у ряда котлов может частично (Рис. 1.1, б, г) или полностью отсутствовать (Рис. 1.1, в). Котлы, использующие теплоту отработавших газов дизелей и газотурбинных двигателей (ГТД), могут не иметь топки (Рис. 1.1, г).
Рис. 1.1. Принципиальная схема парового котла (а) и общий вид главного (б), вспомогательного (в) и утилизационного (г) котлов
В – воздух; Т – топливо; ДГ – дымовые газы; ПП – перегретый пар;
НП – насыщенный пар; ПВ – питательная вода
|
У паровых котлов можно выделить два независимых тракта: газовоздушный и пароводяной. Температура дымовых газов при движении через теплообменники II – V газовоздушного тракта снижается. Стрелками внутри теплообменников показано, что часть теплоты от газов в каждом из них отводится к нагреваемой среде, температура (энтальпия) которой при этом увеличивается.
На рис. 1.2 в координатах
(s – удельная энтропия, Дж/(кг∙К); Т – абсолютная температура, К) изображен термодинамический цикл паротурбинной установки (ПТУ). Нижняя (х = 0, где х – степень сухости) и верхняя (х = 1) пограничные кривые соответствуют состояниям насыщения кипящей воды и сухого водяного пара при различных давлениях. Изобарный процесс 1–2–3–4 (
;
) реализуется в пароводяном тракте котла. Он состоит из более простых процессов: подогрева питательной воды до состояния, близкого к состоянию насыщения при давлении в котле (линия 1–2); подогрева воды до кипения и образования влажного насыщенного пара, степень сухости которого близка к единице (линия 2–3); подсушки и перегрева пара (линия 3–4).
Рис. 1.2. Термодинамический цикл паротурбинной установки
|
Процессы превращения воды в перегретый пар происходят соответственно в экономайзере (линия 1–2), в испарительной поверхности нагрева (линия 2–3) и в пароперегревателе (линия 3–4) ПК.
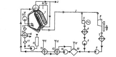
Паровой котел – основной элемент судового энергетического комплекса, упрощенная схема которого приведена на рис. 1.3. Весь комплекс можно условно разделить на две установки: турбинную (машинную) и котельную. В состав турбинной установки входят главный турбозубчатый агрегат (ГТЗА) 5 и вспомогательные турбоагрегаты (турбогенераторы) 4, главный 7 и вспомогательный 6 конденсаторы и обслуживающие их системы (на рис. 1.3 не показаны).
Котельная установка включает паровой котел 1 и обеспечивающие его работу системы:
– питательную, состоящую из подогревателей питательной воды (ППВ) 10, 13, 14, питательного насоса 12. трубопроводов 11 от паровых магистралей, конденсатных насосов 8, 9, измерительных приборов и арматуры;
– паровую, предназначенную для отвода пара потребителям по трубопроводам 2, 3 с арматурой и контрольно-измерительными приборами;
– топливную, состоящую из расходных цистерн 16, топливного насоса 15, топливных фильтров 17, подогревателя топлива 18, трубопроводов с измерительными приборами и арматурой;
– газовоздушную, включающую газоход 20, дымовую трубу (на схеме непоказана), вентилятор 19 с воздухоприемником, воздушные коробы и др.
Рис. 1.3. Принципиальная схема судового паротурбинного
энергетического комплекса
|
Котельная установка оснащена также системами автоматического регулирования подачи воды, топлива и воздуха в котел, водоподготовки, дистанционного управления и защиты ПК, которые на схеме не показаны. Бóльшая часть пара поступает в главный турбозубчатый агрегат 5, остальная направляется к вспомогательному турбоагрегату 4.
Отработавший в турбине ГТЗА 5 пар поступает в главный конденсатор 7, где конденсируется и насосом 8 в виде конденсата (воды) нагнетается в ППВ 10. Сюда же насосом 9 подается конденсат от вспомогательного конденсатора 6, а также греющий пар (стрелки на трубопроводах 11) от отборов турбины ГТЗА 5. Вода в ППВ 10 смешивается с паром и нагревается до температуры кипения. Растворенные в ней газы удаляются в атмосферу, то есть смесительный подогреватель 10 служит также деаэратором питательной воды. Из подогревателя-деаэратора 10 питательным насосом 12 вода нагнетается в паровой котел 1 (через ППВ 13 и 14, обогреваемые паром из отборов турбины ГТЗА 5). Здесь теплота, выделившаяся при сжигании органического топлива, передается от дымовых газов к воде и пару. Топливо в топку котла 1 подается из расходной цистерны 16 насосом 15 через фильтры 17 и подогреватель топлива 18. Туда же вентилятором 19 из атмосферы подается воздух, а образующиеся при сгорании топлива дымовые газы отводятся (стрелка 20) в дымовую трубу.
Цикл ПТУ, изображенный на рис. 1.2, включает в себя процессы, происходящие не только в ПК, но и в других элементах СЭУ: 4 – 5 – адиабатное расширение пара в турбине; 5 – 6 – изобарно-изотермический процесс конденсации пара в конденсаторе; 6 – 7 – адиабатный процесс в насосах; 7 – 1 – изобарный процесс подогрева питательной воды в ППВ.
Термодинамическая эффективность цикла ПТУ в значительной степени зависит от параметров пара, производимого котлом.
Рис. 1.1. Принципиальная схема парового котла (а) и общий вид главного (б), вспомогательного (в) и утилизационного (г) котлов
В – воздух; Т – топливо; ДГ – дымовые газы; ПП – перегретый пар;
НП – насыщенный пар; ПВ – питательная вода
Рис. 1.2. Термодинамический цикл паротурбинной установки
Рис. 1.3. Принципиальная схема судового паротурбинного
энергетического комплекса