Регуляторы напряжения

Существует два ос­новных типа регуляторов напряже­ния: линейные и импульсные. Клас­сический линейный регулятор - это устройство, стабилизирующее напряжение на нагрузке и не позво­ляющее добиться выходного напря­жения, превышающего входное. Его классическая схема рассмотрена в теме 10.6 (рис. 89). Для большинства инте­гральных линейных регуляторов типовое внутреннее падение напря­жения составляет порядка 2 В. Это означает, что для получения на вы­ходе такого регулятора напряжения 5 В на его входе должно быть не ме­нее 7 В. Следствием достаточно большого падения напряжения па элементах линейного регулятора является их низкий КПД. Ещё одной серьёзной проблемой линейных регуляторов является вы­сокая вероятность выхода из строя проходного транзистора.

Современные импульсные регуля­торы практически избавлены от пе­речисленных недостатков и поэтому получили широкое распростране­ние. В отличие от линейных регулято­ров, чьи силовые элементы постоян­но находятся в открытом состоянии, в импульсных силовой элемент рабо­тает в дискретном (ключевом) режи­ме.

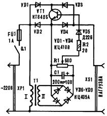
На рисунке 92 изображен линейный регулятор для плавной регулировки сетевого напряжения. С помощью таких устройств можно управлять яркостью свечения ламп, температурой электронагревательных приборов, частотой вращения электродвигателей.

Устройство имеет следующие параметры: диапазон регулировки напряжения от 0 до 218 В, максимальная мощность нагрузки при использовании в регулирующей цепи одного транзистора - не более 100 Вт.

Регулирующий элемент прибора - транзистор VT1. Диодный блок VD1-VD4 в зависимости от фазы сетевого тока направляет его на коллектор или эмиттер VT1. Трансформатор Т1 понижает напряжение 220 В до 5-8 В, которое выпрямляется диодным блоком VD6 - VD9 и сглаживается конденсатором С1. Переменный резистор R1 служит для регулировки величины управляющего напряжения, а резистор R2 ограничивает ток базы транзистора. Диод VD5 защищает VT1 от попадания на его базу напряжения отрицательной полярности. Устройство подсоединяется к сети вилкой ХР1. Розетка XS1 служит для подключения нагрузки.

Регулятор действует следующим образом. После включения питания тумблером Q1 сетевое напряжение поступает одновременно на диоды VD1, VD2 и первичную обмотку трансформатора Т1. При этом выпрямитель, состоящий из диодного блока VD6-VD9, конденсатора С1 и переменного резистора R1, формирует управляющее напряжение, которое поступает на базу транзистора и открывает его. Если в момент включения регулятора в сети оказалось напряжение отрицательной полярности, ток нагрузки протекает по цепи VD2 - эмиттер-коллектор VT1-VD3. Если полярность сетевого напряжения положительная, ток протекает по цепи VD1 - коллектор-эмиттер VT1-VD4. Значение тока нагрузки зависит от величины управляющего напряжения на базе VT1. Вращая движок R1, и изменяя значение управляющего напряжения, управляют величиной тока коллектора VT1. Этот ток, а следовательно, и ток, протекающий в нагрузке, будет тем больше, чем выше уровень управляющего напряжения, и наоборот. При крайнем правом по схеме положении движка переменного резистора транзистор окажется полностью открыт и "доза" электроэнергии, потребляемая нагрузкой, будет соответствовать номинальной величине. Если движок R1 переместить в крайнее левое положение, VT1 окажется запертым и ток через нагрузку не потечет.

Рисунок 92 – Схема регулятора сетевого напряжения

Структурная схема импульсного преобразователя приведена па ри­сунке 93. Наиболее часто применяе­мый принцип работы - широтно-импульсная модуляция (Pulse Width Modulation, PWM). В импульсных регуляторах, построенных по данному принципу, выходное напряжение пропорцио­нально скважности импульсов, зада­ваемой блоком PWM.

Одно из основных следствий ра­боты в ключевом режиме - малое выделение энергии в виде тепла и, следовательно, потенциально высокий КПД подобных устройств. Габа­риты конструкции напрямую зави­сят от рабочей частоты инвертора. Чем она выше, тем меньшей индук­тивности требуется дроссель и меньшей ёмкости - выходной кон­денсатор, а значит, эти наиболее громоздкие элементы будут ком­пактнее.

Рисунок 93 – Структура импульсного преобразователя





Подборка статей по вашей теме: