Система цветного телевидения NTSC была разработана в США в 1950–1953 гг. Национальным Комитетом Телевизионных Систем (National Television System Committee) и утверждена в стране как национальный стандарт. Позднее система NTSC была принята в качестве стандарта в Канаде, в большинстве стран американского континента, в Японии, Корее, Тайване и некоторых других странах.
В качестве сигналов в системе NTSC передаются яркостный и два цветоразностных сигнала. Передача цветоразностных сигналов осуществляется в спектре яркостного на одной цветовой поднесущей частоте fS (рисунок 5.8).

Рис. 5.8. Спектр сигнала изображения системы NTSC
Напряжение поднесущей частоты, промодулированное цветоразностными сигналами, называется сигналом цветности. Сумма сигналов яркости
и сигнала цветности US образует полный цветовой сигнал U п. Для того, чтобы модулировать двумя цветоразностными сигналами одну поднесущую частоту, применён метод квадратурной амплитудной модуляции. Сущность его заключается в суммировании двух напряжений поднесущей частоты
, промодулированных каждым из цветоразностных сигналов, в отдельных амплитудных модуляторах (рисунок 5.9). Поднесущая частота на модуляторы поступает в квадратуре, т.е. с фазовым сдвигом 90°. Полученный в результате сложения сигнал цветности оказывается промодулированным не только по амплитуде, но и по фазе.

Рис. 5.9. Упрощенная структурная схема кодирующего устройства
Действительно, амплитуда сигнала цветности:
(5.1)
а фазовый сдвиг φ вектора US относительно одного из колебаний 
, (5.2)
где в свою очередь
определяются модулирующими цветоразностными сигналами
.
В системе NTSC используются не обычные амплитудные модуляторы, а балансные, которые, подавляя саму поднесущую, оставляют только боковые составляющие спектра. Балансная модуляция имеет определённые преимущества перед обычной амплитудной модуляцией (рисунок 5.10). При одном и том же по сравнению с обычной модуляцией размахе модулирующих сигналов балансная модуляция формирует, как минимум, в два раза меньший по амплитуде сигнал цветности, что снижает её заметность на экране чёрно-белого телевизора, для которого сигнал цветности следует рассматривать как помеху. Таким образом, улучшается совместимость систем чёрно-белого и цветного телевидения. В свою очередь, качество совместимости ещё больше повышается при передаче неокрашенных или слабо окрашенных деталей изображения. В этих случаях цветоразностные (модулирующие) сигналы равны нулю или невелики по амплитуде и на выходе балансных модуляторов сигнал также устремляется к нулю.
а)
б) 
Рис. 5.10. а) амплитудная модуляция
б) балансная модуляция
В цветном приёмнике системы NTSC из принятого сигнала цветности US должны быть выделены его квадратурные составляющие для получения исходных цветоразностных сигналов
. Поскольку
то разделение сигналов можно представить как операции проецирования вектора US на две ортогональные оси, совпадающие с осями модуляции.
Задачу в таком представлении можно решить с помощью синхронного детектора. При синхронном детектировании осуществляется перемножение двух сигналов, подаваемых на вход детектора. Если одним из этих сигналов будет принятый телевизионным приёмником сигнал цветности US, а другим – так называемое опорное напряжение U оп, представляющее колебание поднесущей частоты fS с начальной фазой φ=0, то напряжение на выходе детектора U вых будет равно:
, (5.3)
где U оп–амплитуда указанного выше опорного напряжения.
Используя известное тригонометрическое соотношение

получаем
.
Полагая амплитуду опорного напряжения постоянной и поставив на выходе синхронного детектора фильтр нижних частот, исключающий второй член в правой части равенства, убедимся, что задача выделения одной их квадратурных составляющих решена:
,
где k–коэффициент пропорциональности.
Если же в качестве опорного напряжения на синхронный детектор подать напряжение
, то
,
т.е. будет выделена вторая квадратурная составляющая.
Таким образом, устройство для разделения квадратурных составляющих должно состоять из двух синхронных детекторов и генератора опорной поднесущей частоты, синхронизированного по частоте и фазе с передающим генератором. Однако такой информации не содержится в принимаемом ТВ сигнале, так как при балансной модуляции сама поднесущая подавлена, а боковые частоты являются продуктом модуляции, зависящим от передаваемого цвета (а значит, с фазовыми сдвигами, отличающимися от немодулированного значения fS).
Чтобы генератор опорной поднесущей fS в приёмнике мог работать с заданной на телецентре фазой, его синхронизируют специальным сигналом, называемым сигналом цветовой синхронизации. Он передаётся в интервале обратного хода строчной развёртки на площадке строчного гасящего импульса (СГИ) за строчным синхронизирующим импульсом (ССИ) и представляет собой пакет колебаний цветовой поднесущей из 8…10 периодов (рисунок 5.11). Этот пакет называется также цветовой вспышкой. Частота колебаний вспышки равна fS, фаза равна 180° (вектор колебаний пакета совпадает с отрицательным направлением оси B–Y). Пакет передаётся во всех строках развёртки, кроме интервала длительностью 9Н (Н – длительность одной строки), в котором передаются уравнивающие импульсы и кадровые синхроимпульсы (на кадровом гасящем импульсе). Интервалы между вспышками равны H.

Рис. 5.11. Сигнал вспышка
Таким образом, при квадратурной модуляции амплитуда результирующего цветового сигнала характеризует насыщенность цвета, а фаза –цветовой тон. Векторы цветности могут быть наглядно представлены графически на диаграмме цветов в полярной системе координат (рисунок 5.12)

Рис. 5.12. Диаграмма цветов в полярной системе координат
При выборе частоты цветовой поднесущей fS необходимо выполнять следующие условия.
1. Для снижения заметности на изображении в чёрно-белом телевизоре помехи от сигнала цветности US частота цветовой поднесущей fS должна быть по возможности высокой, так как в этом случае структура рисунка от помехи будет мельче, а, следовательно, и менее заметной. С другой стороны, значение fS должна быть существенно меньше максимальной частоты fmax в спектре яркостного сигнала
, чтобы выполнялось требование профессиональной совместимости систем, т.е. чтобы полный цветовой сигнал размещался в полосе стандартного цветового сигнала. Разность (fmax–fS) определяет максимальную ширину боковой полосы сигнала цветности, а значит, и максимально возможную ширину спектра цветоразностных сигналов. Как показала практика, эта величина не может быть меньше 0,6 МГц, так как иначе на цветном изображении в приёмнике появятся заметные цветные окантовки на вертикальных границах между различными цветами. Поскольку в американском стандарте fmax =4,18 МГц, то fS должна быть не менее 3,58 МГц.
2. С той же целью уменьшения заметности рисунка на экране чёрно-белого телевизора, получаемого от воздействия на него поднесущей, её частота fS жёстко связывается с частотой развёртки изображения. При этом данная связь подчиняется соотношению:
, (5.4)
где n – целое число,
– частота строк. Тогда на интервале одной, например первой, строки укладывается целое число периодов цветовой поднесущей и ещё половина периода. Поэтому в следующей нечётной строке фаза сигнала изменится на противоположную, и так далее от строки к строке. В результате яркостной модуляции под действием цветовой поднесущей на экране телевизора возникнет сетка тёмных и светлых штрихов, расположенных в шахматном порядке.
Поскольку в кадре содержится нечётное число строк, при передаче следующего кадра полярность сигнала в соответствующих строках изменится на противоположную. Глаз вследствие инерционности зрительного аппарата будет усреднять эту картину. Таким образом, за счёт компенсации от строки к строке и от кадра к кадру сигнал цветовой поднесущей на экране телевизора будет мало заметен, причём тем меньше, чем мельче структура сетки.
Так как спектр сигнала яркости
дискретный и периодический, то в промежутки между его гармониками можно разместить гармоники сигнала цветности, который также является дискретным и периодическим. При выполнении условия (5.4) спектральные составляющие сигнала цветности располагаются точно посередине. Происходит так называемое перемежение (переплетение) частотных спектров сигналов яркости и цветности (рисунок 5.13), что в принципе даёт возможность с большой точностью разделять эти два сигнала в приёмном устройстве.

Рис. 5.13.Частотный спектр сигналов яркости и цветности
3. Помехи на изображении из-за присутствия в спектре полного ТВ-сигнала поднесущей частоты могут возникнуть также из-за биений между поднесущей частотой сигнала цветности и второй промежуточной частотой звукового сопровождения. Для уменьшения заметности помех её частоту, равную разности частот поднесущей fS и второй промежуточной частоты звука
по тем же соображениям, что были изложены в предыдущем пункте, также делают равной нечётной гармонике полустрочной частоты:
, (5.5)
где k – целое число. Из (5.3) и (5.4) следует, что
.
Заменив fS его значением из (5.4), получим:
. (5.6)
Таким образом, требование (1.5) обязательно влечёт за собой требование (1.6). Но
в любой вещательной системе телевидения определяется разносом несущих частот изображения и звука, и (1.6) можно записать как
, (5.7)
где m – целое число.
В стандарте США на чёрно-белое телевидение, в отличие от любого из европейских стандартов, это условие не выполнялось. В США в чёрно-белом телевидении
=4,5 МГц;
=15750 Гц. Таким образом, их соотношение составляло величину 285,714. Для выполнения условия (5.7) это соотношение необходимо было округлить до ближайшего целого числа, т.е. до 286, что заставило разработчиков системы NTSC изменить частоты развёрток соответственно на 0,1%:
=15734,27 Гц,
=59,94 Гц (вместо 60 Гц). Такое незначительное, но принципиальное изменение частот развёрток в цветной системе не потребовало переделывать генераторы развёрток чёрно-белых телевизоров, поскольку указанные новые значения частот развёрток заведомо находятся в полосе захвата синхронизируемых ими генераторов развёрток телевизора.
4. Множитель (2n+1) в (5.4) должен состоять из сомножителей, по возможности малых, чтобы облегчить достижение устойчивого деления частоты при получении в синхрогенераторе частоты строк
из частоты задающего генератора, вырабатывающего частоту fS. Оптимальным оказалось число (2n+1) =455 (13x7x5), что и обусловило выбор частоты поднесущей
МГц. Стандартом предусмотрена допустимая нестабильность этого значения не более 0,0003%, т.е. не хуже 10 Гц.
Цветоразностные сигналы EI и EQ
В системе NTSC в её окончательном варианте были применены в качестве сигналов цветности не сигналы
, а производные от них – сигналы
и
. Целесообразность перехода к этим сигналам объясняется тем, что для мелких предметов наше зрение дихроматично (двухцветно). Дихроматизм при нормальном зрении имеет место для предметов, которые при наблюдении имеют размер 12–20 угловых минут. При наблюдении предметов таких размеров зрительная система человека не различает разницы между синим и зелёным, красным и пурпурным цветами. Все цветовые оттенки воспринимаются как смесь оранжевого и голубого цветов. По мере дальнейшего уменьшения деталей глаз перестаёт различать цвет, и мы видим мелкие детали как чёрно-белые. Если на нерезкую границу перехода от одного цвета к другому наложить резкий перепад яркости, то глаз увидит чёткий переход от одного цвета к другому.
Применительно к телевидению из этого вытекают следующие выводы. Детали телевизионного изображения с размером 10–22 угловых минут, можно передавать в ограниченной цветовой гамме, соответствующей смеси оранжевых и голубых цветов. Исключение из передачи мелких цветных деталей не должно заметно отразиться на резкости цветовых переходов, если яркостные переходы воспроизводятся ТВ-системой резко.
Проведённые эксперименты показали, что все три сигнала должны передаваться ТВ-системой в полосе частот до 0,5 МГц. В полосе частот от 0,5 МГц до 1,5 МГц необходимо передавать цветовые сигналы, соответствующие смеси оранжевого и голубого цветов. В полосе частот от 1,5 МГц до максимальной частоты спектра можно передавать один бесцветный яркостный сигнал.
Применение новых квадратурных составляющих позволяет осуществить передачу цветного изображения следующим образом. Сигнал яркости передаётся в полной полосе частот. Сигнал цветности
передаётся в полосе частот до 1,5 МГц, а сигнал
в полосе до 0,5 МГц. В промежутке частот от 0,5 до 1,5 МГц передаются только два сигнала
и
обеспечивающие воспроизведение оранжево-красных и сине-зелёных цветовых оттенков. Переход от сигналов
к сигналам
позволяет несколько улучшить параметры системы, поскольку уменьшаются помехи со стороны сигналов цветности в яркостном канале и появляется возможность несколько повысить частоту поднесущей.
Применение сигналов EI и EQ, занимающих меньшую полосу частот в спектре яркостного сигнала, вместо обычных цветоразностных сигналов оказалось целесообразным, так как ширина видеоканала в стандарте США составляет всего 4,2 МГц и размещение цветовой информации в спектре яркостного сигнала представляет определённые трудности. В европейском варианте NTSC, использованном для сравнения различных систем цветного телевидения с шириной видеоканала 6 МГц, применялись сигналы
.
Сигналы
обладают основным свойством цветоразностных сигналов. Так же, как и сигналы
, они равны нулю при передаче чёрно-белых деталей изображения. Формирование сигналов
не представляет никаких принципиальных трудностей. Они могут быть получены из цветоразностных сигналов
путём матрицирования согласно уравнениям
,
либо путём матрицирования сигналов
согласно выражениям
,
переход к исходным цветоразностным сигналам
производится по соотношениям

Структурная схема кодирующего устройства
На рисунке 5.14 представлена упрощённая структурная схема кодирующего устройства в системе NTSC. Исходными сигналами являются сигналы
. Штрихи в обозначениях сигналов означают, что сигналы были предварительно подвергнуты гамма-коррекции. На выходе матрицирующей схемы M сформирован яркостный сигнал
и цветоразностные сигналы
. В сигнал яркости
вводится сигнал синхронизации приёмника ССП. Фильтрами нижних частот ФНЧ1 и ФНЧ2 ограничиваются полосы частот сигналов
соответственно до 1,3 и 0,6 МГц. Генератором поднесущей частоты вырабатывается синусоидальный сигнал с частотой 3,579545 МГц и фазой 180°, соответствующей отрицательному направлению оси B–Y. На балансный модулятор БМ сигнала
поднесущая частота поступает от генератора с задержкой на 57°, которая создаётся фазовращателем ФВ1. На балансный модулятор БМ сигнала
колебание поднесущей частоты поступает с дополнительной задержкой на 90°, получаемой в ФВ2, тем самым обеспечивая условия квадратурной модуляции одной поднесущей сигналами
. С выходов балансных модуляторов квадратурные составляющие UI и UQ подаются на сумматор
, в котором образуется сигнал цветности US. В сумматоре
сигнал цветности US складывается с яркостным сигналом. На выходе этого сумматора общая полоса частот определяется ФНЧ в границах от 0 до 4,18 МГц. В результате такого ограничения квадратурная составляющая UQ будет содержать две боковые полосы по 0,6 МГц, а составляющая UI – верхнюю боковую 0,6 МГц и нижнюю 1,3 МГц.
Как известно, время прохождения сигнала через электрическую цепь зависит от её полосы пропускания. В кодирующем устройстве NTSC каждый из трёх компонент полного сигнала
,
проходит в процессе формирования через цепи с разными полосами пропускания: сигнал
– через самую широкополосную цепь 0…4,18 МГц, сигналы
– через узкополосные цепи 0…1,3 МГц и 0…0,6 МГц соответственно. В результате сигнал
имеет наименьшее из трёх сигналов время прохождения, а сигнал
– наибольшее. Для выравнивания этих трёх сигналов во времени устанавливаются линии задержки: в канале
– ЛЗ1 примерно на 0,7 мкс, а в канале
– ЛЗ2 на 0,5 мкс. Погрешность совмещения во времени всех трёх сигналов должна быть не больше половины длительности развёртки чёрно-белого элемента изображения (0,05 мкс). Иначе в цветном изображении может быть заметно рассовмещение окрашенных участков и деталей, к которым эти участки принадлежат.
Сигнал цветовой синхронизации U ЦВ формируется в клапанном устройстве K с помощью стробирующих импульсов, временное положение которых соответствует положению цветовой вспышки на задней площадке строчного гасящего импульса (см. рисунок 5.11). В сумматоре
сигнал цветовой синхронизации складывается с сигналами яркости и цветности.
Для выполнения условия (5.1) строчные синхронизирующие импульсы получают путём многократного деления частоты поднесущей fS в делителе частоты ДЧ.

Рис. 5.14. Структурная схема кодирующего устройства системы NTSC
Структурная схема декодирующего устройства
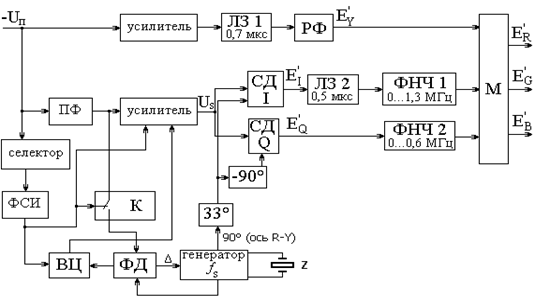
Композитный сигнал U П, содержащий сигналы яркости и цветности, а также вспышки цветовой синхронизации и сигнал синхронизации приёмника, поступает на усилитель сигнала яркости и полосовой фильтр ПФ сигнала цветности (рисунок 5.15). В канале яркостного сигнала с помощью режекторного фильтра РФ, настроенного на частоту поднесущей, подавляется сигнал цветности, устраняя помеху от него в виде рассмотренного выше рисунка шахматной фигуры. Полосовой фильтр в канале цветоразностных сигналов выделяет из полного сигнала U П сигнал цветности и сигнал цветовой синхронизации. При этом также уделяется внимание максимальному подавлению в сигнале второй промежуточной частоты звукового сопровождения (4,5 МГц), которая может вызывать нежелательные биения с цветовой поднесущей. Сигнал цветности U S, содержащий две квадратурные составляющие UI и UQ, поступает через усилитель на два синхронных детектора СДI и СДQ, на которые подаётся опорное напряжение поднесущей частоты со сдвигом 90°, обеспечиваемым фазовращателем ФВ2. Эти колебания имеют фазы, соответствующие осям I и Q. В результате на выходах синхронных детекторов создаются сигналы
, которые ограничиваются по полосе частот в каналах I и Q фильтрами ФНЧ1 и ФНЧ2. В матрицирующем устройстве M из сигналов
,
формируются исходные сигналы
:

Для компенсации различных по длительности задержек в сигналах
,
в каналы первых двух сигналов включены линии задержки ЛЗ1 и ЛЗ2.
Сигнал цветовой синхронизации отделяется от сигнала цветности клапанным устройством K, которое пропускает на свой выход цветовые вспышки при поступлении стробирующих импульсов, создаваемых в устройстве ФСИ. В свою очередь, формирующее устройство управляется строчными синхронизирующими импульсами, выделяемыми из полного сигнала в селекторе синхроимпульсов.
Цветовые вспышки предназначены для синхронизации генератора цветовой поднесущей fS, который для обеспечения точности работы имеет кварцевую стабилизацию.

Рис. 5.15. Структурная схема декодирующего устройства системы NTSC
Синхронизация является параметрической, управляющее напряжение вырабатывается фазовым детектором ФД, в котором сравниваются по частоте и фазе колебания от генератора и цветовых вспышек. Фазовая автоподстройка схемотехнически наиболее просто осуществляется к значению 90° по отношению к фазе вспышек, т.е. к оси R–Y. Таким образом, чтобы обеспечить детектирование на ось I (в синхронном детекторе СДI), необходимо колебаниям автогенератора создать в фазовращателе ФВ1 опережение на 33°. Дополнительная задержка в ФВ2 на 90° обеспечит детектирование в СДQ на ось Q.
В усилителе сигнала цветности с помощью стробирующих импульсов подавляются колебания цветовых вспышек, чтобы устранить их огибающую на выходе синхронных детекторов. В противном случае на краю изображения эта огибающая может создать цветную вертикальную полоску, соответствующую положению вспышки на площадке строчного гасящего импульса.
Канал сигнала цветности необходимо запирать также, когда производится приём чёрно-белого изображения, поскольку иначе на экране цветного кинескопа возникли бы цветные крупноструктурные муары. Последние являются продуктом биений в синхронных детекторах высокочастотных составляющих сигнала яркости с колебаниями автономно работающего генератора поднесущей. Выключатель цветности ВЦ получает управляющее напряжение на запирание канала с фазового детектора. При вещании цветной программы, т.е. при наличии цветовых вспышек, с фазового детектора на ВЦ поступает постоянное напряжение одного знака, при чёрно-белом вещании это напряжение меняет свой знак.
Если из рассмотренной структурной схемы исключить фазовращатель ФВ1 на 33°, то синхронное детектирование будет осуществляться на оси R–Y и B–Y, а следовательно, на выходах детекторов будут получены сигналы
. Но в этом случае из-за разнополосности составляющих UI и UQ могут возникнуть перекрёстные искажения между сигналами
.
Для предотвращения этих искажений оба ФНЧ на выходе детекторов должны быть узкополосными: 0…0,6 МГц, что заметным образом ухудшит цветовую чёткость. Поэтому такой вариант декодирующего устройства распространён меньше.
С точки зрения применяемого способа модуляции цветовой поднесущей видеосигналами цветности система NTSC имеет следующие основные особенности:
- хорошее использование канала передачи (большой объём передаваемой информации при высокой помехозащищённости);
- высокое качество цветного изображения при отсутствии в передающем тракте недопустимых искажений (в частности, высокая цветовая чёткость по горизонтали и вертикали);
- отсутствие в изображении на экранах приёмников цветного и чёрно-белого телевидения муаров и мерцаний яркости при движении объекта передачи;
- хорошая совместимость (малая заметность помех от сигнала цветности);
- правильность и простота формы сигнала цветности при передаче испытательного сигнала цветных полос, что облегчает контроль работы аппаратуры и её настройку;
- высокая помехозащищённость видеосигналов цветности в приёмнике от флуктуационных шумов. При этом заметность на цветном изображении шумов возрастает при уменьшении отношения сигнал/шум плавно, и шумы на изображении имеют структуру, близкую к таковой на чёрно-белом телевидении, хотя крупноструктурные шумы несколько более заметны за счёт шумов из канала сигнала цветности;
- высокая помехозащищённость схемы цветовой синхронизации от флуктуационных шумов;
- простота микширования полных видеосигналов U П=
+ U ЦВ от различных камер, ничем не отличающегося от микширования сигналов в чёрно-белом телевидении.
У системы NTSC имеются следующие недостатки, из-за которых она не была принята в качестве стандарта в Европе для развёртки на 625 строк:
- требования к отсутствию искажений амплитуды и фазы сигнала цветности на поднесущей частоте и к неискажённой передаче необходимой полосы частот являются очень жёсткими, и выполнение их при создании и эксплуатации аппаратуры, а также каналов связи, связано со значительными трудностями;
- при многолучевом приёме (например, в горных условиях) и при наличии отражённых сигналов возникают искажения амплитуды и фазы сигнала цветности, снижающие качество цветного изображения;
- при записи полного сигнала U П на магнитную ленту и его воспроизведении необходимо обеспечить строгое постоянство скорости движения магнитной ленты относительно магнитных головок, что особенно важно при многократной перезаписи. Для выполнения этого требования видеомагнитофон должен иметь высококачественные механизмы и специальные блоки для электрической коррекции непостоянства скоростей механизмов.