Для обеспечения совместимости необходимо передавать сигнал, обеспечивающий, на экране монохромного ТВ черно-белое изображение – сигнал яркости или яркостной. Т.е., надо или ставить еще одну трубку с люминофором, соответствующим кривой относительной видности глаза, и передавать 4 сигнала одновременно, или формировать его схемными способами, суммированием сигналов основных цветов в соотношении, определяемом спектральной чувствительностью глаза к основным цветам люминофоров. Приведенные расчеты показали, что для цветов R,G,B относительное содержание основных цветов в яркостном описывается выражением:
ЕY = 0,30ER + 0,59EG + 0,11EB.
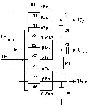
Для создания такого сигнала используется матрица.
При наличии сигнала яркости нет необходимости передавать по каналу связи сигналы трех основных цветов. Достаточно передавать два из них, а третий можно будет получить в декодирующей матрице, вычитая их из яркостного.
Человеческий глаз плохо воспринимает цвета мелких деталей. Связь между размерами детали и требующейся для ее передачи верхней границей полосы частоты, показана на рис. Многочисленные опыты показали, что с уменьшением размеров деталей их видимая цветовая насыщенность становится меньше, причем для разных цветов эти размеры различны. Подобное явление потери цветового зрения связано с различной спектральной чувствительностью глаза (наибольшая для зеленого цвета, средняя для красного и малая для синего). Зависимость этой потери приведена на рис. 5.5.

Рис.5.5. Зависимости цветовой чувствительности глаза от размеров деталей изображения
Из рисунка видно, что зеленые мелкие детали сохраняют различимость цвета почти до верхней границы ТВ спектра, в то время как для красных различимость падает около 1,4-1,6 МГЦ, а для синихвообще на 0,6-0,8 МГц. Это позволяет передавать цветовую информацию о двух основных цветах не в полном спектре. Кроме того, т.к. яркостной сигнал несет полную информацию о яркостных соотношениях передаваемых элементов изображения, ее можно исключить из сигналов основных цветов. Т.е. по каналу связи можно передавать ЕУ, ЕВ-У и ЕR-У. Эти два сигнала получили название цветоразностных сигналов.
Преимущества передачи цветоразностных сигналов в следующем:
1. Вследствие того, что из этих сигналов частично исключена избыточная информация о яркости, их амплитуда обращается в 0 при передаче серых и белых деталей (на белом амплитуды основных цветов равны = ЕУ) и мала на слабонасыщенных местах;
2. Цветоразностные сигналы упрощают построение декодирующих устройств приемника, т.к. исходные цвета могут быть получены простым суммированием цветоразностных сигналов с яркостным. Причем, сигналы основных цветов восстанавливаются сразу в полной полосе частот (высокочастотная часть спектра из яркостного), что упрощает схему декодирования.
В приемном устройстве цветоразностный сигнал получают из первых двух в соответствии с выражением
ЕG-Y = -0,51ER-Y – 0,19EB-Y.
Уплотнение ТВ спектра. Хотя ограничение спектров цветоразностных сигналов и дает выигрыш по спектру, но все еще сумма полос частот трех сигналов больше, чем одного яркостного. А это не отвечает условию совместимости. Дальнейшая возможность сокращения полосы частот основывается на специфической особенности спектра ТВ сигнала – его линейчатости. Т.к. составляющие яркостного сигнала не заполняют всю ось частот, в промежутках можно разместить спектры цветоразностных сигналов. Как мы уже отмечали амплитуды цветоразностных сигналов заметно меньше основных сигналов (разность), но все равно на экране черно-белого ТВ будут видны дополнительные шумы и мелькания. Чтобы устранить, или хотя бы снизить эту заметность, спектры цветоразностных сигналов помещают на поднесущих частотах как можно ближе к верхней границе ТВ спектра, где в области мелких деталей восприимчивость глаза снижена.
Структурная схема совместимой системы ЦТ. Структурная схема преобразования и передачи трех сигналов основных цветов по одному каналу связи, изображенная на рис.5.6,является общей для всех современных совместимых систем ЦТ. Различие между системами заключается в методах передачи информации о цветности в спектре яркостного сигнала.

Рис. 5.6. Структурная схема совместимой системы ЦТВ
На вход декодирующей матрицы М1, обобщенная структурная схема которой представлена на рис.5.6, подаются прошедшие обработку и коррекцию в камерном канале сигналы основных цветов. Матрица преобразуется их в сигналы первичных цветов передачи – яркостной и два цветоразностных, в соответствии с выражениями:
EY = 0,30ER + 0,59EG + 0,11EB
ER-Y = 0,70ER - 0,59EG - 0,11EB
EB-Y = -0,30ER - 0,59EG + 0,89EB
Сформированные сигналы трех первичных цветов поступают в кодирующее устройство КУ, где формируется полный цветной ТВ сигнал (ПЦТВС) содержащий:
1. Яркостной сигнал в полной полосе частот;
2. Два цветоразностных сигнала (R-Y и B-Y) в ограниченной до 1.5.МГЦ полосе частот, которые посредством модуляции одной или двух поднесущих частот, для уплотнения спектра яркостного сигнала размещаются в его высокочастотной части;
3. Сигналы синхронизации приемника;
4. Сигналы цветовой синхронизации.
С выхода кодирующего устройства ПЦТВС через канал связи поступает на декодирующее устройства телевизора, где производится обратная операция выделения из общего спектра яркостного сигнала цветовых поднесущих частот, их детектирования для получения двух цветоразностных сигналов с помощью которых в матрице М2 формируется третий цветоразностный сигнал G-Y. Затем при помощи матрицы М3 из яркостного и 3 цветоразностных сигналов формируются исходные RGB сигналы.

Рис. 5.7. Резистивная кодирующая матрица