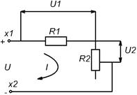
Цепь с переменным сопротивлением потребителя.

Рассмотрим режимы работы цепи при U=const, R1=const, 0≤R2≤∞ (под R2 понимаем сопротивление потребителя).

1) R1=0. Режим цепи при котором R2=0 называется режимом короткого замыкания



2) R2=∞. Режим цепи, при котором R2=∞ (цепь разомкнута) называется режимом холостого хода



То обстоятельство, что всё напряжение обнаруживается в месте разрыва цепи позволяет обнаружить это место с помощью вольтметра – произвести позвонку вольтметром. Убедитесь в том, что напряжение подаётся на входные зажимы цепи, оставить один щуп вольтметра на одной входной клемме, а второй щуп последовательно перемещать по проводникам и элементам цепи до тех пор пока вольтметр покажет напряжение, последний элемент неисправен.
3) R2=R1 – режим согласованной нагрузки


Не смотря на то, что в режиме согласованной нагрузки КПД цепи всего лишь 50%, этот режим оптимален для работы маломощных схем автоматики и связи, потому что только в этом режиме идёт техническая передача сигнала от источника к исполнительному устройству.
|
|
|
Построим графики изменения напряжений и мощностей от тока.
|
|

|
























Расчёт цепей постоянного тока
В любой цепи следует различать:
1. Узлы – это места соединения трёх и более элементов.
2. Ветви – это участок цепи между двумя узлами, по всем элементам которого течёт одинаковый ток.
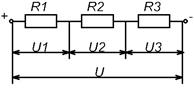
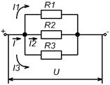
Виды соединения резисторов:
1) Последовательное.
Два или несколько резисторов соединены последовательно, если между ними нет узлов.


2) Параллельное.
Два или несколько резисторов соединены параллельно, если все они включены между двумя одними и теми же узлами.


-проводимость

3) Смешанное соединение резисторов.
Цепь имеет участки с последовательным и параллельным соединением резисторов, а также участки с группами из трёх резисторов, представляющими собой звезду или треугольник. Для последнего случая необходимо знать формулы эквивалентного преобразования треугольника в звезду или наоборот.
Расчёт цепи с участками последовательного и параллельного соединения резисторов следует начинать с участков наиболее удалённых от входных клемм – вычисляется эквивалентное сопротивление (RЭ).
Определение токов наоборот начинают от входных клемм.
Пример 1 Определить эквивалентное сопротивление цепи и токи во всех резисторах, при следующих данных: R1=15,9 Ом, R2=9 Ом, R3=12 Ом, R4=20 Ом, R5=30 Ом, R6=8 Ом U=200 В.






