Этот метод универсальный, но в отличии от предыдущего требует составления меньшего числа уравнений, следовательно проще в расчёте. Основан на втором законе Кирхгофа и понятии о контурных токах.

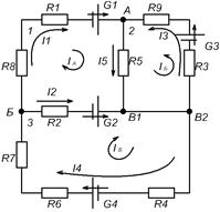
Контур 1: 
Контур 2: 
Контур 3: 

Порядок расчёта:
1) Схему разбиваем на отдельные замкнутые контуры, обязательно такие, внутри которых нет ветвей. В каждом из них произвольно задаём направление так называемого контурного тока – тока, замыкающегося в данном контуре. Контурный ток – некоторая расчётная величина, реально в каждом контуре протекает минимум 2 разных тока.
2) Для каждого контура составляем уравнение по второму закону, производя обход обязательно по основному контурному току. При этом учитываем, что данный контурный ток протекает во всех сопротивлениях этого контура, а в смежных ветвях, относящихся одновременно к двум контурам (БВ1, АВ1) кроме основного контурного тока протекает соседний контурный ток, падение напряжения которого учитываем со знаком «+» если контурные токи в этой цепи совпадают по направлению, и со знаком «-» если не совпадают.


3) Решаем систему уравнений и определяем контурные токи.
4) Реально протекающие токи (I1 – I5) определяем по контурным: в крайних ветвях, относящихся только к какому-нибудь одному контуру (АБ, АВ2, БВ2), реально протекающий ток равен «+» или «-» контурному; в смежных ветвях - алгебраической сумме соседних контурных токов.
Примечание:
Реально протекающие токи (I1 – I5) можно произвольно задать перед началом расчёта, лучше после вычисления контурных токов.