Счетчиком называется узел ЭВМ, который служит для подсчета числа входных сигналов. Максимальное число, которое может быть представлено счетчиком, равно N=2n-1, что является емкостью счетчика, где n - разрядность счетчика.
По направлению счета счетчики бывают суммирующие, вычитающие и реверсивные. По способу организации разрядного переноса различают счетчики: с последовательным, параллельным и комбинированным переносом. По основанию систем счисления различают: двоичные, двоично-десятичные, с произвольным основанием счета.
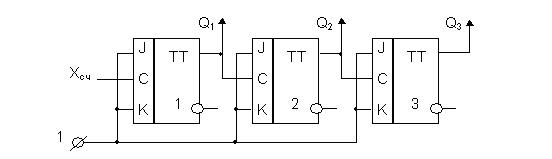
Схема З-х разрядного счетчика с последовательным переносом на JK-триггерах приведена на рис. 4.9. Триггер ТТ1 (младший разряд) при C=1 переключается по каждому сигналу Хсч. Поскольку выходы Qi соединены с C входами последующих триггеров, то сигнал Q1 является входным сигналом триггера TT2, а сигнал Q2 входным сигналом триггера ТТз. Нетрудно убедиться, что начальное состояние счетчика равно 000. После первого сигнала Хсч его состояние изменится на 001, после второго 010 и т.п. После восьмого сигнала счетчик установится снова в 000.
|
|
|

Рис. 4.7. Трехразрядный счетчик с последовательным переносом
Для повышения быстродействия счетчики выполняются с параллельным переносом, где длительность переходного процесса равна длительности переключения одного разряда.

Рис. 4.8. Схема десятичного счетчика с параллельным переносом
Схема десятичного счетчика с параллельным переносом приведена на рис.4.10. После подачи 8-го импульса в счетчике устанавливается код 1000 и уровень Q4 блокирует прохождению единичного сигнала на входы триггера TT2 схемой И1. После 9-го импульса ТТ1 установится в единичное состояние, и единичный уровень с выхода Q1 подается на вход К триггера ТТ4. Десятый импульс установит ТТ1 и ТТ4 в нулевое состояние.






