ПРИНЦИПИАЛЬНАЯ СХЕМА И РАБОЧИЕ ПРОЦЕССЫ В КОМПРЕССОРЕ
ВОЗДУШНЫЕ КОМПРЕССОРЫ
ТЕХНИКА БЕЗОПАСНОСТИ СУДОВЫХ НАСОСОВ
ПТЭ СУДОВЫХ НАСОСОВ
Согласно правилам Регистра каждое самоходное судно должно иметь два осушительных насоса. При подготовке насосов к пуску сначала открывают клапан на нагнетании, а только затем на всасывании. Некоторые центробежные насосы перед пуском заполняют водой (маслом, топливом). Контроль за работой осуществляют по приборам. Во время работы следят за исправностью насосов, отсутствием стуков, а также за наличием смазки сальникового устройства. Насосы, снабженные устройством, создающие вакуум на всасывании (самовсасывающие) заливать жидкостью не надо. Нормальная работа центробежного насоса оценивается по стабильным показаниям приборов, отсутствием стуков и вибраций.
Струйные насосы могут отказать в работе, если имеются неплотности в соединениях всасывающего трубопровода, неисправностей клапанов, резкого понижения давления рабочей жидкости.
|
|
|
При эксплуатации насосов часто бывает необходимо изменять количество подаваемой жидкости т.е. регулировать подачу насоса. У приводных поршневых насосов подачу регулируют изменением частоты вращения приводного вала. У центробежных насосов – изменением вращения рабочего колеса, либо искусственным увеличением сопротивления на нагнетательном трубопроводе.
Включение поршневых насосов необходимо осуществлять только при открытых вентилях и крышках на нагнетательном и всасывающем трубопроводах. Следить за тем, чтобы в воздушных колпаках находился воздух, так как его отсутствие может вызвать гидравлический удар и разрушение насоса. Постоянно следить за показаниями манометра на нагнетательном трубопроводе и вакууметра – на всасывающем.
Запрещается на ходу подтягивать сальники поршневого насоса и на валу центробежного насоса. Не допускать работы насосов при загрязненной приемной сетке. Все работы по ремонту насоса необходимо осуществлять только после его остановки. Во время ремонтных работ на пульте управления насосов вешают табличку (бирку) «НЕ ВКЛЮЧАТЬ – РАБОТАЮТ ЛЮДИ».
Воздушные компрессоры служат для получения сжатого воздуха который на морских судах используют для пуска и реверса главных и вспомогательных дизелей, питания систем автоматического регулирования и управления, а также для обеспечения общесудовых потребителей. К последним относят различные пневмоинструменты, в том числе и для покраски механизмов и корпуса судна, гидрофорные цистерны пресной и забортной воды, приспособления для продувки труб холодильников, подогревателей, фильтров, кингстонов и др. Основной расход воздуха — на пуск и реверс дизелей.
|
|
|
Рабочий цикл поршневого компрессора состоит из процессов всасывания воздуха в рабочий цилиндр, сжатия до более высокого давления и выталкивания из цилиндра.
Схема одноступенчатого поршневого компрессора и его индикаторная диаграмма показаны на рис.42, а. Поршень 2 совершает возвратно поступательное движение в цилиндре 1. Всасывание и нагнетание воздуха поршнем осуществляется с помощью двух самодействующих клапанов — всасывающего 3 и нагнетательного 4. Рабочий цикл в компрессоре совершается за два хода поршня.
По конструктивным соображениям поршень в цилиндре компрессора не подходит вплотную к крышке цилиндра 5. Поэтому имеется так называемое вредное пространство цилиндра (объем V о на диаграмме), составляющее 3-10% полного объема.
При движении поршня слева направо оставшийся от предыдущего цикла во вредном пространстве сжатый воздух расширяется (линия cd на диаграмме), т.к. в начале хода оба клапана закрыты. Всасывающий клапан открывается лишь тогда, когда давление в цилиндре станет несколько меньше давления р 1 во всасывающем патрубке (точка d на диаграмме). Начинается процесс всасывания воздуха в цилиндр, который заканчивается с приходом поршня в крайнее правое положение (линия da на диаграмме).
Рис.42. Схемы поршневых компрессоров: а - одноступенчатого; б - двухступенчатого
При ходе поршня справа налево всасывающий клапан закрывается и начинается процесс сжатия воздуха (линия ab на диаграмме). При этом повышаются его давление и температура. Сжатие продолжается до тех пор, пока давление в цилиндре не станет больше давления р 2 в нагнетательном патрубке. В этот момент (точка b на диаграмме) открывается нагнетательный клапан и сжатый воздух выталкивается из цилиндра в нагнетательный патрубок (линия bc на диаграмме). Из-за наличия вредного пространства часть воздуха остается в цилиндре. Затем процессы повторяются. Чем больше вредное пространство, тем меньше всасывающий ход (линия da) и подача компрессора.
Как известно из термодинамики, процесс сжатия теоретически можно осуществить по:
- изотерме - при постоянной температуре за счет охлаждения рабочего тела в процессе сжатия,
- политропе - с некоторым отводом теплоты от рабочего тела,
- адиабате - без теплообмеца.
При этом наименьшая работа затрачивается при сжатии по изотерме, наибольшая – по адиабате, промежуточное значение работы – при политронном сжатии. Таким образом, с точки зрения затраты мощности и температуры в конце сжатия наиболее выгодным является изотермический процесс, но в реальном компрессоре его осуществить невозможно, и сжатие воздуха происходит по политропе.
Теплота от сжимаемого воздуха отводится за счет охлаждения цилиндра водой, что позволяет приблизить процесс сжатия к изотермическому, улучшает условия смазывания цилиндра и способствует достижению более высокого давления воздуха при возможно меньшей температуре.
Наиболее высокое давление сжатого воздуха на судах требуется для пуска двигателей: 2,5-3 МПа, а в ряде случаев до 15 МПа. Для получения таких давлений применяют чаще всего в многоступенчатые, двух- или трехступенчатые компрессоры.
Необходимость применения многоступенчатых компрессоров вызывается тем, что степень сжатия воздуха в одной ступени не должна превышать 8 (т.е. воздух в одной ступени можно сжимать до давления 0,8 МПа). Это объясняется, тем, что температура вспышки компрессорных смазочных масел составляет 250-280°С, а при сжатии воздуха до 0,8 МПа его температура достигает 170-220°С. В результате пары масла могут самовоспламениться, что приведет к взрыву и разрушению компрессора. Поэтому в первой ступени компрессора воздух обычно сжимается до 0,5-0,8 МПа, во второй — до конечного давления 2,5-3,0 МПа. При этом воздух обязательно охлаждается в специальном воздухоохладителе после первой ступени компрессора примерно до первоначальной температуры (для предотвращения чрезмерного повышения температуры воздуха после сжатия во второй ступени и уменьшения затрат мощности на привод компрессора).
|
|
|
После второй ступени компрессора перед подачей в воздухоохладители воздух также охлаждается (по Правилам Регистра РФ температура воздуха, поступающего в баллоны, не должна превышать 40°С). Для очистки воздуха от масла и влаги устанавливаются влагомаслоотделители.
На рис.42. б показана схема двухступенчатого компрессора. Поршень для обоих ступеней выполнен общим: его часть 2, имеющая больший диаметр, является поршнем первой ступени, а часть 6 — поршнем второй ступени. Рабочие полости ступеней это соответственно кольцевая полость 3 и торцовая полость 7.
При ходе поршня вниз воздух всасывается из атмосферы через клапан 4 в первую ступень компрессора. При ходе вверх поршень сжимает воздух и через клапан 5 нагнетает его к всасывающему клапану 8 второй ступени через воздухоохладитель 19 и влагомаслоотделитель 18 с клапаном продувания 17. Воздух из второй ступени компрессора через нагнетательный клапан 9, воздухоохладитель 16, влагомаслоотделитель 15 с клапаном продувания 14 и клапаном 13 подается в баллоны пускового воздуха.
Для предотвращения чрезмерного повышения давления воздуха после каждой ступени компрессора установлены предохранительные клапаны 10 и 11. Давление воздуха после каждой ступени контролируют по манометрам 12.
Воздух в компрессоре сжимается сначала в первой ступени, охлаждается и затем сжимается до более высокого давления во второй ступени, затем снова охлаждается и сжимается в следующей ступени. Наиболее часто применяется двухступенчатый компрессор; один из таких компрессоров показан на рис.7.1. При ходе всасывания воздух заполняет цилиндр первой ступени через глушитель, фильтр и всасывающий клапан первой ступени, всасывающий клапан закрывается, когда поршень будет в НМТ, осле чего начинается сжатие воздуха. Когда давление воздуха достигает значения, заданного для первой ступени, начинается нагнетание воздуха через нагнетательный клапан в холодильник первой ступени. Таким же образом происходит всасывание и сжатие в цилиндре второй ступени, в котором благодаря его меньшему объему достигается более высокое давление. После выхода через нагнетательный клапан второй ступени воздух снова охлаждается и подается в баллон сжатого воздуха.
|
|
|
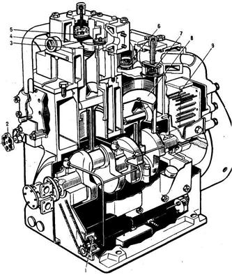
Рис.7.1. Двухступенчатый воздушный компрессор: 1 - масляный насос; 2 - ручной клапан продувания; 3 - поршень второй ступени; 4 - всасывающий клапан второй ступени; 5 - нагнетательный клапан второй ступени; 6 - всасывающий клапан первой ступени; 7 - нагнетательный клапан первой ступени; 8 - поршень первой ступени; 9 - трубки охладителя первой ступени.
Компрессор имеет жесткий картер, в котором устанавливают три рамовых подшипника коленчатого вала. Блок цилиндров имеет сменные цилиндровые втулки. К движущимся частям компрессора вносятся поршни, шатуны и цельный двухколенный коленчатый вал. Сверху на блок цилиндров устанавливается головка цилиндра первой ступени, а на нее – головка цилиндра второй ступени. В обеих головках помещаются всасывающие, и нагнетательные клапаны. Приводимый от коленчатого вала цепным приводом масляный зубчатый насос обеспечивает подачу смазки к рамовым подшипникам, а через сверления в коленчатом валу – к обоим шатунным подшипникам. Вода для охлаждения компрессора подается от собственного насоса или от системы охлаждения в машинном отделении.
Пуск компрессора необходимо осуществлять при открытых продувочных кранах на сепараторах, предварительно проверив наличие масла в картере. Во время работы компрессора необходимо периодически продувать сепараторы, т.к. попадание паров масла в систему сжатого воздуха может образовать взрывоопасную смесь. После выключения компрессора необходимо продуть баллоны и удалить из них конденсат. Следить за нормальным техническим состоянием предохранительных клапанов на компрессоре, воздушных баллонах, воздухохранителях, трубопроводах. Запрещается производить ремонтные работы, связанные с применением огня, вблизи баллонов сжатого воздуха, а также стучать по баллонам или производить разборку арматуры, находящейся под давлением.






