а) Если BM< Bнаси не учитываются потерь мощности.

б) Если BM> Bнаси не учитываются потерь мощности.
В такой цепи ток не синусоидальный, но совпадает по фазе с магнитным потоком, для построения векторной диаграммы заменяем его эквивалентным синусоидальным - это такой синусоидальный ток, который имеет тоже действующее значение. (Векторная диаграмма такая же).
в) Если BM> Bнас с учетом потерь мощности:


В данном случае ток не синусоидальный и опережает по фазе магнитный поток, заменим его эквивалентным синусоидальным:

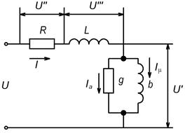
Напряжение будет состоять из 3 составляющих:

u’ - составляющая уравновешивающая ЭДС самоиндукции

u’’’ - составляющая потерь в меди μ

u’’’ - составляющая образующая потоки рассеяния



Ia– составляющая потерь в меди
Iμ– намагничивающая составляющая
Согласно векторной диаграмме строится схема замещения катушки, состоящая из двух активных сопротивлений и двух идеальных индуктивностей:







