ТЕХНОЛОГИЧЕСКИЙ КОНТРОЛЬ КОНСТРУКТОРСКОЙ ДОКУМЕНТАЦИИ
Где - коэффициент применяемости стандартного инструмента в базовой конструкции детали.
Технологическим контролем называется инженерная проверка соответствия конструкторской документации, требованиям технологичности.
При технологическом контроле стремятся к следующему:
l уменьшить размеры обрабатываемых поверхностей, что снижает трудоемкость изготовления;
l повысить жесткость конструкции детали для возможности многоинструментной обработки, использования многолезвийных инструментов и повышенных режимов;
l обеспечить удобный подвод и отвод режущих инструментов для уменьшения вспомогательного времени;
l унифицировать или свести к минимуму типоразмеры пазов, канавок, переходных поверхностей (галтелей, фасок) и отверстий для сокращения номенклатуры режущих инструментов;
l обеспечить надежное и удобное базирование заготовки с возможностью совмещения технологических измерительных баз.

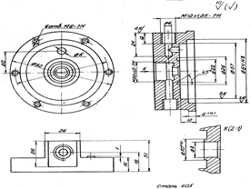
l Деталь обладает низкой технологичностью в отношении нарезания резьб М12х1,25-7Н до конца отверстия, в упор и обработки этих отверстий под резьбы с прямоугольным уступом. Для нарезания резьбы М12х1,5-7Н до прямоугольного уступа (до самого конца отверстия) необходимо кроме стандартных двух метчиков располагать калибрующим метчиком практически без заборной, или режущей, части, т.е. необходимо изготавливать специальный инструмент. Если же отверстие под резьбу несколько удлинить, то отпадает необходимость в изготовлении специального калибрующего метчика и выполнении калибрующего перехода при нарезании резьбы. Это приводит к снижению себестоимости обработки детали и трудоемкости нарезания резьбы.






