Рис. 14.6. Сглаживающий емкостной фильтр
Б
Рис. 14.3. Однополупериодная схема выпрямителя
Такой выпрямитель находит ограниченное применение в маломощных устройствах. Отрицательной чертой однополупериодного выпрямителя является протекание постоянной составляющей тока во входной цепи.
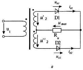
Двухполупериодный выпрямитель со средней точкой представляет собой параллельное соединение двух однополупериодных выпрямителей (рис. 14.4, а). Диоды схемы проводят ток поочередно, каждый в течение полупериода (рис. 14.4, б).

б
Рис. 14.4. Двухполупериодный выпрямитель со средней точкой
Основные параметры такого выпрямителя:
· среднее значение выходного напряжения
,
где U2 – действующее значение напряжения каждой половины вторичной обмотки, U2≈1,11·Uср;
· среднее значение тока на нагрузке выпрямителя
;
· коэффициент пульсаций выходного напряжения
.
Двухполупериодный выпрямитель со средней точкой характеризуется довольно высокими технико-экономическими показателями и широко используется в технике. Недостаток – необходимость двойного количества витков во вторичной обмотке трансформатора.
|
|
|
Однофазный мостовой выпрямитель (рис. 14.5, а) можно считать пределом совершенства бестрансформаторных выпрямителей. Диоды в рассматриваемой схеме включаются и выключаются парами. Одна пара – это диоды D1 и D2, а другая – D3 и D4.


а
Рис. 14.5. Однофазный мостовой выпрямителя
Основные параметры такого выпрямителя:
· среднее значение выходного напряжения
,
где Uвх ≈ 1,11·Uср;
· среднее значение тока на нагрузке выпрямителя
;
· коэффициент пульсаций выходного напряжения
.
Такой выпрямитель характеризуется высокими технико-экономическими показателями и широко используется на практике. Часто все четыре диода выпрямителя помещают в один корпус.
Сглаживающие фильтры. Выпрямленное напряжение имеет существенные пульсации, поэтому широко используют сглаживающие фильтры – устройства, уменьшающие эти пульсации (рис. 14.6). Важнейшим параметром сглаживающего фильтра является коэффициент сглаживания S.
По определению S=ε1/ε2, причем ε1 и ε2 определяют как коэффициенты пульсаций на входе и выходе фильтра соответственно.

Простейшим фильтром является емкостной фильтр (С-фильтр). Рассмотрим его работу на примере однофазного однополупериодного выпрямителя (рис. 14.6). Емкостной фильтр подключается параллельно нагрузке (рис. 14.6, а).
На отрезке времени t1…t2 диод открыт и конденсатор заряжается (рис. 14.6, б). На отрезке t2…t3 диод закрыт, источник входного напряжения отключен от конденсатора и нагрузки. Разряд конденсатора характеризуется экспонентой с постоянной времени τ = Rн·С. Ток через диод протекает только часть полупериода (отрезок t1…t2). Чем короче отрезок t1…t2, тем больше амплитуда тока диода при заданном среднем токе нагрузки. Если емкость С очень велика, то отрезок t1…t2 оказывается очень малым, а амплитуда тока диода очень большой, и диод может выйти из строя.
|
|
|
Такой фильтр широко используется в маломощных выпрямителях; в мощных выпрямителях он используется редко, так как режим работы диода и соответствующих электрических цепей (к примеру, обмоток трансформатора) достаточно тяжел.
На практике используют также следующие фильтров (рис. 14.7): индуктивно-емкостной или Г-образный LC-фильтр (а), Г-образный RC-фильтр (б), П-образный LC-фильтр (в), П-образный RC-фильтр (г).

Рис. 14.7. Схемы фильтров, применяемых в выпрямителях
Обычно Г- и П-образные RC-фильтры применяются только в маломощных схемах, так как они потребляют значительную долю энергии. На практике в силовых цепях применяются другие, более сложные фильтры.
Инверторы – это устройства, преобразующие постоянный ток в переменный (рис. 14.8), где имеет место соотношение uc1 = uc2 =1/2 uвх. В схеме часто используются электролитические конденсаторы большой емкости.

Рис. 14.8. Инвертор на биполярных транзисторах
Транзисторы работают в ключевом режиме: включаются и выключаются поочередно. На выходе схемы возникает переменное напряжение.
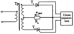
Управляемые выпрямители позволяют регулировать выходное напряжение. Они построены на основе однополупериодных (незапираемых) тиристоров (рис. 14.9).

Рис. 14.9. Однофазный двухполупери- Рис. 14.10. Временная диаграмма
одный управляемый выпрямитель
Включение тиристоров производится с некоторой задержкой tвкл (рис. 14.10). Угол αвкл=ω·tвкл – угол сдвига по фазе между напряжением на тиристоре и импульсами управления. Угол αвкл называют углом управления, который может изменяться в пределах от 0 до 180°.
Импульсный режим работы и цифровое представление преобразуемой информации. Импульсный режим работы электронного устройства характерен резкими изменениями токов и напряжений. Импульсный режим широко используется в устройствах как силовой, так и информативной электроники.
Импульсный режим работы устройств информативной электроники имеет следующие два важнейших преимущества:
· резко повышается помехоустойчивость, так как и при высоком уровне помех обычно не возникает проблемы отличить одно состояние схемы от другого, а именно состояние схемы определяет информацию о преобразуемом сигнале;
· информация о сигнале простым и естественным образом представляется в цифровой форме, что позволяет использовать большие и все возрастающие возможности цифровой обработки информации.
Импульсные сигналы. Основные термины. Обратимся для примера к идеализированному импульсу, который называют трапецеидальным (рис. 15.1, а).








