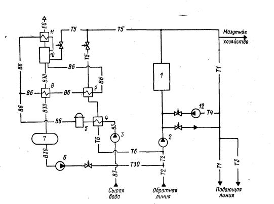
Типовая схема водогрейной котельной представлена на рис.1.

Рис. 1. Тепловая схема котельной с водогрейными котлами
1 - водогрейный котел; 2 - сетевой насос; 3 - насос сырой воды;
4 - подогреватель сырой воды; 5 - химводоочистка; 6 - подпиточный насос; 7 - бак деаэрированной воды; 8 - охладитель деаэрированной воды;
9 - подогреватель химически очищенной воды; 10 - деаэратор;
11 - охладитель выпара; 12 - рециркуляционный насос
Котельные с водогрейными котлами могут сооружаться для отпуска теплоты только в виде горячей воды при сжигании твердого, газообразного и жидкого топлива. Жидкое топливо обычно поступает в автоцистернах, т. е. в разогретом состоянии. Эти котельные могут работать как на закрытую, так и на открытую систему теплоснабжения.
Основной целью расчета любой тепловой схемы котельной является выбор основного и вспомогательного оборудования с определением исходных данных для последующих технико-экономических расчетов.
При разработке и расчете тепловых схем котельных с водогрейными котлами необходимо учитывать особенности их конструкции и эксплуатации. Надежность и экономичность водогрейных котлов зависит от постоянства расхода воды через них, который не должен снижаться относительно установленного заводом-изготовителем. Во избежание низкотемпературной и сернокислотной коррозии конвективных поверхностей нагрева температура воды на входе в котел при сжигании топлив, не содержащих серу, должна быть не менее 60
, малосернистых
топлив не менее 70
и высокосернистых топлив не менее 110
.
Для повышения температуры воды на входе в водогрейный котел при температурах воды ниже указанных устанавливается рециркуляционный насос.