ЭКОНОМИКА
Федонина О. В., Филиппова Р. А.
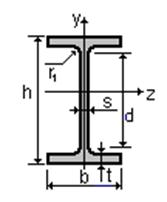
Двотавp нормальний (Б) по ГОСТ 26020-83

| h | b | s | t | r1 | A | P | Iz | Wz | Sz | Iz | Iy | Wy | Iy | |
| см | см | см | см | см | см2 | кг/м | см4 | см3 | см3 | см | см4 | см3 | см | |
| 10Б1 | 10.000 | 5.500 | 0.410 | 0.570 | 0.700 | 10.320 | 8.100 | 171.000 | 34.200 | 19.700 | 4.070 | 15.900 | 5.800 | 1.240 |
| 12Б1 | 11.760 | 6.400 | 0.380 | 0.510 | 0.700 | 11.030 | 8.700 | 257.000 | 43.800 | 24.900 | 4.830 | 22.400 | 7.000 | 1.420 |
| 12Б2 | 12.000 | 6.400 | 0.440 | 0.630 | 0.700 | 13.210 | 10.400 | 318.000 | 53.000 | 30.400 | 4.900 | 27.700 | 8.600 | 1.450 |
| 14Б1 | 13.740 | 7.300 | 0.380 | 0.560 | 0.700 | 13.390 | 10.500 | 435.000 | 63.300 | 35.800 | 5.700 | 36.400 | 10.000 | 1.650 |
| 14Б2 | 14.000 | 7.300 | 0.470 | 0.690 | 0.700 | 16.430 | 12.900 | 541.000 | 77.300 | 44.200 | 5.740 | 44.900 | 12.300 | 1.650 |
| 16Б1 | 15.700 | 8.200 | 0.400 | 0.590 | 0.900 | 16.180 | 12.700 | 689.000 | 87.800 | 49.500 | 6.530 | 54.400 | 13.300 | 1.830 |
| 16Б2 | 16.000 | 8.200 | 0.500 | 0.740 | 0.900 | 20.090 | 15.800 | 869.000 | 108.700 | 61.900 | 6.580 | 68.300 | 16.600 | 1.840 |
| 18Б1 | 17.700 | 9.100 | 0.430 | 0.650 | 0.900 | 19.580 | 15.400 | 1063.000 | 120.100 | 67.700 | 7.370 | 81.900 | 18.000 | 2.040 |
| 18Б2 | 18.000 | 9.100 | 0.530 | 0.800 | 0.900 | 23.950 | 18.800 | 1317.000 | 146.300 | 83.200 | 7.410 | 100.800 | 22.200 | 2.050 |
| 20Б1 | 20.000 | 10.000 | 0.560 | 0.850 | 1.200 | 28.490 | 22.400 | 1943.000 | 194.300 | 110.300 | 8.260 | 142.300 | 28.500 | 2.230 |
| 23Б1 | 23.000 | 11.000 | 0.560 | 0.900 | 1.200 | 32.910 | 25.800 | 2996.000 | 260.500 | 147.200 | 9.540 | 200.300 | 36.400 | 2.470 |
| 26Б1 | 25.800 | 12.000 | 0.580 | 0.850 | 1.200 | 35.620 | 28.000 | 4024.000 | 312.000 | 176.600 | 10.630 | 245.600 | 40.900 | 2.630 |
| 26Б2 | 26.100 | 12.000 | 0.600 | 1.000 | 1.200 | 39.700 | 31.200 | 4654.000 | 356.600 | 201.500 | 10.830 | 288.800 | 48.100 | 2.700 |
| 30Б1 | 29.600 | 14.000 | 0.580 | 0.850 | 1.500 | 41.920 | 32.900 | 6328.000 | 427.000 | 240.000 | 12.290 | 390.000 | 55.700 | 3.050 |
| 30Б2 | 29.900 | 14.000 | 0.600 | 1.000 | 1.500 | 46.670 | 36.600 | 7293.000 | 487.800 | 273.800 | 12.500 | 458.600 | 65.500 | 3.130 |
| 35Б1 | 34.600 | 15.500 | 0.620 | 0.850 | 1.800 | 49.530 | 38.900 | 10060.000 | 581.700 | 328.600 | 14.250 | 529.600 | 68.300 | 3.270 |
| 35Б2 | 34.900 | 15.500 | 0.650 | 1.000 | 1.800 | 55.170 | 43.300 | 11550.000 | 662.200 | 373.000 | 14.470 | 622.900 | 80.400 | 3.360 |
| 40Б1 | 39.200 | 16.500 | 0.700 | 0.950 | 2.100 | 61.250 | 48.100 | 15750.001 | 803.600 | 456.000 | 16.030 | 714.900 | 86.700 | 3.420 |
| 40Б2 | 39.600 | 16.500 | 0.750 | 1.150 | 2.100 | 69.720 | 54.700 | 18530.000 | 935.700 | 529.700 | 16.300 | 865.000 | 104.800 | 3.520 |
| 45Б1 | 44.300 | 18.000 | 0.780 | 1.100 | 2.100 | 76.230 | 59.800 | 24940.000 | 1125.800 | 639.500 | 18.090 | 1073.700 | 119.300 | 3.750 |
| 45Б2 | 44.700 | 18.000 | 0.840 | 1.300 | 2.100 | 85.960 | 67.500 | 28869.998 | 1291.900 | 732.900 | 18.320 | 1269.000 | 141.000 | 3.840 |
| 50Б1 | 49.200 | 20.000 | 0.880 | 1.200 | 2.100 | 92.980 | 73.000 | 37160.000 | 1511.000 | 860.400 | 19.990 | 1606.000 | 160.600 | 4.160 |
| 50Б2 | 49.600 | 20.000 | 0.920 | 1.400 | 2.100 | 102.800 | 80.700 | 42390.000 | 1709.000 | 970.200 | 20.300 | 1873.000 | 187.300 | 4.270 |
| 55Б1 | 54.300 | 22.000 | 0.950 | 1.350 | 2.400 | 113.370 | 89.000 | 55680.000 | 2051.000 | 1165.000 | 22.160 | 2404.000 | 218.600 | 4.610 |
| 55Б2 | 54.700 | 22.000 | 1.000 | 1.550 | 2.400 | 124.750 | 97.900 | 62790.000 | 2296.000 | 1302.000 | 22.430 | 2760.000 | 250.900 | 4.700 |
| 60Б1 | 59.300 | 23.000 | 1.050 | 1.550 | 2.400 | 135.260 | 106.200 | 78760.000 | 2656.000 | 1512.000 | 24.130 | 3154.000 | 274.300 | 4.830 |
| 60Б2 | 59.700 | 23.000 | 1.100 | 1.750 | 2.400 | 147.300 | 115.600 | 87640.000 | 2936.000 | 1669.000 | 24.390 | 3561.000 | 309.600 | 4.920 |
| 70Б1 | 69.100 | 26.000 | 1.200 | 1.550 | 2.400 | 164.700 | 129.300 | 125930.008 | 3645.000 | 2095.000 | 27.650 | 4556.000 | 350.500 | 5.260 |
| 70Б2 | 69.700 | 26.000 | 1.250 | 1.850 | 2.400 | 183.600 | 144.200 | 145912.000 | 4187.000 | 2393.000 | 28.190 | 5437.000 | 418.200 | 5.440 |
| 80Б1 | 79.100 | 28.000 | 1.350 | 1.700 | 2.600 | 203.200 | 159.500 | 199500.000 | 5044.000 | 2917.000 | 31.330 | 6244.000 | 446.000 | 5.540 |
| 80Б2 | 79.800 | 28.000 | 1.400 | 2.050 | 2.600 | 226.600 | 177.900 | 232200.000 | 5820.000 | 3343.000 | 32.010 | 7527.000 | 537.600 | 5.760 |
| 90Б1 | 89.300 | 30.000 | 1.500 | 1.850 | 3.000 | 247.100 | 194.000 | 304400.000 | 6817.000 | 3964.000 | 35.090 | 8365.000 | 557.600 | 5.820 |
| 90Б2 | 90.000 | 30.000 | 1.550 | 2.200 | 3.000 | 272.400 | 213.800 | 349200.000 | 7760.000 | 4480.000 | 35.800 | 9943.000 | 662.800 | 6.040 |
| 100Б1 | 99.000 | 32.000 | 1.600 | 2.100 | 3.000 | 293.820 | 230.600 | 446000.000 | 9011.000 | 5234.000 | 38.960 | 11520.000 | 719.900 | 6.260 |
| 100Б2 | 99.800 | 32.000 | 1.700 | 2.500 | 3.000 | 328.900 | 258.200 | 516400.031 | 10350.000 | 5980.000 | 39.620 | 13710.000 | 856.900 | 6.460 |
| 100Б3 | 100.600 | 32.000 | 1.800 | 2.900 | 3.000 | 364.000 | 285.700 | 587700.000 | 11680.000 | 6736.000 | 40.180 | 15900.000 | 993.900 | 6.610 |
| 100Б4 | 101.300 | 32.000 | 1.950 | 3.250 | 3.000 | 400.600 | 314.500 | 655400.000 | 12940.000 | 7470.000 | 40.450 | 17830.000 | 1114.300 | 6.670 |
Саранск 2013
|
|
|
|
|
|
УДК 33 (075.8)
Рецензенты:
Кормишкин Е. Д. професссор кафедры экономической теории ФГБОУ ВПО «МГУ им. Н. П. Огарёва»,
Савина Т. Н. доцент кафедры экономики и менеджмента образования ФГБОУ ВПО «Мордовский государственный педагогический институт им. М. Е. Евсевьева»
Федонина Оксана Васильевна. Экономика: учебное пособие /Федонина О. В., Филиппова Р. А.; Мордов. гос. ун-т. – Саранск,.2013. – 120с.
Об авторах: Федонина Оксана Васильевна, канд. экон. наук, доцент кафедры экономической теории ФГБОУ ВПО «МГУ им. Н. П. Огарёва»
Филиппова Раиса Анатольевна,канд. экон. наук, доцент кафедры экономической теории ФГБОУ ВПО «МГУ им. Н. П. Огарёва»
В учебном пособии рассмотрены основы экономики, дается представление о экономических отношениях на микро- и макроуровне; рассматривается роль государства в экономике, в том числе на уровне мировой экономики.
Пособие предназначено для преподавателей ВУЗов и студентов неэкономических специальностей.






