Охлаждающим агентом в процессах конденсации и охлаждения технологических и энергетических потоков чаще всего является оборотная вода, поступающая из градирен. На предприятиях химического и нефтехимического комплексов 70-90 % общего объема воды систем оборотного водоснабжения используется на охлаждение и конденсацию технологических продуктов и рабочих агентов систем производства энергоносителей, а также в системах водяного или испарительного охлаждения конструктивных элементов технологических и силовых агрегатов.
Система оборотного водоснабжения представляет собой промежуточное звено между охлаждаемым источником сбрасываемой теплоты и окружающей средой. Это звено необходимо лишь для того, чтобы повысить интенсивность передачи теплоты от технологического оборудования наружному воздуху, поэтому вся тепловая энергия, отводимая оборотной водой, безвозвратно теряется. Кроме того, наносится ущерб экосистеме промышленного района, так как наряду с химическими выбросами в окружающую среду поступают и так называемые «термические выбросы», объемы которых на крупных производственных комплексах достигают гигантских масштабов.
Температура охлажденной технической воды зависит от параметров окружающей среды. В теплый период года ее температура возрастает на 10-20 °С и часто значительно превышает уровень, необходимый для нормальной эксплуатации технологического оборудования. В результате на предприятии снижаются производительность и качество выпускаемой продукции, существенно возрастает процент брака. Кроме того, повышение температуры оборотной воды до 35 0С приводит к интенсивному выпадению солей карбонатной жесткости на поверхности теплообмена, что ухудшает условия теплопередачи и снижает срок службы оборудования.
Поскольку технологическая линия работает непрерывно в течение всего года, за исключением кратковременных периодов плановопредупредительных ремонтов, подбор оборудования, охлаждаемого оборотной водой, производят, исходя из расчетной температуры воды в наиболее теплое время года. В результате завышаются значения необходимой площади теплообменной поверхности и, следовательно, снижаются технико-экономические показатели устанавливаемого оборудования.
Значительные потери технической воды происходят в процессе ее испарения и продувки системы оборотного водоснабжения. Эти потери составляют 5-7 % общей производительности системы. Контакт охлаждаемой в градирнях воды с атмосферным воздухом приводит к ее загрязнению и интенсивному зарастанию теплообменных поверхностей водорослями, ракушками и прочими биологическими образованиями. Для сооружения градирен необходимы большие территории, так как разрыв между градирнями и соседними объектами должен составлять 15-40 м.
Несмотря на перечисленные недостатки, системы оборотного водоснабжения широко используются, поскольку просты в эксплуатации, не требуют больших капиталовложений, а себестоимость технической воды как хладоносителя не идет ни в какое сравнение со стоимостью холода, вырабатываемого парокомпрессионными холодильными установками.
В целях снижения объемов сточных вод, а также уменьшения затрат на водоподготовку и обезвреживание стоков на промышленных предприятиях целесообразно организовывать замкнутые системы оборотного водоснабжения, поскольку оборотная вода, отводимая от потребителей, только нагревается, и ее химическое загрязнение возможно в случаях возникновения аварийных ситуаций.
Системы оборотного водоснабжения разделяют на локальные, централизованные и групповые, объединяющие нескольких потребителей по территориальному признаку.
В локальных системах каждый потребитель охлажденной воды связан с индивидуальным водоохлаждающим устройством.
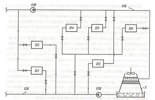
В централизованных системах обратная вода собирается от всех потребителей в единый коллектор и направляется в одну или несколько водоохлаждающих установок, размещенных на специально отведенной территории. Охлажденная вода распределяется между потребителями также по единому подающему коллектору (рис. 2.13).
Групповые системы занимают промежуточное положение между локальными и централизованными системами.
В настоящее время на крупных промышленных предприятиях получили распространение преимущественно централизованные системы, так как для них требуется наименьшее количество устанавливаемых водоохлаждающих устройств и транспортирующих насосов. Однако такие системы обладают недостатками, приводящими к чрезмерным материальным, энергетическим и эксплуатационным затратам.
1. При организации централизованных систем оборотного водоснабжения создается сложная разветвленная система водоводов, функционирование которой обеспечивается установкой высокопроизводительных насосов с электродвигателями высокого напряжения и большой установленной мощности. Известно, что общая установленная мощность оборудования в централизованных системах энергообеспечения оказывается существенно меньшей по сравнению с суммой установленных мощностей децентрализованных систем, предназначенных для обслуживания той же группы потребителей.

Рис. 2.13. Централизованная система оборотного водоснабжения:
П1-П6 – потребители охлажденной воды; Г – вентиляторная градирня; ПК – подающий коллектор; ОК – коллектор обратной воды; ПН, ОН – насосы подающей и обратной линий
Однако возникают значительные дополнительные гидравлические потери, связанные с необходимостью транспорта воды на значительные расстояния и распределения ее между многочисленными потребителями. В связи с этим эффект от централизованной установки мощного напорного оборудования нельзя оценивать однозначно.
2. Производительность централизованных систем в реальных условиях не регулируется, т.е. при отключении или подключении ряда потребителей объем воды, циркулирующей в системе, не изменяется.
3. Температура в подающем и обратном коллекторах для всех потребителей одинакова, поскольку учесть эксплуатационные и режимные характеристики обслуживаемых объектов в данных условиях невозможно.
4. При остановке градирни для планового ремонта или возникновении аварийной ситуации всех потребителей необходимо переводить на водопроводную воду или полностью отключать от системы оборотного водоснабжения.
5. На химических и нефтехимических предприятиях достаточно высока вероятность местного загрязнения оборотной воды продуктами производства. Распространяясь по всей системе, оно может нанести ущерб потребителям, предъявляющим повышенные требования к качеству используемой воды. Замена всей оборотной воды в крупной централизованной системе требует больших экономических затрат, а в ряде случаев может оказаться неосуществимой.
6. Для обслуживания централизованной системы, которая включает в себя также и насосную станцию, нужно содержать специальный штат.
Для эффективного управления и эксплуатации систем оборотного водоснабжения на крупных промышленных предприятиях, занимающихбольшие земельные пространства, целесообразно отказаться от их централизации. Более предпочтительным представляется вариант, при котором потребители объединяются в группы по территориальному признаку и режимным характеристикам. Для обеспечения каждой группы оборотной водой используются локальные водоохладители, режим работы которых ориентируется на требования, предъявляемые конкретной группой потребителей.
Локальные системы могут быть включены в технологическую схему потребителя охлажденной воды, размещаться в непосредственной близости от него, и не требуют дополнительного обслуживающего персонала. Водоохладители небольшой мощности в случае нехватки производственных площадей могут быть установлены как внутри здания, так и снаружи - на крышах, антресольных площадкax и т.п. Они позволяют обеспечить оптимальный режим работы индивидуального потребителя в отношении расхода, температуры и качества оборотной воды.
Централизованные системы могут использоваться на небольших предприятиях при условии незначительных отклонений от требований потребителей к качеству и параметрам используемой оборотной 'воды. На крупных предприятиях из-за большого расхода охлаждающей воды в системах оборотного водоснабжения в качестве водоохлаждающего устройства используются градирни башенного и вентиляторного типов производительностью более 1000 м3/ч. При эксплуатации систем оборотного водоснабжения с водоохладителями такого типа возникают потери воды, зависящие от технологических условий их функционирования. Объем подпиточной воды Qп, м3/с, определяется из материального баланса системы
QП=Qун+QТ+Qпр+Qисп (2.9)
где Qун ‒ потери воды с капельным уносом в градирнях (0,3-0,5 % суммарного объема циркулирующей воды), м3/с; Q T ‒ потери воды в технологических процессах (l % общего объема), м3/с; Qпр ‒ продувка воды в системе (8-10 % суммарного объема), м3/с; Qисп ‒ потери воды, испарившейся в градирне (2-3 % объема циркулирующей воды), м3/с.
Для снижения удельных материальных и эксплуатационных затрат служат водоохладители эжекционного типа, которые относятся к прямоточным распылительным аппаратам. Вода впрыскивается в аппарат через форсунку 1 (или систему форсунок) под избыточным давлением 0,2-0,4 МПа (рис. 2.14). Максимальной энергетической эффективности распыления соответствует перепад давления на форсунке 0,2-0,3 МПа. Воздух эжектируется потоком капель и вовлекается в область зоны контакта 2. Достигнув стенок в зоне сепарации 3, капли воды теряют импульс и стекают в виде пленок в нижнюю часть аппарата.
Учитывая, что организация систем оборотного водоснабжения сопряжена с большими капитальными вложениями и высокими эксплуатационными затратами на их содержание, крупные предприятия химического и нефтехимического комплексов заинтересованы в росте эффективности их работы. Наилучших результатов можно достичь, комбинируя следующие методы.
1. Интенсификация процессов охлаждения воды в градирнях. В частности, при установке устройств вторичного дробления капель воды за счет роста поверхности контакта с воздухом эффективность охлаждения возрастает на 10-40%. К методам интенсификации водоохлаждающих устройств относятся:
оптимизация систем орошения насадки градирен с учетом аэродинамических условий контакта;

Рис. 2.13. Водоохладитель эжекционного типа с выносным сепаратором:
1 – зона контакта; 2 – зона сепарации; 3 – форсунка; 4 – закручивающие лопатки
увеличение производительности градирни при сохранении температурного перепада;
организация подачи дополнительного объема воздуха в приосевую область градирни.
2. Переход от централизованных систем оборотного водоснабжения к групповому и индивидуальному водоохлаждению на базе эффективных и компактных устройств, в том числе и эжекционного типа, позволяющих обеспечить оптимальный режим совместной эксплуатации технологического и энергетического оборудования.
3. Интенсификация теплообменного оборудования, обеспечивающего отвод теплоты от технологического продукта. В настоящее время в системах охлаждения и конденсации промышленных предприятий применяются в основном поверхностные теплообменники кожухотрубного, змеевикового и погружного типов. Для таких аппаратов хорошие результаты дают инерционные интенсификаторы различных форм и геометрических размеров.
4. Снижение нагрузки водоохлаждающих устройств за счет утилизации ВЭР охлаждаемых продуктов и конструкционных элементов.
По условиям эксплуатации градирни могут обеспечить снижение температуры оборотной воды не более чем на 8-15 °С. В конструктивных элементах в целях предотвращения образования застойных зон организуют проточное охлаждение. При этом фактический нагрев воды не превышает 5-10 °С. Данные условия ограничивают потенциал ВЭР теплового сброса на уровне 30-40 °С, утилизация которого в ощутимых объемах на крупных промышленных производствах невозможна. Кроме того, на стадиях выделения и разделения продуктов нефтехимических производств часто организуется ступенчатое охлаждение верхних продуктов (рис. 2.15). Для повышения температурного напора и удельных нагрузок теплообменников на верхних ступенях в качестве рабочего агента используются аммиак, фреон и прочие хладагенты данной группы. В результате температура отводимой теплоты значительно снижается и приближается к температуре окружающей среды, что лишает ее какой-либо ценности.
Возможность эффективного использования ВЭР появляется при организации замкнутой утилизационной системы, связывающей источник ВЭР (рис. 2.16), потребителя теплоты, а также, при необходимости, установку для повышения температуры ВЭР (теплонасосные установки, компрессоры, догреватели и пр.) и водоохлаждающee устройство. Для повышения тепловой и термодинамической эффективности системы целесообразно использовать высокоэффективные теплообменники на
термосифонах или тепловых трубах, позволяющие обеспечить теплосъем при очень низких температурных напорах (менее Δtн= 5 °С).
5. При низких температурах наружного воздуха в целях экономии энергоресурсов и уменьшения вредного воздействия на окружающую среду следует переходить на воздушное охлаждение. В этот период испарение влаги сосредоточивается в приземной области, вызывая обмерзание сооружений.
|
|
