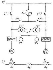
Метод заключается в том, что генератор подключают на шины ГРЩ не прямо, как при точной синхронизации, а через токоограничивающее реактивное сопротивление X
, включенное в каждую фазу (рис. 3.16, а). Это сопротивление называется реактором.
Грубую синхронизацию выполняют в следующем порядке:
1. уравнивают частоты и напряжения СГ, что проверяют при помощи частотомера РF и вольтметра РV;
2. в произвольный момент времени замыкают контакт КМ2 (КМ1), тем самым включая генератор G2 (G1) на шины ГРЩ через реактор x
;
3. через несколько секунд, в течение которых генератор втягивается в синхронизм, включают АВ QF2 (QF1) и размыкают контакт КМ2 (КМ 1).

Рис. 3.16. Схемы грубой синхронизации (а) и замещения для одной фазы (б)
Поскольку включение генератора на шины выполняют в произвольный момент времени, роторы СГ, а значит, векторы напряжения сети Ū
и ЭДС Ē
подключаемого генератора в момент включения могут занимать любое взаимное положение.
Поэтому включение СГ сопровождается бросками тока и механическими ударами на валу, которые ограничиваются реактором до безопасных значений. Сам же метод иногда называют методом несинхронного включения СГ.
|
|
|
Сопротивление реактора рассчитывают исходя из наиболее тяжелого случая вклю
чения, когда положение роторов СГ отличается на 180°. При этом векторы Ū
и ЭДС Ē
в контуре, образованном статорными обмотками генераторов, совпадают по фазе, т. е.
Ū
+ Ē
≈ 2 Ū
.
Тогда наибольшее значение тока в момент включения определится по схеме заме-
щения (рис. 3.16, б):
I
= 2 U
/ (x
+ x
+ x
)≤ (2,5…3,5) I
,
где I
- номинальный ток генератора.
На многих судах грубая синхронизация СГ выполняется полуавтоматически: урав-
нивание напряжений генераторов обеспечивают автоматические регуляторы напряжения, примерное уравнивание частот выполняет оператор (электромеханик или вахтенный меха
ник), а выбор момента включения генератора на шины при Ū
+ Ē
= 0 обеспечивает аппаратура схемы синхронизации.
К достоинствам метода можно отнести простоту, надежность и непродолжитель-
ность.
Метод допускает погрешность при уравнивании напряжений генераторов до ±10 % номинального и частот до ± (3-4) % номинальной.
При правильном расчете и выборе реактора втягивание включенного генератора в синхронизм происходит в течение 1,5-3,0 с, а провал напряжения не превышает 20 % но-
минального.
Процесс синхронизации длится недолго, поэтому реактор рассчитывают на непро-
должительную работу. Сопротивление реакторов зависит от мощности синхронизируемых СГ и обычно составляет несколько Ом, а масса - десятки килограммов.
Генераторы синхронизируются с сетью поочередно, поэтому для их включения на шины ГРЩ используют один и тот же реактор.
|
|
|