Инструкции заводов-изготовителей предусматривают заряд АБ в режиме постоян-
ства тока (иногда в 2 ступени).
Такой режим заряда обеспечивает наибольший срок службы АБ.
Для того чтобы зарядный ток Iз не изменялся на протяжении всего цикла заряда, нужно увеличивать зарядное напряжение Uз, так как по мере заряда батареи ее ЭДС увеличивается, а при Iз = соnst зарядный ток будет уменьшаться.
Проще заряжать АБ при неизменном напряжении Uз. Этот режим протекает с уменьшающимся Iз. Его технически обеспечить проще, так как Uз = соnst, но такой заряд менее благоприятен для АБ.
Так как большинство судов построено с СЭЭС переменного тока, то для заряда АБ требуются преобразователи переменного тока в постоянный (выпрямительные устройства).
Их собирают на статических выпрямителях или тиристорах UZ (рис. 5.10), только на старых судах можно встретить вращающиеся преобразователи переменно-постоянного тока.

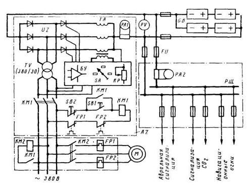
Рис. 5.10. Принципиальная схема зарядно-питающего устройства с автомати-
ческим управлением
|
|
|
Большинство зарядных устройств работают параллельно с АБ, заряжая их и поддер
живая напряжение на приемниках. Такой режим работы ЗУ называется буферным.
При отключении зарядных устройств АБ продолжает энергоснабжение приемников электроэнергии.
Зарядные устройства не включают непосредственно на стартер.
Комплекс оборудования, обеспечивающий заряд АБ, а иногда и одновременное пи-
тание низковольтных приемников, называется зарядно-питающим устройством.
Схемы и конструктивное исполнение ЗПУ отличаются большим разнообразием.
На рис. 5.10 показано ЗПУ с автоматическим зарядным устройством АZ.
В ЗПУ входят также электродвигатель М вентилятора аккумуляторного помеще-
ния с пускателем КМ2, аккумулятором GB и РЩ.
При наличии напряжения 380 В нажатием на кнопку SВ1 включают схему заряда и двигатель М. При его перегрузке с помощью тепловых реле FР1, FР2 отключаются М и зарядное устройство АZ.
Таким образом предотвращается накопление взрывоопасных газов в аккумулятор-
ной.
Выпрямительное устройство UZ собрано на диодах и тиристорах. Сигнал управле-
ния зарядным током создается трансформатором тока ТА.
Блок БУ автоматического управления зарядным током имеет переключатель, позво
ляющий перейти на ручное управление.
Напряжение ЗПУ одновременно поступает на аккумуляторы и РЩ. Блок управле-
ния собран на операционных усилителях.
Переключателем SА можно выбрать один из трех режимов его работы.
Первый режим (Uз = 25…27 В) нормального заряда и второй (Uз =27…31 В) уско-
ренного заряда фактически обеспечивают заряд с ручным управлением.
|
|
|
Регулирование напряжения в указанных пределах осуществляется переменным резистором RP.
В третьем, автоматическом, режиме в зависимости от значения зарядного тока на-
пряжение изменяется автоматически в пределах 25…31 В.
Приемники, получающие питание от РЩ, могут работать при таких колебаниях напряжения питания.
При КЗ на выходе выпрямителя UZ автоматически увеличивается угол управления тиристорами и напряжение ЗПУ уменьшается до безопасного для приемников значения.
Контроль параметров заряда осуществляется по амперметру РА1 и вольтметру РV, контроль нагрузки - по амперметру РА2.
Повышенной надежностью и другими высокими эксплуатационными качествами обладают зарядные агрегаты типа ВАКЗ (выпрямительный агрегат, кремниевый, заряд-
ный). Например, агрегат типа ВАКЗ-1-4-40М (морской, напряжение питания 220/380 В, частота 50 Гц, номинальная мощность 1 кВт) обеспечивает автоматическую стабилизацию зарядного тока в диапазоне 3…25 А при автоматическом изменении напряжения на выхо-
де от 12 до 40 В.
Схема зарядного агрегата собрана на шести тиристорах, управляемых по значению зарядного тока.
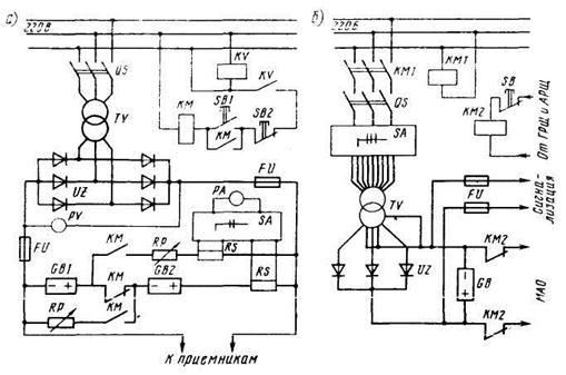
На рис. 5.11 показаны схемы более простых ЗПУ с ручным регулированием значе-
ния зарядного тока.

Рис. 5.11. Принципиальная схема зарядно-питающих устройств с ручным управлением:
а – с переключающим контактором; б – с секционированием первичной обмотки трансформатора
При наличии напряжения 220 В (рис. 5.11, а) включается реле КV и при нажатии на кнопку SВ1 включается контактор КМ.
Через его замкнувшиеся контакты и регулировочные резисторы RP протекает ток заряда аккумуляторов.
С помощью шунтов RS и переключателя SА контролируют ток заряда.
При отсутствии напряжения 220 В контактор КМ, потеряв питание, переключает аккумуляторы GВ1, G В2 впоследовательную цепь и на приемники.
В схеме ЗПУ, представленной на рис. 5.11, б, регулирование напряжения заряда вы
полняется с помощью переключателя SА, подключенного к секционированным первич-
ным обмоткам трансформатора TV питания.
В обычном режиме контакторы КМ1 и КМ2 находятся под напряжением. Через вы-
прямитель UZ з аряжается батарея GВ и одновременно напряжение поступает на цепи сиг-
нализации.
В аварийном режиме контакторы обесточиваются, заряд аккумуляторной батареи GВ прекращается: теперь ее электроэнергия расходуется на питание сетей сигнализации и малого аварийного освещения МАО.