предназначена для удаления воздуха и парогазовой смеси из оборудования первого контура (реактора, компенсатора давления, парогенераторов) в барботажный бак и выполнена как защитная система безопасности.
Система может использоваться как в условиях нормальной эксплуатации, так и в аварийных ситуациях и относится к I категории сейсмостойкости. В авариях разрыва паропровода при отказе штатного подпиточного узла и предохранительных клапанов компенсатора давления, система используется для принудительного снижения давления в первом контуре.
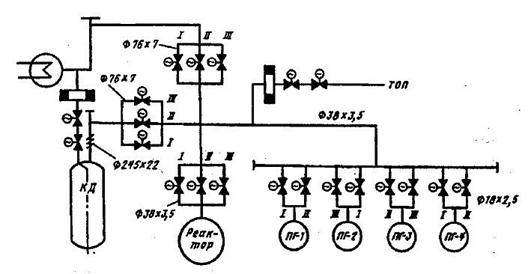
Система состоит из трубопроводов, связывающих основное оборудование и барботажный бак, и установленной на них трубопроводной арматурой:
трубопроводы сброса из компенсатора давления;
трубопроводы сброса из реактора;
трубопроводы сброса из коллекторов парогенераторов.

I, II, III - источники надежного питания
Расчетные параметры системы: давление - 17,7 МПа, температура - 350 °С.