Допуск
Натурный размер - фактический размер элемента в процессе его изготовления
Lф = L0 ± ∆/2, где
Расположение и взаимосвязь конструктивных элементов следует координировать на основе модульной пространственной координационной системы путем их привязки к координационным осям.
4. Привязка конструктивных элементов к координационным осям.
Привязку несущих стен к координационным осям принимают в зависимости от их конструкции и расположения в здании.
Геометрическая ось внутренних несущих стен должна совмещаться с координационной осью рис. 6 а; асимметричное расположение стены по отношению к координационной оси допускается в случаях, когда это целесообразно для массового применения унифицированных строительных изделий, например, элементов, лестниц и перекрытий, рис. 6а.
Внутренняя координационная плоскость наружных несущих стен должна смещаться внутрь на расстояние f от координационной оси, равное половине координационного размера толщины параллельной внутренней несущей стены d0вн/2 или кратное М, 1/2М или 1/5М рис. 6 б, в.
|
|
|
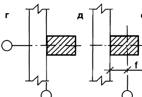
При опирании плит перекрытия на всю толщину несущей стены допускается совмещение наружной координационной плоскости стен с координационной осью, рис. 6 г.






Рис. 6. Привязка стен к координационным осям:
а – внутренних несущих стен; б, в, г – наружных несущих стен; д, е – наружных самонесущих и навесных стен.
Внутренняя координационная плоскость наружных самонесущих и навесных стен должна совмещаться с координационной осью, рис. 6 д или смещаться на размер с учетом привязки несущих конструкций в плане и особенностей примыкания стен к вертикальным несущим конструкциям или перекрытиям, рис.6 е.
Привязка колонн к координационным осям в каркасных зданиях должна применяться в зависимости от их расположения в здании.
Колонны средних рядов следует располагать так, чтобы геометрические оси их сечений совмещались с координационными осями, рис. 7а. Допускаются другие привязки колонн в местах деформационных швов, перепада высот и в торцах здания, а также в отдельных случаях обусловленных унификацией элементов перекрытий в зданиях с различными конструкциями опор.
Привязку крайних колонн каркасных зданий к крайним координационным осям принимают с учетом унификации крайних элементов конструкции с рядовыми элементами; при этом, в зависимости от типа и конструктивной системы здания, привязку следует осуществлять одним из следующих способов:
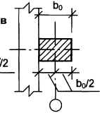
· Внутреннюю координационную плоскость колонн смещают от координационных осей внутрь здания на расстояние, равное половине координационного размера ширины колонны средних рядов, рис. 7б.
|
|
|
· Геометрическую ось колонн совмещают с координационной осью, рис. 7 в.



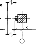
Рис. 7. Привязка колонн каркасных зданий к координационным осям:
а – средних рядов; б-д – крайних рядов; е – в торцах зданий.
· Внешнюю координационную плоскость колонн совмещают с координационной осью 7 г.
Внешнюю координационную плоскость колонн допускается смещать от координационных осей наружу на расстояние f, кратное модулю 3М, а при необходимости М или 1/2М, рис. 7 д.
В торцах зданий допускается смещать геометрические оси колонн внутрь здания на расстояние k, рис. 7е, кратное модулю 3М, а при необходимости М или ½ М.
Литература
1. Архитектура: Учеб. для студентов сантехн. специальностей строит. вузов / Орловский Б.Я., Магай А.А., Бабаян Г.А., Сербинович П.П.; Под ред. Б.Я. Орловского.- 2-е изд., перераб. и доп.- М.: Высш. шк., 1984.- с. 81 – 92.
2. Архитектура гражданских и промышленных зданий. Учебник для вузов. В 5 т. Под общ. ред. В.М. Предтеченского. Т. II. Основы проектирования. Изд. 2-е, перераб. и доп. М.: Стройиздат, 1976. с. 26 – 29, 119 – 124, 141 – 158.
3. Архитектура гражданских и промышленных зданий. Учебник для вузов. В 5-ти т. Под общ. ред. В.М. Предтеченского Т. 4. Великовский Л.Б. Общественные здания. М.: Стройиздат, 1977.- с. 21 – 87.
4. Сербинович П.П. Архитектура гражданских и промышленных зданий. Гражданские здания массового строительства. Учеб. для строительных вызов. Изд. 2-е, испр. и доп. М.: Высшая школа, 1975. с. 100 – 110.
5. Архитектурное проектирование: Учеб. для техникумов / М.И. Тосунова, М.М. Гаврилова, И.В. Полещук; Под ред. М.И. Тосуновой. – 3-е изд., перераб. и доп. – М.: Высш. шк., 1988. – с. 122 – 142.






