Основное оборудование электростанций
Потребление и производство электроэнергии
Все добываемое органическое топливо перерабатывается и используется в следующих направлениях с примерной оценкой доли в общем балансе:
· транспорт – 25%;
· низкопотенциальные технологии – 20 %;
· высокопотенциальные технологии – 20 %;
· производство электроэнергии – 35 %.
Постоянное возрастание относительных объемов топлива, которое перерабатывается в электроэнергию, объясняется рядом важных преимуществ электричества перед другими видами энергии. К ним относятся следующие свойства электроэнергии:
· экологическая чистота;
· простота преобразования в другие виды энергии (механическую, тепловую, световую и др.);
· легко транспортируется с малыми потерями;
· простой учет;
· удобна для автоматизации.
Сегодня в мире ежегодно производится более 14000 млрд. кВт·ч электроэнергии. Примерно 63 % вырабатывается на тепловых электростанциях, 19 % на ГЭС и 18 % на АЭС. На каждого жителя планеты приходится более 2000 кВт·ч электроэнергии в год. При этом в восьми странах, в основном северных, на человека приходится более 10000 кВт·ч, в России примерно 5000 кВт·ч.
|
|
|
В России вырабатывается около 900 млрд. кВт·ч в год. Установленная мощность всех электростанций примерно 205 ГВт, из них 40 ГВт, выработавших свой ресурс, должны быть демонтированы в ближайшие годы. В структуре генерирующих мощностей доля ТЭС – 68 %, ГЭС –21 %, АЭС– 11 %.
Основой ТЭС являются блоки мощностью от 150 до 800 МВт. Сегодня в эксплуатации находятся 7 блоков мощность 500 МВт, 15 блоков по 800 МВт и 1 блок мощностью 1200 МВт. Максимальная мощность блока АЭС – 1000 МВт, ГЭС – 640 МВт.
Объем потребления электроэнергии в России составляет примерно 800 млрд. кВт·ч в год. Более 11 % выработанной электроэнергии расходуется на транспорт ее до потребителей, т.е. теряется при передаче. Небольшая часть вырабатываемой электроэнергии экспортируется.
Структура потребления постепенно меняется и сегодня ориентировочно
выглядит следующим образом:
· промышленность – 58 %;
· транспорт – 9,9 %;
· сфера услуг – 11,7 %;
· коммунально-бытовой сектор – 11,1 %;
· сельское хозяйство – 8,8 %.
Для обеспечения надежного электроснабжения потребителей 94% электростанций России объединены в единую энергосистему ЕЭС России, установленная мощность которой 193,6 ГВт.
Основное силовое электрическое оборудование электростанций не зависит от их типа и включает синхронные генераторы разной мощности и типа, силовые трансформаторы и коммутационное оборудование.
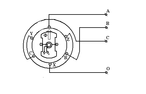
Используется для преобразования механической энергии первичного двигателя – турбины в электрическую энергию. Принцип работы синхронного генератора основан на законе электромагнитной индукции Фарадея, который в самом общем виде устанавливает, что ЕДС определяется скоростью изменения магнитного потока Ф, который пронизывает контур проводника. Синхронный генератор переменного трехфазного тока (рис. 3.1) состоит из неподвижного статора и вращающегося под действием турбины ротора.
|
|
|

Рис. 3.1. Принципиальная схема синхронного генератора
Обычно ротор выполняется в виде электромагнита, имеющего одну или несколько пар полюсов. Магнитный поток создается обмоткой возбуждения, которая питается от специального источника постоянного тока – возбудителя через контактные кольца и щетки.
В пазах статора, выполненного из листов электротехнической стали, размещаются медные стержни, соединяемые по торцам в три фазные обмотки, сдвинутые в пространстве на 120 электрических градусов. При вращении ротора в каждом стержне наводится ЭДС, пропорциональная магнитной индукции, длине стержня и скорости вращения ротора. Для получения синусоидальной ЕДС необходимо, чтобы распределение индукции по окружности было синусоидальным. Так как все стержни обмоток соединяются последовательно, то ЕДС на зажимах обмоток определяется суммой ЕДС каждого стержня. За один оборот ротора при одной паре полюсов происходит полный период изменения ЕДС.
Частота переменного тока f при вращении ротора со скоростью n оборотов в минуту и числе пар полюсов p определяется по формуле
f=pn /60.
Мощный синхронный генератор представляет собой сложное и громоздкое сооружение. Масса генератора мощностью 800 МВт около 480 т, а ротора 80 т. Размеры ротора ограничены условиями механической прочности. Длина его не может превышать 8–10 м, а его диаметр1,2–1,3 м при n= 3000 об/мин. Ограничен и внешний диаметр статора, который не должен превышать железнодорожного габарита.
В этих условиях возможности роста единичной мощности генератора связаны с постоянным усложнением системы охлаждения его. Турбогенераторы мощностью 100 МВт охлаждались воздухом, для 150 МВт пришлось использовать водород, а при переходе на 200 МВт выполнять стержни полыми и прогонять уже и через них водород. В турбогенераторах 300 МВт для охлаждения обмоток статора стали применять дистиллированную воду. Сегодня внедряется система охлаждения 3В, при которой воду используют для охлаждения обмоток статора, ротора и железа статора.
Силовые трансформаторы
Номинальное напряжение, на которое рассчитаны обмотки статора ограничено возможностями изоляции его обмоток и сегодня не превышает 30 кВ. При этом ток статора для мощных генераторов достигает нескольких тысяч ампер. Например, для генератора 800 МВт при номинальном напряжении 24 кВ номинальный ток статора равен 21500 А. Для повышения напряжения и пропорционального снижения тока и применяются блочные трансформаторы.
Принцип действия их основан также на явлениях магнитной индукции(рис.3.2). В результате прохождения переменного тока, выдаваемого генератором, по первичной обмотке трансформатора в магнитной системе его создается переменный магнитный поток Ф, который в каждом витке обмоток наводит практически одинаковые ЕДС. Во вторичной обмотке повышающего трансформатора число витков значительно больше, чем в первичной, что и приводит к повышению напряжения.
Отношение числа витков n2/n1 определяет величину коэффициента трансформации. Для снижения напряжения у потребителей применяются понижающие трансформаторы.

Рис. 3.2. Принципиальная схема трансформатора
Мощные трансформаторы имеют сложную конструкцию и значительные размеры. Магнитная система, набранная из тонких изолированных листов электротехнической стали, с обмотками размещается в баке, заполненном трансформаторным маслом. Масло выполняет функции изоляции и отвода тепла. На крышке бака размещаются высоковольтные вводы каждой обмотки и другие элементы конструкции.
|
|
|