Технологическая схема преобразования энергии на ТЭС
Тема 4. Тепловые электрические станции
Контрольный тест
1. Сколько оборотов имеет гидрогенератор при р =18, работающий в энергосистеме США?
а) 180, б) 200, в) 360, г) 100.
2. Сколько млрд. кВт ч электроэнергии вырабатывают АЭС России в год?
а) 900, б) 180, в) 200, г) 100.
3. Установленная мощность ГЭС России в ГВТ.
а) 180, б) 21, в) 43, г) 200.
4. Сколько кВт ч в среднем потребляется на одного жителя России?
а) 9000, б) 4500, в) 5000, г) 450.
5. Какова доля в % электростанций России, работающих без связи с ЕЭС?
а) 12, б) 94, в) 10, г) 6.
6. Какой угол сдвига в пространстве в градусах имеют обмотки фаз статора турбогенератора при р =1?
а) 120, б) 240, в) 60, г) 90.
7. Какой угол сдвига в пространстве в градусах имеют полюса ротора при р =10?
а) 18, б) 36, в) 72, г) 9.
8. Сколько электроэнергии в млрд. кВт·ч потребляет промышленность России?
а) 800, б) 464, в) 900, г) 522.
9. Сколько электроэнергии в млрд. кВт·ч потребляется в с/х России?
а)170, б)90, в) 100, г) 70.
10. Каковы потери электроэнергии в России?
|
|
|
а) 80, б) 200, в) 70, г) 50.
11. Сколько колец на валу ротора необходимо для подачи тока в обмотки возбуждения полюсов для турбогенератора при р =2?
а) 1, б) 2, в) 3, г) 4.
12. Оцените скорость изменения потока, пронизывающего обмотку фазы А на рис. 3.1?
а) наибольшая, б) наименьшая, в) средняя, г) равная нулю.
13. Изменяется ли направление тока в обмотке возбуждения при вращении ротора?
а) да, б) нет
14. Как изменится ЭДС статора, если ток возбуждения увеличится на 20%?
а) возрастёт на 40%, б) уменьшится на 20%, в) возрастёт в 1,2 раза, г) не изменится.
15. Силовой повышающий трансформатор имеет коэффициент трансформации Кт=10. Как изменится мощность на выходе трансформатора по сравнению с мощностью на входе?
а) увеличится, б) не изменится, в) снизится в 10 раз,
г) уменьшится на величину потерь.
16. Трансформатор имеет Кт=10. Как изменяются ЭДС, наведенные в витках обмоток трансформатора?
а) витковые ЭДС одинаковы, б) на стороне высокого напряжения больше, в) на стороне низкого напряжения больше.
17. Ток короткого замыкания превысил номинальный для выключателя в 6 раз. Как изменится объём тепла, выделяемого в контактной системе?
а) возрастёт в 6 раз, б) возрастёт в 36 раз, в) не изменится.
18. Как работает пружина 5 выключателя (рис. 3.3) при включении его?
а) разжимается, б) сжимается, в) не меняет состояния.
19. Для чего служит изолирующий цилиндр 9 выключателя (рис. 3.3)?
а) отделяет масло от бака, б) препятствует замыканию дуги на железо бака..
20. Чем определяется высота опорных изоляторов разъединителя (рис. 3.4)?
а) величиной номинального тока, б) величиной номинального напряжения, в) размером тяги 5, г) размером контактной системы.
|
|
|
Как известно, сегодня основным производителем электрической энергии являются тепловые электрические станции, на которых в России вырабатывается более 60 % электроэнергии. При этом на ТЭС используется органическое топлива: природный и попутный газ, каменный и бурый уголь, мазут и продукты нефтепереработки и другие виды топлива. На паротурбинных электростанциях роторы электрических генераторов приводятся во вращение паровыми турбинами, в которых тепловая энергия пара преобразуется в кинетическую, передаваемую ротору турбины. Таким образом, водяной пар является рабочим телом паротурбинной электростанции. Пар необходимых параметров вырабатывается в котле за счёт теплоты, выделяющейся при сгорании органического топлива.
Необходимо подчеркнуть, что если механическая, электрическая, химическая и другие виды энергии могут полностью превращаться в теплоту, то теплота не может быть полностью превращена в механическую и другие виды энергии, часть её неизбежно должна быть передана холодному источнику.
Преобразование теплоты в механическую работу возможно лишь при наличии разности температур между источником теплоты (горячим источником) и окружающей средой (холодным источником). Рабочее тело (газ или пар) должно совершить между этими источниками круговой процесс (термодинамический цикл), в результате которого оно вновь вернётся в первоначальное состояние.
Такой цикл предложен в середине прошлого века шотландским инженером-физиком У. Ренкиным и называется его именем. Цикл Ренкина в р и v координатах изображён на рис. 4.1. Здесь р –давление, а v–объем.

Рис. 4.1. Цикл Ренкина на перегретом паре
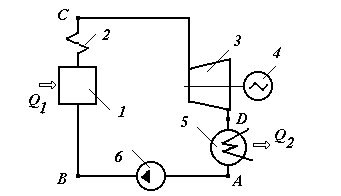
На тепловых электростанциях для повышения термического КПД цикла Ренкина применяют перегрев пара в специальном элементе котла – пароперегревателе до температуры, превышающей температуру насыщения при данном давлении. Схема установки, в которой реализован этот цикл, показана на рис. 4.2.
Отработавший пар в конденсаторе полностью конденсируется по изобаре до точки A. Затем вода сжимается адиабатно насосом от давления p2 до p1 и поступает в котёл (точка В), где к ней в изобарном процессе подводится теплота Q1 и вода нагревается до кипения, а затем происходит процесс парообразования и перегрева (точка С). Острый пар поступает далее в турбину, где расширяясь производит полезную работу (точка D).

Рис. 4.2. Схема тепловой установки, в которой осуществляется цикл
Ренкина на перегретом паре:
1–котел, 2–пароперегреватель, 3–паровая турбина, 4– синхронный генератор,
5– конденсатор, 6–питательный насос.
Конденсация пара происходит путем отвода тепла Q2 с циркуляционной водой, в большом количестве пропускаемой через конденсатор. Разность теплоты, полученной от горячего источника Q1, и переданной холодному источнику Q2 определяет полезную работу цикла. Отношение количества теплоты, превращенной в работу, к подведенной теплоте называют термическим КПД цикла ηт
.
Преобразование теплоты в работу неразрывно связано с процессами теплообмена. Теплообмен осуществляется тремя основными способами: теплопроводностью, конвекцией и тепловым излучением.
Теплопроводность представляет собой молекулярный перенос теплоты в телах или между ними. Конвекция происходит в жидкостях и газах. Она состоит в том, что перенос теплоты осуществляется при перемещении объёмов жидкости и газа в пространстве из одной температурной области в другую и сопровождается переносом самой среды.
Тепловое излучение – это процесс распространения теплоты с помощью электромагнитных волн. По природе это явление отлично от теплопроводности и конвекции и связано с двойным превращением энергии – тепловой энергии в лучистую и обратно.
|
|
|
В природе и технике перечисленные выше элементарные процессы теплообмена не обособлены, в чистом виде встречаются редко и обычно происходят совместно.
На рис. 4.3 показана упрощенная технологическая схема блока тепловой электростанции, которая отражает основной состав и взаимосвязь её технологических систем и общую последовательность протекающих в них процессов теплообмена.
В центре схемы размещается котел, в который подается топливо вместе с нагретым в воздухоподогревателе (13) воздухом, нагнетаемым дутьевым вентилятором (6). Острый пар после пароперегревателя (12) по главному паропроводу поступает в паровую турбину (1). Образовавшийся в конденсаторе (3) конденсат питательным насосом (5) через водяной экономайзер (10) подается в барабан (8) котла, Откуда по трубам опускается в коллектор холодной воды и затем поступает в экранные трубки котла. Продукты сгорания дымососом (7) выбрасываются в трубу (11).

Рис.4.3. Технологическая схема блока ТЭС
В состав тепловой электростанции входят: топливное хозяйство и система подготовки топлива к сжиганию; котельная установка – совокупность котла и вспомогательного оборудования; турбинная установка – совокупность турбины и вспомогательного оборудования; установка водоподготовки и конденсатоочистки; система технического водоснабжения, система золошлакоудаления; электротехническое хозяйство; система управления энергооборудованием.
Необходимый для горения топлива воздух подаётся в котёл дутьевыми вентиляторами. Продукты сгорания топлива – дымовые газы – отсасываются дымососами и отводятся через дымовые трубы в атмосферу. Совокупность каналов (воздуховодов и газоходов) и различных элементов оборудования, по которым проходят воздух и дымовые газы, образуют газовоздушный тракт тепловой электростанции. Входящие в его состав дымососы, дымовая труба и дутьевые вентиляторы составляют тягодутьевую установку. В зоне горения топлива входящие в его состав негорючие (минеральные) примеси претерпевают физико-химические превращения и удаляются из котла частично в виде шлака, а значительная их часть уносится дымовыми газами в виде мелких частиц золы. Для защиты атмосферного воздуха от выбросов золы перед дымососами (для предотвращения их золового износа) устанавливаются золоуловители.
|
|
|
Шлак и уловленная зола удаляются обычно гидравлическим способом за пределы территории электростанции на золоотвалы.
Совокупность оборудования, отдельных его элементов, трубопроводов, по которым движутся вода и пар, образует водопаровой тракт станции.
В котле вода нагревается до температуры насыщения, испаряется, а образовавшийся из кипящей (котловой) воды насыщенный пар перегревается. Из котла перегретый пар направляется по трубопроводам в турбину, где его тепловая энергия превращается в механическую, передаваемую валу турбины. Отработавший в турбине пар поступает в конденсатор, отдаёт теплоту охлаждающей воде и конденсируется.
Совокупность элементов, обеспечивающих конденсаторы охлаждающей водой, называют системой технического водоснабжения. К ней относятся: источник водоснабжения (река, водохранилище, башенный охладитель-градирня), циркуляционный насос, подводящие и отводящие водоводы. В конденсаторе охлаждающей воде передаётся около 55% теплоты пара, поступающего в турбину; эта часть теплоты не используется для выработки электроэнергии и бесполезно пропадает.
Топливо в том виде, в каком оно поступает на станцию, называют рабочим. Основной горючий элемент топлива – углерод, составляющий большую часть рабочей массы (50–75 % для твёрдых топлив и 83–85 % для мазутов). Количество водорода в твёрдых топливах невелико (2–6 %), в мазуте несколько больше (около 10 %). Сера несмотря на малое содержание её в топливе является вредной примесью. Образующиеся при её сгорании соединения с кислородом - оксиды вызывают коррозию оборудования и оказывают вредное влияние на окружающую среду.
Паровые котлы и паровые турбины являются основными агрегатами тепловой части электростанции.
Паровой котёл – это устройство, имеющее систему поверхностей нагрева для получения пара из непрерывно поступающей в него питательной воды путём использования теплоты, выделяющейся при сгорании органического топлива. Первые промышленные водотрубные котлы были предложены в 1890 году В.Г. Шуховым, которого по праву называют первым инженером Российской империи. К 1920 году в советской России эксплуатировалось более 500 котлов Шухова, которые по своим параметрам превосходили лучшие котлы фирмы «Баккок-Вилькокс».
В современных паровых котлах организуется факельное сжигание топлива в камерной топке, представляющей собой призматическую вертикальную шахту. Факельный способ сжигания характеризуется непрерывным движением топлива вместе с воздухом и продуктами сгорания в топочной камере.
Топливо и необходимый для его сжигания воздух вводятся в топку котла через специальные устройства – горелки. В топочной камере по всему периметру и по всей высоте стен обычно располагаются трубные плоские системы – топочные экраны, являющиеся радиационными поверхностями нагрева.
Поверхность нагрева, где вода подогревается до температуры насыщения, называется экономайзером. Образование пара происходит в парообразующей (испарительной) поверхности нагрева, а его перегрев – в пароперегревателе. Система трубных элементов котла, в которых движутся питательная вода, пароводяная смесь и перегретый пар, образует его водопаровой тракт.
Для непрерывного отвода теплоты и обеспечения приемлемого температурного режима металла поверхностей нагрева организуется непрерывное движение в них рабочей среды. При этом вода в экономайзере и пар в пароперегревателе проходят через них однократно. Движение рабочей среды через парообразующие (испарительные) поверхности нагрева может быть как однократным, так и многократным.
В первом случае котёл называют прямоточным, а во втором – котлом с многократной циркуляцией (рис. 4.4).
Водопаровой тракт прямоточного котла представляет собой разомкнутую гидравлическую систему, во всех элементах которой рабочая среда движется под напором, создаваемым питательным насосом. Впервые прямоточную схему предложил в 1931 году ученый-теплотехник Л.К. Рамзин – организатор и первый директор Всесоюзного теплотехнического института. Прямоточные котлы требуют меньше металла и более просты в изготовлении.

Рис. 4.4. Схемы водопаровых трактов котлов:
a) – прямоточная схема, б) – схема с естественной циркуляцией,
1 – питательный насос; 2 – экономайзер; 3 – коллектор; 4 – парообразующие
трубы; 5 – пароперегреватель; 6 – барабан; 7 – опускные трубы.
В котлах с естественной и многократной циркуляцией существует замкнутый контур, образованный системой обогреваемых и не обогреваемых труб, объединённых вверху барабаном, а внизу коллектором.
Поверхности нагрева котла – топочные экраны, пароперегреватели находятся в зоне высоких температур и работают при высоких внутренних давлениях – до 30 МПа, поэтому даже кратковременное прекращение движения по ним рабочей среды может привести к резкому повышению температуры металла и разрыву труб.
Перегретый пар по главному паропроводу поступает к турбогенераторам. Паровая турбина вместе с относящимися к ней регенеративными подогревателями, конденсатором, насосами, трубопроводами и арматурой образует паротурбинную установку.
Современная паровая турбина состоит из большого числа деталей, тщательно изготовленных и собранных в единый агрегат. Мощности современных энергетических турбоагрегатов постоянно повышаются, и в настоящее время основной прирост мощностей в энергосистемах происходит за счёт ввода турбоагрегатов 300, 500 и 800 МВт. На Костромской ГРЭС сооружён головной агрегат мощностью 1200 МВт.
Турбина (рис. 4.5) состоит из вращающейся части – ротора и неподвижной части – статора. К ротору относятся вал (2) и закреплённые на нём диски (3) с рабочими лопатками (4). Статор включает паровпускные органы, сопловые решётки, подшипники и другие детали. Корпус турбины (1) делается разъёмным в горизонтальной плоскости по центровой линии вала. Нижняя его часть опирается на фундамент, верхняя часть устанавливается на нижнюю и крепится по фланцам с помощью шпилек и гаек. Через паровпускные органы в сопловую коробку вводится свежий пар. Корпус заканчивается выхлопным патрубком, через который отработавший пар отводится из турбины.

Рис. 4.5. Схема паровой турбины
В неподвижных каналах – соплах (5) пар расширяется, при этом его давление и температура снижаются, скорость парового потока возрастает до нескольких сот метров в секунду и соответственно увеличивается его кинетическая энергия. Последняя используется в подвижных рабочих лопатках, закреплённых на дисках, насаженных на вал турбины. Между дисками располагаются неподвижные перегородки – диафрагмы (6), с закреплёнными на них соплами. Диафрагма и диск с рабочими лопатками, разделяемые уплотнителем (7), образуют ступень турбины. При большом числе ступеней (20-30) турбина состоит из нескольких цилиндров. Частота вращения паровых энергетических турбин обычно составляет 3000 об/мин, или 50 с–1, что соответствует принятой в СССР частоте переменного тока 50 Гц.
На рис. 4.6 дана схема одной из наиболее распространённых в нашей энергетике конденсационных турбин К-300-240 мощностью 300 МВт, работающей при начальном давлении пара 240 кгс/см2 (23,5 МПа). Температура свежего пара принята 540–5600С, частота вращения 3000 об/мин.
Турбина состоит из трёх цилиндров: цилиндра высокого давления (ЦВД), цилиндра среднего давления (ЦСД) и цилиндра низкого давления (ЦНД). В 12 ступенях ЦВД пар расширяется от указанных выше начальных параметров до давления 4 МПа, после чего направляется в промежуточный пароперегреватель ПП, установленный в котле, и далее с давлением 3,5 МПа и температурой 540–5600С поступает в ЦСД. В 12 головных ступенях ЦСД пар расширяется до давления 0,2 МПа, затем разделяется на 3 потока: одна треть проходит 5 ступеней низкого давления, расположенных в ЦСД, и поступает в конденсатор, а 2/3 пара по перепускным трубам подаются в ЦНД, где, разделяясь на 2 потока, проходят по пяти ступеням низкого давления и направляются также в конденсатор.

Рис. 4.6. Схема турбины К-300-240
Давление пара за последними ступенями перед входом в конденсатор равно 0,0035 МПа. Разделение пара в части низкого давления на три потока связано с большими объёмами пара в последних ступенях. Выпуск всего объёма пара через одну решётку приводит к недопустимым по соображениям прочности высотам рабочих лопаток. Даже при разделении пара в последних ступенях на три потока высота лопаток составляет 960 мм, а окружная скорость на их вершинах 540 м/с при массе последней лопатки 9,8 кг центробежная сила, действующая на неё, равна примерно 950 кН.
Отработавший пар конденсационных турбин и турбин с промышленными и теплофикационными отборами поступает в конденсатор, где поддерживается давление значительно ниже атмосферного. В конденсаторе осуществляется отвод теплоты от рабочего тела – пара при возможно более низкой температуре и давлении с превращением пара в конденсат, идущий вновь на питание котлов. Здесь теплота отдаётся охлаждающей (циркуляционной) воде. Конденсат не должен смешиваться с охлаждающей водой, имеющей большое количество примесей, поэтому конденсатор представляет собой теплообменник поверхностного типа.
Конденсатор (рис. 4.7) устанавливается под турбиной и представляет собой горизонтально расположенный сосуд, сваренный из листовой стали. Внутри корпуса конденсатора, на некотором расстоянии от его торцов, ввариваются специальные пластины с отверстиями, называемые трубными досками, в которые завальцовываются трубки, образующие поверхность теплообмена.

Рис. 4.7. Схема конденсатора.
1 – патрубок для выхода воды; 2 – крышка водяных камер; 3 – водяные камеры; 4 – трубные решетки; 5 – корпус конденсатора; 6 – пароприемная горловина; 7 –трубки; 8 – сборник конденсата; 9 –патрубок подвода воды; 10 – патрубок для удаления воздуха.
Для охлаждения 1 кг отработавшего пара расходуется 50,…,100 литров воды. При этом на ТЭС применяется прямоточная или замкнутая система охлаждения.