Многоступенчатое сжатие в компрессоре
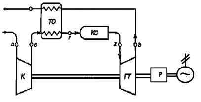
Регенерация теплоты в ГТУ от газов выходящих из турбины осуществляется для подогрева воздуха подводимого в камеру сгорания, что позволяет обеспечить требуемую максимальную температуру цикла Tz. Схема ГТУ с подводом теплоты при р= const и регенерацией теплоты приведена на рис. 3.15.

Рис. 3.15. Схема ГТД с регенерацией теплоты:
К – компрессор; ТО – теплообменник; КС – камера сгорания;
ГТ – газовая турбина; Р – редуктор
В эту схему вводится теплообменник (ТО), в котором выходящие из турбины газы подогревают воздух, поступающий из компрессора в камеру сгорания. Термодинамический цикл такой ГТУ показан на рис. 3.16.
а) б)

Рис. 3.16. Термодинамический цикл ГТД с регенерацией теплоты:
а – в координатах pv; b – в координатах Ts
Цикл образует следующие процессы: а-с – адиабатное сжатие; c-r – изобарный подвод теплоты qто в теплообменнике, r-z – изобарный подвод теплоты q1 в камере сгорания, z-b – адиабатное расширение в турбине, b-e –изобарный отвод теплоты qто от продуктов сгорания в теплообменнике, e-a – изобарный отвод теплоты q2 в окружающую среду.
|
|
|
Количество теплоты, отдаваемое газом в теплообменнике и получаемое воздухом, соответствует площадям e0-e-b-b0-e0 = a0-c-r-r0-a0 и определяется по формулам
. (3.27)
Для оценки эффекта регенерации вводится степень регенерации, представляющей отношение значений действительного повышения температуры воздуха в теплообменнике (Tr – Tc) к максимально возможному 
. (3.28)
С целью увеличения термодинамического КПД и достижения степени регенерации теплоты близкого к единице (
) применяется регенеративный цикл с многоступенчатым сжатием воздуха и многоступенчатым расширением газа в турбинах.