.
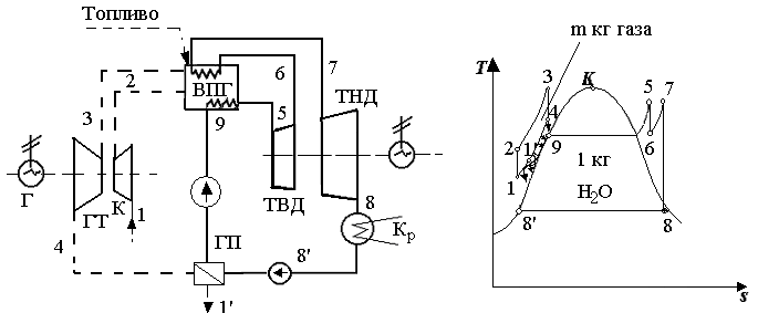
Пример 8. Парогазовая установка работает по следующей схеме (рис. 37): воздух из атмосферы (состояние 1) сжимается компрессором (состояние 2) и подается в топочное устройство высоконапорного парогенератора ВПГ, где сгорает топливо. Продукты сгорания сначала отдают часть своей теплоты нагретой до температуры кипения воде и водяному пару, циркулирующем в особом контуре, а затем направляются в газовую турбину ГТ (состояние 3), в которой изоэнтропно расширяясь, совершают полезную работу. Отработавшие газы (состояние 4) идут в газовый подогреватель ГП и нагревают в нем конденсат водяного пара до температуры кипения (состояние 9), после чего выбрасываются в атмосферу (состояние 1). Кипящая вода из подогревателя ГП направляется в парогенератор ВПГ, где испаряется и перегревается (состояние 5). Перегретый пар, отработав в турбине высокого давления ТВД (состояние 6), снова перегревается за счет теплоты топочных газов ВПГ (состояние 7),

а б
Рис. 4.5
Затем работает в турбине низкого давления ТНД (состояние 8) и конденсируется в конденсаторе Кр. Водяной цикл, таким образом, замыкается.
Рассчитайте термический КПД идеального бинарного парогазового цикла, если известны следующие параметры.
Газ: р1 = 0,1 МПа; t1 = 20 °С; t3 = 800 °С; t1’ = 120 °С;
.
Вода и водяной пар: р5 = 1,3 МПа; t5 = 565 °С; р6 = р7 = 3,0 МПа; t7 = 565 °С; р8 = 30 гПа;
Найдите отношения этого КПД и КПД цикла Карно для максимальной и минимальной температур бинарного цикла.
Газ считать обладающими свойствами воздуха, теплоемкость газа ср считать постоянной. Работой водяных насосов пренебречь.
Решение. Прежде всего определяем «недостающие» температуры в точках 2 и 4 газового цикла:
К;
К.
Из баланса теплоты в Гп определяем кратность газа по отношению к воде, т.е. количество газа, приходящегося на 1 кг воды. Тепловой баланс записывается в виде:
,
откуда
.
Здесь энтальпии h9 и h8’ кДж/кг, определены по таблицам [9] соответственно при р5 = 13 МПа и р8’ = 30 гПа.
Термический КПД бинарного цикла

Энтальпии воды из водяного пара h5, h7, h9 определены по таблицам при заданных параметрах, а h6, h8 получены в результате расчета изоэнтропных процессов. Теплоемкость газа
кДж/(кг·К).
Коэффициент полезного действия цикла Карно
.
Отношение 
Пример 9. В котельной установке при температуре окружающей среды tо=25 оС вырабатывается пар с температурой t2=550 оС. Температура продуктов сгорания в топке t1=1727 оС (теплотворная способность топлива
кДж/кг).
Найти эксергию теплоты топочных газов, получаемого пара и эксергетический КПД.






