Рис.12.2. Труба бурильная с приваренными замками по ТУ 14-3-1187-83
Рис. 12.1. Труба бурильная с приваренными замками по ТУ 14—3— 1293-84

Грат при сварке должен быть полностью удален с наружной и внутренней поверхностей. Требования к прямолинейности труб, проверке химического анализа, проверке механических свойств стали, к испытанию на растяжение и сплющивание приведен в ГОСТ 631 - 75.
Временное сопротивление разрыву сварного соединения и твердость в зонах сварного шва и термического влияния должны быть проверены на одной трубе из партии.
Результатом испытания считается среднеарифметическое значений, полученных при испытании трех образцов от каждого конца. Допускается снижение результатов испытаний для одного образца на 10 % ниже нормативного требования.
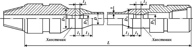
Замки (ниппели и муфты) для приварки к трубам по ТУ 14-3-1293-84 изготовляются по ТУ 39-10-082-84, а к трубам по ТУ 14-3-1187-83 согласно ТУ 26-02-964-83.
Для труб групп прочности Д и Е допускается изготовление замков из стали марки 40ХН с механическими свойствами по ГОСТ 5286-75. Замки к трубам по ТУ 14-3-1187-83 выпускаются по ТУ26-02-964 - 83.
Требования к замковой резьбе, допускаемым отклонениям элементов, чистоте поверхности, методам контроля должны соответствовать ГОСТ 5286 - 75. Замки изготавливаются из стали марки 40ХН с механическими свойствами по ГОСТ 5286 - 75.
На наружной цилиндрической поверхности ниппеля и муфт допускаются местные черновины от окалины, на внутренней поверхности черновины допускаются местные увеличения диаметра до 3 мм и не более 1 мм на участке резьбы. Разностенность ниппеля в плоскости торца малого основания конуса замковой резьбы не должна превышать 1,5 мм для замков ЗП-114и 2,0 мм для замков ЗП-127 мм.
Перекос осей замковой резьбы и наружной цилиндрической поверхности муфты или ниппеля не должен быть больше 1,75 мм на длине 1 мм.
Несоосность наружной и внутренней поверхностей хвостовика муфты или ниппеля относительно наружной цилиндрической поверхности муфты или ниппеля не должна превышать 0,4 мм в плоскости торца.
На торцах хвостовиков окалина не допускается. Средний ресурс до списания 500 циклов свинчивания-развинчивания. Каждая партия замков поставляется комплектно, резьба замковая покрывается антикоррозионной смазкой (например, К-17, по ГОСТ 10877-76).
Партия замков сопровождается сертификатом, удостоверяющим соответствие качества замков требованиям технических условий. Замковые детали подвергаются проверке механических свойств — на растяжение и ударную вязкость. Испытание на растяжение производится по ГОСТ 10006 - 80, а испытание на ударную вязкость по ГОСТ 9454 - 78.
Эксплуатация замков должна вестись согласно инструкции по эксплуатации. В процессе эксплуатации допускается до трех ремонтов замковой резьбы.
Легкосплавные бурильные трубы (ЛБТ) применяются в структурном, разведочном и эксплуатационном бурении, а также при капитальном ремонте скважин.
Выпускаются ЛБТ сборной конструкции (рис. 12.3, а ) гладкие и с протекторным утолщением, беззамковой конструкции, а также для компоновки низа бурильной колонны с увеличенной толщиной стенки. ЛБТ сборной конструкции гладкие и с протекторным утолщением изготовляются в соответствии с ГОСТ 23786-79; ГОСТ 23786-79.
ТБ - с внутренними утолщениями (рис. 12.3, б);
ТБП - с внутренними концевыми утолщениями и протекторным утолщением (рис. 12.4).

Рис. 12.3. Труба легкосплавная:
а- сборной конструкции; б - труба с внутренними утолщениями; 1 - муфта; 2 - труба; 3 - ниппель







