При роторном бурении долото приводится во вращение вращательным механизмом - ротором через бурильную колонну, выполняющую роль промежуточной трансмиссии между долотом и ротором.
Ротор служит также для поддерживания бурильной или обсадной колонны на весу при помощи элеватора или пневматических клиньев. Для выполнения перечисленных работ ротор должен обеспечивать необходимую частоту вращения бурильной колонны и легко менять направление вращения, грузоподъемность его должна несколько превышать вес наиболее тяжелой (бурильной или обсадной) колонны.
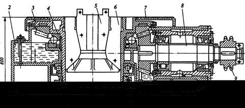
Ротор (рис. 17.3) состоит из литого стального корпуса 2, во внутренней полости которого на упорном шариковом подшипнике 4 размещен стол 3 с укрепленным с помощью горячей посадки зубчатым коническим венцом. Последний входит в зацепление с конической звездочкой, посаженной на валу 8, вращающемся на двух подшипниках. В нижней части устанавливается вспомогательная опора 1, закрепленная гайкой 10. Верхняя часть стола ротора закрывается кольцевым кожухом 7, ограждающим периферическую часть вращающегося стола. На консольной части роторного вала смонтировано цепное колесо 9, через которое подводится мощность к ротору.
|
|
|
Диаметр отверстия в столе ротора определяет максимальный размер долота, которое может быть пропущено через него. В связи с этим выпускают роторы с различными диаметрами проходного отверстия (от 400 до 760 мм). В центральное отверстие вставляют вкладыши 6, в которые вводят зажимы 5 для ведущей трубы. Перемещение вкладышей ротора и зажимов в осевом направлении предупреждается запорами, а закрепление стола осуществляется защелкой.
Для смазки трущихся деталей и отвода тепла, образующегося при работе зубчатых передач и подшипников, в станину ротора заливается масло.
В 30-х годах широко применялся привод ротора от специально устанавливаемых для него двигателей (привод индивидуальный ротора ПИР), а в настоящее время таким приводом снабжена только установка БУ-50Бр. Однако в некоторых районах при бурении глубоких скважин роторным способом, особенно в осложненных условиях, иногда применяют индивидуальный привод ротора ПИРШ4-2А, укомплектованный двумя электродвигателями мощностью 320 кВт, трехвальной коробкой перемены передач и ротором. Мощность от коробки передач к ротору отбирается при помощи специальных полужестких муфт. Ротор может работать при четырех скоростях вращения: 70, 140, 220 и 320 об/мин.
В других случаях отечественные буровые установки предусматривают отбор мощности от двигателей лебедки с помощью цепной или карданной передачи. При первом варианте мощность отбирается с одного из валов лебедки, выполняющего при этом функции трансмиссии, при втором варианте - непосредственно от двигателя лебедки с помощью карданной передачи.
|
|
|
В процессе роторного бурения часть мощности расходуется на привод поверхностного оборудования, вращение бурильной колонны и разрушение горной породы долотом. Рассчитать требуемую мощность на осуществление перечисленных работ очень трудно, так как затрата мощности зависит от очень многих факторов: диаметра бурильной колонны и скважины, длины бурильной колонны, свойств промывочной жидкости и т.д. Поэтому можно сделать только ориентировочные расчеты, используя эмпирические формулы, показывающие, что на вращение поверхностного оборудования и бурильной колонны затрата мощности прямо пропорциональна длине колонны, квадрату диаметра бурильной колонны, плотности промывочной жидкости и частоте вращения бурильной колонны в степени, близкой к 2. Отсюда следует, что с ростом глубины скважины бесполезная затрата мощности возрастает и, следовательно, подводимая к долоту мощность уменьшается.
На условия работы ротора влияют и изменения нагрузки на долото. Так, при увеличении нагрузки возможно такое сочетание, когда величина вращающего момента, передаваемого бурильной колонной, окажется недостаточной для преодоления сопротивления, встречаемого долотом со стороны горной породы. В результате долото начинает вращаться с меньшей частотой и даже может на некоторое время оказаться в заторможенном состоянии. В бурильной колонне при этом кинетическая энергия вращения переходит в потенциальную энергию кручения, которая после достижения определенного значения преодолевает сопротивление породы, и происходит обратный процесс - превращение потенциальной энергии кручения в кинетическую энергию вращения.
|







