Свойства транзистора сильно зависят от того каким образом он включен с точки зрения входного и выходного напряжений. Различают три схемы включения: с общей базой (ОБ), с общим эмиттером (ОЭ) и общим коллектором (ОК). Схема с ОБ показана на рис. 7.6.
![]() | ![]() |
| Рис. 7.6 Схема с общей базой | Рис. 7.7 Схема с общим эмиттером |
В схеме с общей базой входное напряжение прикладывается к эмиттеру, а выходное снимается с коллектора. База является общим контактом, относительно которого измеряются входное и выходное напряжения. В общем случае заземление в базе может отсутствовать. При уменьшении входного напряжения
напряжение на эмиттере (n-слой) уменьшается, поэтому эмиттерный переход открывается сильнее и ток коллектора
увеличивается. Аналогично, при увеличении входного напряжения
напряжение на эмиттере возрастает, значит эмиттерный переход закрывается сильнее и ток коллектора увеличивается. Таким образом, в схеме с общей базой увеличение входного напряжения приводит к уменьшению выходного тока, а уменьшение входного напряжения – к увеличению выходного тока.
|
|
|
Схема с общим эмиттером показана на рис. 7.7. В схеме с общим эмиттером (ОЭ) входное напряжение подается в базу, а выходное снимается с коллектора. Эмиттер является общим контактом, относительно которого задаются входное и выходное напряжения. При уменьшении входного напряжения
потенциал в базе (p-слой) уменьшается, поэтому эмиттерный переход закрывается и ток коллектора уменьшается. При увеличении входного напряжения
потенциал в базе возрастает, следовательно эмиттерный переход открывается сильнее и ток коллектора возрастает. Таким образом, в схеме с общим эмиттером увеличение входного напряжения приводит к увеличению выходного тока, а уменьшение входного напряжения – к уменьшению выходного тока.
![]() |
| Рис. 7.8 Схема с общим коллектором |
Схема с общим коллектором показана на рис. 7.8. В схеме с общим коллектором (ОК) входное напряжение подается в базу, а выходное снимается с эмиттера. Коллектор является общим контактом, относительно которого отсчитываются потенциалы. При повышении напряжения в базе потенциал на p-слое n-p-n-транзистора увеличивается, поэтому эмиттерный переход открывается сильнее. На коллекторе обычно сформировано некоторое напряжение, которое не дает открыться коллекторному переходу. Следовательно транзистор находится в активном режиме и ток коллектора
, а значит и ток эмиттера
, увеличиваются. Соответственно при уменьшении входного напряжения, потенциал базы уменьшается, эмиттерный переход закрывается сильнее и токи коллектора и эмиттера уменьшаются.
|
|
|
Биполярный транзистор характеризуется двумя ВАХ, вид которых зависит от схемы включения и типа транзистора – n-p-n или p-n-p-структуры. ВАХ биполярного транзистора n-p-n-структуры в схеме с ОЭ показаны на рис. 7.9. Первое слева семейство характеристик называется выходными ВАХ, а второе семейство – входными характеристиками. Из выходных ВАХ видно, что ток коллектора
увеличивается при увеличении тока базы
. При увеличении напряжения
ток коллектора сначала растет, а затем становится постоянным. На выходных ВАХ можно выделить пять областей. Область, для которой ток
соответствует режиму отсечки. Область, в которой напряжение
определяет режим насыщения. Область
принадлежит режиму электрического пробоя p-n-перехода. При больших токах и напряжениях мощность электрического сигнала может превысить допустимую. В этом случае при
наступает тепловой пробой, p-n-переходы транзистора разрушаются. Оставшаяся область, ограниченная указанными выше режимами, соответствует активному режиму и обычно является рабочей областью транзистора в усилительном режиме. Также, в ключевых схемах транзистор может работать в режиме насыщения и отсечки.
![]() |
| Рис. 7.9 ВАХ транзистора с ОЭ |
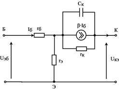
Эквивалентная схема биполярного транзистора
![]() |
| Рис. 7.10 Эквивалентная схема биполярного транзистора в схеме ОЭ |
Эквивалентная схема биполярного транзистора зависит от схемы включения. На рис. 7.10 приведена эквивалентная схема для транзистора с ОЭ. В данной схеме сопротивление
– дифференциальное сопротивление открытого p-n-перехода, приблизительно равное
. Сопротивление базы
лежит в пределах от десятых долей до нескольких сотен Ом в зависимости от мощности транзистора. Чем больше мощность, тем меньше сопротивление базы. Емкость коллекторного перехода
в активном режиме равна барьерной емкости. Сопротивление
моделирует дифференциальное сопротивление закрытого коллекторного перехода и составляет от нескольких десятков до нескольких сотен кОм. Генератор тока определяет ток коллектора, зависящий от тока базы. Строго говоря, ток коллектора на несколько процентов отличается от тока эмиттера, однако для простоты указанные токи взяты равными.




