Классификация помещений по степени опасности поражения электрическим током
В соответствии с ПУЭ по степени опасности поражения людей электрическим током производственные помещения подразделяются на следующие виды:
1. Помещения с повышенной опасностью.
Характеризуются наличием одного из условий:
· токопроводящей пыли;
· токопроводящих полов (металлические, земляные и т. д.);
· высокой температуры (более 350С);
· относительной влажности (более 75 %);
· возможности одновременного прикосновения человека к металлоконструкциям зданий, технологическому оборудованию, имеющим соединение с землей, с одной стороны, и к металлическим корпусам электрооборудования, с другой стороны.
2. Помещения особо опасные.
Характеризуются наличием одного из следующих условий, таких как:
· особая сырость (влажность около 100%);
· химическая активная или органическая среда, действующая на изоляцию;
· одновременное наличие 2 и более условий для помещений повышенной опасности.
3. Помещения без повышенной опасности.
В них отсутствуют условия, создающие повышенную или особую опасность.
Защита от возможности случайного прикосновения к токоведущим частям.
Электрическиесети и установки должны быть выполнены так, чтобы токоведущие части их были недоступны для случайного прикосновения.
Недоступность токоведущих частей достигается путем их надежной изоляции, применения защитных ограждений (кожухов, крышек, сеток и т.д.), расположения токоведущих частей на недоступной высоте.
В установках напряжением до 1000 В достаточную защиту обеспечивает применение изолированных проводов. В случае когда невозможно достигнуть надежной изоляции или ограждения токоведущих частей, применяются блокировки (электрические и механические) для автоматического отключения опасного напряжения при попадании человека в опасную зону. Конструктивное выполнение ограждений зависит от напряжения установки. Ограждения должны быть выполнены так, чтобы снять их и открыть можно было при помощи ключей или инструмента. Не допускаются сетчатые ограждения токоведущих частей в жилых, общественных и других бытовых помещениях. Ограждения должны быть здесь сплошные.
ПУЭ предусматривают различные виды испытаний и контроля изоляции.
1. Приемосдаточные испытания изоляции.
2. Периодический контроль изоляции.
3. Постоянный контроль изоляции (ПКИ). ПКИ осуществляется в сетях c изолированной нейтралью.
Применение малых напряжений. ПТЭ и ПТБ устанавливают ограничения напряжения ручных токоприемников для помещений различных категорий.
Для помещений особо опасных:
· ручной инструмент - напряжение 42 В;
· переносные светильники - напряжение 12 В;
· шахтерские лампы - напряжение 2,5 В.
Для помещений с повышенной опасностью:
· ручной инструмент - напряжение 42 В;
· светильники - напряжение 42 В.
При невозможности применять напряжение 42 В ПТБ разрешает использовать электроинструмент напряжением U = 220 В при наличии устройства защитного отключения или надежного заземления корпуса электроинструмента с обязательным использованием защитных средств (перчатки, коврики).
Двойная изоляция. При двойной изоляции, кроме основной рабочей изоляции токоведущих частей, применяют еще один слой изоляции, которым покрываются металлические нетоковедущие части, которэе могут оказаться под напряжением. Возможно изготовление корпусов электрооборудования из изолирующего материала (пластмассы, капрон). Широкое использование двойной изоляции ограничивается ввиду отсутствия пластмасс и покрытий, стойких к механическим повреждениям. Поэтому область применения двойной изоляции ограничена. Она используется в электрооборудовании небольшой мощности (инструмент, переносные токоприемники, бытовые приборы).
Выравнивание потенциала. Этот метод находит применение при работах на линиях электропередач, подстанциях. На подстанциях высокого напряжения выравнивание потенциалов осуществляется расположением заземлителей по контуру вокруг заземленного оборудования на небольшом расстоянии друг от друга, а внутри контура прокладывают в земле горизонтальные полосы (рис. 12).

Рис.12. Заземлитель с выравниванием потенциала
Защита от опасности перехода напряжения с высшей стороны на низшую. Появление в сети напряжения, намного превышающего номинальное, может привести как к выходу из строя токоприемников, изоляция которых не рассчитана на это напряжение, так и к поражению персонала током, так как при этом обычно происходит замыкание на корпус и появляются опасные напряжения прикосновения и шага.
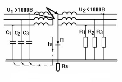
Защита сетей напряжением до 1000 В с изолированной нейтралью от возможного перехода в эту сеть высшего напряжения осуществляется при помощи установки пробивного предохранителя (рис. 13).

Рис. 13. Схема включения пробивного предохранителя
В сетях с заземленной нейтралью предохранители не устанавливаются. Безопасность в них обеспечивается правильным выбором сопротивления заземления RЗ.
Защита от потери внимания, ориентировки и неправильных действий. Эта защита осуществляется путем применения блокировок, сигнализации, специальной окраски оборудования, маркировки, знаков безопасности.






