Интересные перспективы открывает включение в роторную цепь активных элементов, при f1 = const появляется возможность не потерять, а истратить полезно мощность скольжения
, отдав её либо в сеть, либо на вал двигателя. Электроприводы такого типа называют каскадами или каскадными схемами.
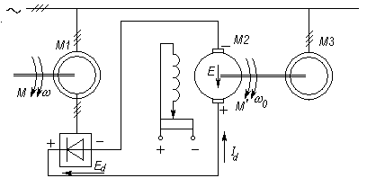
Простейшая схема машино - вентильного каскада, иллюстрирующая общую идею, показана на рис. 4.11,а. ЭДС машины постоянного тока Е должна быть направлена встречно ЭДС роторного выпрямителя Еd, что достигается соответствующей полярностью машины. Тогда
Id=(Ed-E)/Rэ,
где Rэ - эквивалентное активное сопротивление контура выпрямитель - якорь машины.

а)



б) в) г)
Рис. 4.11. Схема (а), характеристики (б) и (в) и энергетическая диаграмма (г) машино-вентильного каскада
Поскольку Ed=kE1s, а Е1» U1 = const, то до некоторого скольжения s¢, определяемого уровнем ЭДС машины постоянного тока Е¢ (рис. 4.11,б), ток Id = 0, а следовательно, I2 = 0, и машина М1 не развивает момента. При s>s¢ ток начнет расти в соответствии с приведенным выше уравнением, вызывая увеличение момента (рис. 4.11,в). Мощность
возвратится в сеть (рис. 4.11,г); знаки приближенного равенства показывают, что мы не учитываем электрических потерь в сопротивлениях контура выпрямитель - якорь и механических в машинах М2 и М3.
|
|
|
Меняя ток возбуждения машины М2, а следовательно величину Е, можно изменять скольжение, при котором начинается рост тока Id, и, следовательно, регулировать скорость (рис. 4.11,в).
Иногда вместо двух дополнительных электрических машин, возвращающих энергию скольжения в сеть, используется один статический преобразователь-инвертор, ведомый сетью.
Энергия скольжения не обязательно должна возвращаться в сеть, есть каскады, в которых она отдается машиной М2 на вал главного асинхронного двигателя.
Каскадные схемы используются при очень больших мощностях (тысячи киловатт) и малых диапазонах регулирования - (1,1-1,2):1.
Электропривод с машиной двойного питания.
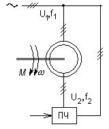
Каскадные схемы предполагали управление координатами в цепи выпрямленного тока ротора. Вместе с тем существует и другая возможность - включение в цепь ротора преобразователя частоты (рис. 4.12,а). Структуры такого типа называют электроприводами с машинами двойного питания.


а) б)
Рис. 4.12. Схема (а) и характеристики (б) машины двойного питания
Поскольку при преобразовании энергии поля должны быть неподвижны относительно друг друга, должны выдерживаться следующие соотношения скоростей и частот:
; (4.19)
f1 = f2 + f, (4.20)
где
- угловые скорости поля статора и поля ротора относительно соответственно статора и ротора; f1, f2 - частоты напряжения статора и ротора; f - частота, соответствующая угловой скорости ротора.
|
|
|
Из (4.19) и (4.20) следуют богатые возможности управления скоростью ротора
: действительно, фиксируя f1, т.е.
, и управляя
, можно получать любые f и
теоретически в неограниченном диапазоне (рис. 4.12,б); знаком “-” для f2 и
обозначено изменение чередования фаз, чему соответствует изменение направления вращения поля.
Если частота f2 задается независимо от
, механические характеристики представляются горизонтальными линиями (рис. 4.12,б), и в этом смысле машина подобна синхронной, которую мы рассмотрим далее. При изменении момента нагрузки меняется угол q между осями полей статора и ротора - как бы по-разному растягивается “магнитная пружина”. Наибольший момент Мmax определяется предельной силой магнитной связи статора и ротора - при превышении моментом нагрузки этой величины нарушаются условия (4.19), “магнитная пружина” рвется, поля перестают быть неподвижными относительно друг друга, машина не развивает среднего момента и либо останавливается при реактивном Мс, либо вращается со скоростью, определяемой активным Мс; это, разумеется, аварийный режим.
Возможно и другое построение системы: частота f2 может быть связана со скоростью ротора. В этом случае характеристики будут похожи на характеристики машины постоянного тока - будут иметь наклон, который можно трактовать как скольжение; видом связи можно формировать характеристики любого вида.
В рассматриваемой системе очень многообразны энергетические режимы - они определяются соотношением частот f1 и f2, относительным направлением вращения полей, направлением действия (знаком) момента сопротивления. На рис. 4.12,б в качестве примера приведена диаграмма, иллюстрирующая режимы на одной из характеристик в предположении, что потери малы и не учитываются.






