Расчет прочности по нормальным сечениям элементов
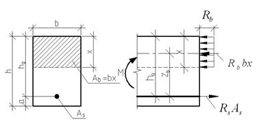
Элементы прямоугольного профиля с одиночной арматурой (рис. 27).
Высоту сжатой зоны х определяют из уравнения равенства нулю суммы проекций всех нормальных усилий на продольную ось элемента:

.

Рис. 27. Прямоугольное сечение с одиночной арматурой и схема усилий.
Условие прочности по сжатой зоне:
. (1)
Условие прочности по растянутой арматуре:
. (2)
Данные формулы применяют при условии
.
В практике для расчета прямоугольных сечений с одиночной арматурой используют табличный метод. С этой целью формулы (1) и (2) преобразуют следующим образом:






,
где
;
;
.
. (3)


.
. (4)
Для коэффициентов
,
и
составлена таблица (приложение 1). По формуле (3) определяют
, затем по таблице в зависимости от
находят соответствующие
и
. Проверяют условие
. Если условие выполняется, находят требуемое количество арматуры по формуле (4).
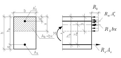
Элементы прямоугольного профиля с двойной арматурой (рис. 28).
Если при расчете прочности элемента прямоугольного профиля с одиночной арматурой оказалось, что
, значит прочности сжатой зоны бетона недостаточно и арматура в этой зоне требуется по расчету.
|
|
|

Рис. 28. Прямоугольное сечение с двойной арматурой и схема усилий.
Условие прочности по сжатой зоне изгибаемого элемента, армированного двойной арматурой:
. (5)
Из уравнения равенства нулю суммы проекций всех нормальных усилии на продольную ось элемента:

.
Если при расчете прочности элемента прямоугольного профиля с одиночной арматурой оказалось, что
, принимают
, затем по таблице находят соответствующее значение
. Формулу (5) преобразуем следующим образом:
;
. (6)
Требуемую площадь сжатой арматуры A’s можно определить из формулы (6):
.
Из уравнения равенства нулю суммы проекций всех нормальных усилий на продольную ось элемента находят требуемую площадь растянутой арматуры:

.
Элементы таврового профиля.
Расчеты прочности некоторых железобетонных конструкций (многопустотные и ребристые плиты перекрытий) сводятся в итоге к расчету таврового сечения (рис. 29). Тавровое сечение образуется из полки и ребра. Основное преимущество таврового сечения перед прямоугольным – это отсутствие «лишнего» бетона в растянутой зоне, поэтому в сравнении с прямоугольным тавровое сечение значительно выгоднее, т.к. при одной и той же несущей способности (бетон растянутой зоны не влияет на несущую способность) расход бетона значительно меньше.
При большой ширине полок участки свесов, более удаленные от ребра, напряжены меньше. Поэтому в расчеты вводят только часть полки, участвующей в работе – не более половины расстояния в свету между ребрами c и не более 1/6 пролета рассматриваемого элемента (рис. 30, а).
|
|
|
При консольных свесах полок (рис. 30, б) вводимая в расчет ширина свеса должна составлять:
- при
..................... не более 6
;
- при
.............. не более 3
;
- при
................... свесы полок в расчете не учитывают.
а)
б)
Рис. 29. Плиты перекрытий и их расчетные сечения:
а – многопустотная плита; б – ребристая плита.

а)
б) Рис. 30. Участки свесов тавровых сечений,
вводимые в расчеты:
а – в составе монолитного перекрытия;
б – при консольных свесах полок.
Два расчетных случая в элементах таврового профиля
Расчетный случай зависит от положения границы сжатой зоны бетона.
1 случай. Граница сжатой зоны проходит в полке
. В этом случае тавровое сечение рассчитывают как прямоугольное с размерами
(рис. 31), поскольку бетон в растянутой зоне на несущую способность не влияет.







