Рис. 35. К расчету сжатой арматуры в элементах таврового профиля.
Рис. 34. К расчету растянутой арматуры в элементах таврового профиля.
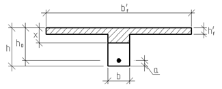
Рис. 33. К определению расчетного случая в элементах таврового профиля.
Рис. 32. 2 случай положения границы сжатой зоны бетона в элементах таврового профиля.
Рис. 31. 1 случай положения границы сжатой зоны бетона в элементах таврового профиля.
2 случай. Граница сжатой зоны находится в ребре (рис. 32). Расчет проводят по формулам таврового профиля.

Определение расчетного случая
При решении прямой задачи, т.е. когда необходимо определить требуемое количество растянутой арматуры, предполагают, что нижняя граница сжатой зоны проходит по нижней грани полки (рис. 33), определяют величину несущей способности таврового сечения на изгиб и сравнивают с величиной изгибающего момента от действия внешних нагрузок.
- граница сжатой зоны находится в полке;
- граница сжатой зоны находится в ребре.

При решении обратной задачи, т.е. когда требуется проверить несущую способность элемента при известном количестве арматуры в элементе, граница сжатой зоны определяется из уравнения равенства нулю суммы проекций всех нормальных усилий на продольную ось элемента:
;
, при
расчетным сечением является прямоугольник, а при
- сечение таврового профиля.
|
|
|
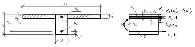
Расчет арматуры растянутой зоны в элементах таврового профиля (рис. 34).

Условие прочности по сжатой зоне:
(7)
Заменяя
на
из условия прочности (7) определяют значение
:
, затем по таблице находят соответствующее значение
. Проверяют условие
.
Из уравнения равенства нулю суммы проекций всех нормальных усилий на продольную ось элемента:

определяют неизвестное количество требуемой растянутой арматуры:

.
Если
, необходима арматура в сжатой зоне.
Расчет арматуры сжатой зоны в элементах таврового профиля (рис. 35).

Принимаем
, т.е. бетон сжатой зоны работает до предела.
Условие прочности:
. (8)
Используя
из условия прочности (8) определяют неизвестное количество требуемой сжатой арматуры:
.
Из уравнения равенства нулю суммы проекций всех нормальных усилий на продольную ось элемента:

определяют неизвестное количество требуемой растянутой арматуры:

.
На приопорных участках под действием поперечной силы и изгибающего момента в сечениях, наклонных к продольной оси элемента, развиваются напряженно-деформированные состояния, как и в нормальных сечениях.
Главные растягивающие и главные сжимающие напряжения действуют под углом к оси (рис. 36).

а) б)