ЭВ - электронвольт, единица измерения энергии
Квантовая физика
Лекция 11
Квантовая гипотеза Планка (1900 г.):
Излучение и поглощение света происходит не непрерывно, а порциями- квантами.
Минимальная порция энергии, которую система может поглотить и излучить называется квантом.
Энергия одного кванта прямо пропорциональна частоте ν излучения
ε = hν
h = 6,626 *10-34 Дж * с = 4.136x10-15 эВ * с -постоянная Планка
Энергия излучения любого тела всегда равна целому числу квантов Е = Nε
1эВ = 1,6*10-19 Кл*В
1эВ = 1,6*10-19 Дж
А. Эйнштейн: свет имеет прерывистую структуру. Электромагнитная волна состоит из отдельных частиц – фотонов. Энергия ε одного фотона равна кванту энергии hν.
Свойства фотонов:
Энергия E = hν; E = hc/λ; E = mc2
Скорость с=3*108 м/с
Импульс p=mc; p=E/c; p = hν/c; p=h/λ
Масса покоя m0=0. Фотон – безмассовая частица.
Масса фотона m не равна нулю. Значение m определяется из энергии или импульса
Фотоэффектом называется явление выбивания электронов из вещества под действием электромагнитного излучени я.
|
|
|
Фотоэффект обнаружил Г. Герц в 1887г., экспериментально исследовал А.Г. Столетов в 1899г., объяснил А. Эйнштейн в 1905г.
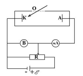
Схема установки для исследования фотоэффекта:

о- окно, прозрачное для видимого света и ультра-
фиолетового излучения
К –катод
А – анод
мА- миллиамперметр
В- вольтметр
R – реостат
- источник питания
Вольт- амперной характеристикой фотоэффекта называется график зависимости силы фототока от напряжения между электродами
Вольт- амперная характеристика