
Если не учитывать ничтожного повышения температуры при адиабатном сжатии воды в насосе, то
и

где
— энтальпия кипящей воды при давлении р 2.

Рисунок 8.9 - Цикл Ренкина на перегретом паре:
а — в p,v - диаграмме; б — в T,s -диаграмме

Рисунок 8.10 - Цикл Ренкина в h,s -диаграмме
Из формулы видно, что КПД идеального цикла Ренкина определяется значениями энтальпий пара до турбины
и после нее
и энтальпии воды
, находящейся при температуре кипения
.В свою очередь эти значения определяются тремя параметрами цикла: давлением
и температурой пара
перед турбиной и давлением р 2 за турбиной, т. е. в конденсаторе.
В самом деле, зная
и
легко отыскать положение точки 1 в h, s -диаграмме и найти энтальпию
. Пересечение адиабаты, проведенной из точки 1, с изобарой
определяет положение точки 2, т. е. энтальпию
. Наконец, энтальпия воды, закипающей при давлении р2, зависит только от этого давления.
Перегрев пара увеличивает среднюю температуру подвода теплоты в цикле, не меняя температуру отвода теплоты. Поэтому термический КПД паросиловой установки возрастает с увеличением температуры пара перед двигателем. Для примера ниже приведена зависимость
от
при абсолютных давлениях
= 9,8 МПа и р 2 = 3,9 кПа:
, ºC | ||||
, % | 40,5 | 42,5 | 44,2 |
С увеличением давления пара перед турбиной
при постоянных
и р 2 полезная работа цикла возрастает, т. е.
. В то же время количество подведенной за цикл теплоты
несколько уменьшается за счет уменьшения энтальпии перегретого пара
. Поэтому чем выше давление
тем больше КПД идеального цикла Ренкина.

Рисунок 8.11 - Влияние давления перегретого пара на параметры цикла Ренкина
На рисунке 8.11 видно, что большему давлению перед турбиной соответствует более высокая влажность выходящего из нее пара. При
из турбины выходит перегретый пар; при
он получается уже слегка влажным, а при
степень сухости его значительно меньше единицы. Содержание капелек воды в паре увеличивает потери от трения его в проточной части турбины. Поэтому одновременно с повышением давления пара за паровым котлом необходимо повышать и температуру его перегрева, чтобы поддерживать влажность выходящего из турбины пара в заданных пределах.
С этой же целью пар, частично расширившийся в турбине, возвращают в котел и снова перегревают (уже яри меньшем давлении), осуществляя так называемый вторичный (а иногда и третичный) подогрев. Одновременно это повышает термический КПД цикла.
Турбины атомных электростанций, работающие на насыщенном паре, имеют специальную конструкцию, позволяющую отводить выделяющуюся при конденсации воду.
Повышение параметров пара определяется уровнем развития металлургии, оставляющей металлы для котлов и турбин. Получение пара с температурой 535—565 °С стало возможным лишь благодаря применению низколегированных сталей, из которых изготовляются пароперегреватели и горячие части турбин. Переход на более высокие параметры (580—650 °С) требуют применения дорогостоящих высоколегированных (аустенитных) сталей.
При уменьшении давления р2 пара за турбиной уменьшается средняя температура
отвода теплоты в цикле, а средняя температура подвода теплоты меняется мало. Поэтому чем меньше давление пара за турбиной, тем выше КПД паросиловой установки.
Давление за турбиной, равное давлению пара в конденсаторе, определяется температурой охлаждающей воды. Если среднегодовая температура охлаждающей воды на входе в конденсатор составляет приблизительно 10—15 СС, то из конденсатора она выходит нагретой до 20—25 °С. Пар может конденсироваться только в том случае, если обеспечен отвод выделяющейся теплоты, а для этого нужно, чтобы температура пара в конденсаторе была больше температуры охлаждающей воды хотя бы на 5—10°С. Поэтому температура насыщенного пара в конденсаторе составляет обычно 25—35 °С, а абсолютное давление этого пара р2 соответственно 3—5 кПа. Повышение КПД цикла за счет дальнейшего снижения р2 практически невозможно из-за отсутствия естественных охладителей с более низкой температурой.
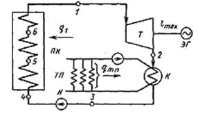
Теплофикация. Имеется, однако, возможность повысить эффективность паросиловой установки путем увеличения, а не уменьшения давления и температуры за турбиной до такой величины, чтобы отбросную теплоту (которая составляет более половины всего количества теплоты, затраченной в цикле) можно было использовать для отопления, горячего водоснабжения и различных технологических процессов (рис. 6.12). С этой целью охлаждающая вода, нагретая в конденсаторе К, не выбрасывается в водоем, как в чисто конденсационном цикле, а прогоняется через отопительные приборы теплового потребителя ТП и, охлаждаясь в них, отдает полученную в конденсаторе теплоту. В результате станция, работающая по такой схеме, одновременно вырабатывает и электрическую энергию, и теплоту. Такая станция называется теплоэлектроцентралью (ТЭЦ).

Рисунок 8.12 - Схема установки для совместной выработки тепловой и электрической энергии: ПК. — паровой котел; Т — паровая турбина; К — конденсатор-подогреватель; Н — насос; ТП — тепловой потребитель. Цифры соответствуют точкам цикла в Т,s диаграмме
Охлаждающую воду можно использовать для отопления лишь при том условии, что ее температура не ниже 70— 100 °С. Температура пара в конденсаторе (подогревателе) К должна быть хотя бы на 10—15 °С выше. В большинстве случаев она получается больше 100°С, а давление насыщенного пара
при этой температуре выше атмосферного. Поэтому турбины, работающие по такой схеме, называются турбинами с противодавлением.
Итак, давление за турбиной с противодавлением получается обычно не менее 0,1—0,15 МПа вместо около 4 кПа за конденсационной турбиной, что, конечно, приводит к уменьшению работы пара в турбине и соответствующему увеличению количества отбросной теплоты. Это видно на рис., где полезно использованная теплота <?„ в конденсационном цикле изображается площадью /- 2'-3'-4'-5-6, а при противодавлении — площадью 1-2-3-4-5-6. Площадь 2-2'-3'-4 дает уменьшение полезной работы из-за повышения давления за турбиной с р1 до р2.
Термический КПД установки с противодавлением получается ниже, чем конденсационной установки, т. е. в электроэнергию превращается меньшая часть теплоты топлива. Зато общая степень использования этой теплоты становится значительно большей, чем в конденсационной установке. В идеальном цикле с противодавлением теплота, затраченная в котлоагрегате на получение пара (площадь 1-7-8-4-5-6), полностью используется потребителями. Часть ее (площадь 1-2-4-5-6) превращается в механическую или электрическую энергию, а часть (площадь 2-7-8-4) отдается тепловому потребителю в виде теплоты пара или горячей воды.
При установке турбины с противодавлением каждый килограмм пара совершает полезную работу
и отдает тепловому потребителю количество теплоты
. Мощность установки по выработке электроэнергии
и ее тепловая мощность
пропорциональны расходу пара D т. е. жестко связаны. Это неудобно на практике, ибо графики потребности в электроэнергии и теплоте почти никогда не совпадают.
Чтобы избавиться от такой жесткой связи, на станциях широко применяют турбины с регулируемым промежуточным отбором пара. Такая турбина состоит из двух частей: части высокого давления (ЧВД), в которой пар расширяется от давления
до давления рот6, необходимого для теплового потребителя, и части низкого давления (ЧНД), где пар расширяется до давления р 2 в конденсаторе. Через ЧВД проходит весь пар, вырабатываемый котлоагрегатом. Часть его
(при давлении рот6) отбирается и поступает к тепловому потребителю. Остальной пар в количестве
проходит через ЧНД в конденсатор К. Регулируя соотношения между
и
, можно независимо менять как тепловую, так и электрическую нагрузки турбины с промежуточным отбором, чем и объясняется их широкое распространение на ТЭЦ. При необходимости предусматриваются два и более регулируемых отбора с разными параметрами пара. Наряду с регулируемыми каждая турбина имеет еще несколько нерегулируемых отборов пара, используемых для регенеративного подогрева питательной воды, существенно повышающего термический КПД цикла.
Своеобразная «теплофикация» может осуществляться даже на чисто конденсационных станциях, где охлаждающая вода из конденсаторов используется, например, для обогрева бассейнов или водоемов, где искусственно выращивается рыба. Отбросная теплота может использоваться для обогрева парников, теплиц и т. д. Конечно, потребное в районе ТЭЦ количество теплоты для этих целей значительно меньше общего количества отбросной теплоты, но, тем не менее, такое ее использование является элементом безотходной технологии — технологии будущего.

Рисунок 8.13 - Теплофикационный цикл в Т,s -диаграмме


Рисунок 8.14 - Установка турбины с регулируемым отбором пара
Несмотря на большие потери эксергии при передаче теплоты от продуктов сгорания к пару, КПД паросиловых установок в среднем выше, чем у ГТУ, и близок к КПД ДВС, прежде всего за счет хорошего использования располагаемой эксергии пара. (Как указано выше, его температура на выходе из конденсационной турбины составляет 28—30 °С.) С другой стороны, большой располагаемый теплоперепад в турбине и связанный с этим относительно низкий удельный расход пара на выработку 1 кВт позволяют создать паровые турбины на колоссальные мощности — до 1200 МВт в одном агрегате! Поэтому паросиловые установки безраздельно господствуют как на тепловых, так и на атомных электростанциях. Паровые турбины применяют также для привода турбовоздуходувок (в частности, в доменном производстве). Недостаток паротурбинных установок — большие затраты металла, связанные прежде всего с большой массой котлоагрегата. Поэтому они практически не применяются на транспорте и их не делают маломощными.