Циклы паротурбинных установок
Современная стационарная теплоэнергетика базируется в основном на паровых теплосиловых установках. Продукты сгорания топлива в этих установках являются лишь промежуточным теплоносителем (в отличие от ДВС и ГТУ), а рабочим телом служит чаще всего водяной пар.
Цикл Карно насыщенного пара можно было бы осуществить следующим образом. Теплота от горячего источника подводится при постоянной температуре
по линии 5-1, в результате чего вода с параметрами точки 5 превращается в сухой насыщенный пар с параметрами точки 1. Пар адиабатно расширяется в турбине до температуры
, совершая техническую работу и превращаясь во влажный пар с параметрами точки 2. Этот пар поступает в конденсатор, где отдает теплоту холодному источнику (циркулирующей по трубкам охлаждающей воде), в результате чего его степень сухости уменьшается от
до
. Изотермы в области влажного пара являются одновременно и изобарами, поэтому процессы 5-1 и 2-2' протекают при постоянных давлениях
и
. Влажный пар с параметрами точки 2' сжимается в компрессоре по линии 2'-5, превращаясь в воду с температурой кипения. На практике этот цикл не осуществляется, прежде всего, потому, что в реальном цикле вследствие потерь, связанных с неравновесностью протекающих в нем процессов, на привод компрессора затрачивалась бы большая часть мощности, вырабатываемой турбиной.
Значительно удобнее и экономичнее в реальном цикле конденсировать пар до конца по линии 2-3, а затем насосом увеличивать давление воды от р 2 до
по линии 3-4. Поскольку вода несжимаема, точки 3 и 4 почти совпадают, и затрачиваемая на привод насоса мощность оказывается ничтожной по сравнению с мощностью турбины (несколько процентов), так что практически вся мощность турбины используется в качестве полезной. Такой цикл был предложен в 50-х годах прошлого века шотландским инженером и физиком Ренкиным и почти одновременно Клаузиусом. Схема теплосиловой установки, в которой осуществляется этот цикл, представлена на рис. (На этой схеме показана также возможность перегрева пара в пароперегревателе 6-1, которая в цикле насыщенного пара не реализуется).


Рисунок 8.6 - Циклы Карно и Ренкина насыщенного водяного пара
в T,s диаграмме

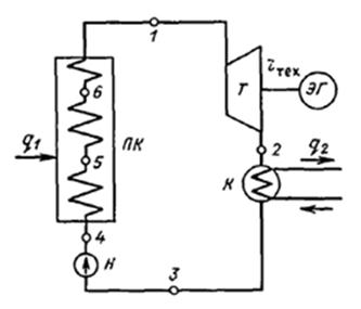
Рисунок 8.7 - Схема паросиловой установки: ПК — паровой котел; Т — паровая турбина; ЭГ - электрогенератор; К — конденсатор; Н — насос
Теплота в этом цикле подводится по линии 4-5-6 (см. рис.) в паровом котле, пар поступает в турбину Т и расширяется там по линии 1-2 до давления, совершая техническую работу
. Она передается на электрический генератор ЭГ или другую машину, которую вращает турбина. Отработавший в турбине пар поступает в конденсатор К, где конденсируется по линии 2-3, отдавая теплоту конденсации холодному источнику (охлаждающей воде). Конденсат забирается насосом Н и подается снова в котел (линия 3-4).
Термический КПД цикла Ренкина, естественно, меньше, чем
цикла Карно при тех же температурах
и
, поскольку средняя температура подвода теплоты уменьшается при неизменной температуре отвода. Однако реальный цикл (с учетом неравновесности сжатия пара в компрессоре в цикле Карно) оказывается экономичнее.
Теоретически термический КПД цикла Ренкина можно сделать равным КПД цикла Карно с помощью регенерации теплоты, если осуществить расширение пара не по адиабате 1-2, как в обычной турбине, а по политропе 7 эквидистантной линии 4-5 нагрева воды, и всю выделяющуюся при этом теплоту (площадь 1-1'-7'-7) передать в идеальном (без потерь эксер-гии) теплообменнике воде (площадь 3'-3-5-5').
На практике такую идеальную регенерацию осуществить не удается, однако в несколько ином виде регенеративный подогрев воды применяется очень широко и позволяет существенно увеличить КПД реального цикла.
К сожалению, цикл насыщенного водяного пара обладает весьма низким КПД из-за невысоких температур насыщения. Например, при давлении 9,8МПа температура насыщения составляет 311 °С. При температуре холодного источника, равной 25 °С,
=(273 + 25)/(273 + 311)=0,49. Дальнейшее увеличение температуры а значит, и давления не имеет смысла, ибо, мало увеличивая КПД, оно приводит к утяжелению оборудования из условий прочности, а также к уменьшению количества теплоты, забираемой каждым килограммом воды в процессе испарения 5-1 (из-за сближения точек и на рис. и по мере повышения температуры). Это значит, что для получения той же мощности необходимо увеличивать расходы воды и пара, т. е. габариты оборудования.
При температуре, превышающей критическую (для воды кр = 374,15°С что соответствует давлению 22,1 МПа), цикл на насыщенном паре вообще невозможен. Поэтому цикл насыщенного пара (регенеративный) применяется в основном в атомной энергетике, где перегрев пара выше температуры насыщения связан с определенными трудностями.

Рисунок 8.8 - Идеальная регенерация теплоты в цикле насыщенного пара
Между тем металлы, которыми располагает современное машиностроение, позволяют перегревать пар до 550— 600 °С. Это дает возможность уменьшить потери эксергии при передаче теплоты от продуктов сгорания к рабочему телу и тем самым существенно увеличить эффективность цикла. Кроме того, перегрев пара уменьшает потери на трение при его течении в проточной части турбины. Все без исключения тепловые электрические станции на органическом топливе работают сейчас на перегретом паре, а иногда пар на станции перегревают дважды и даже трижды. Перегрев пара все шире применяется и на атомных электростанциях, особенно в реакторах на быстрых нейтронах.