Контактная группа реле – 2/1
2-е пары контактов
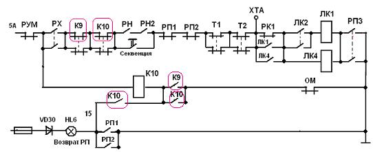
К9 g
ЛК4 и ЛК1
1-а пара контактов
К9 g
К10
Катушка реле К10 помещена в цепь 5-го провода и получает питание
при следующих условиях:
1). Контроллер водителя включен на ходовую позицию
2). Переключатель моторов стоит в положении (1-3-2-4)
3). Сработало реле К9.
2-е пары контактов
К10 ¢
ЛК4 и ЛК1
1-а пара
К10 ¢
ЛК10 (самоблокировка)
1-а пара
К10 ¢
«Возврат РП»(
HL6)

? Если в тяговом режиме ток в группах ТЭД одинаковый, то по катушке К9 ток не идет.
? Если в одной из групп двигателей ток становиться больше, чем в другой (при обрыве карданного вала или при пробуксовке колёсных пар), то К9 получает питание и его контакты размыкаются в 5 – м проводе цепи управления. При этом катушки линейных контакторов теряют питание и ТЭД отключаются. Вагон идет выбегом. Одновременно другие контакты К9 (тоже в 5 – м проводе) замыкаются и включают катушку реле К10. Один из контактов реле К10 размыкается в цепи линейных контакторов, и дают второй разрыв цепи.
Другие контакты К10 замыкаются в 15 – м проводе цепи управления и включают сигнальную лампу
«Возврат РП» (
HL6) на пульте управления.
Если вагон пошел выбегом, и на пульте загорелась сигнальная лампа
«Возврат РП», то необходимо поставить главную рукоятку контроллера водителя в нулевое положение, при этом
5-ый провод теряет питание.
? Если при этом лампа «ВОЗВРАТ РП» гаснет, то на вагоне сработала защита от обрыва
карданного вала.
? Если лампа не погасла, то сработало РП и надо нажать на кнопку ¥ «Возврат РП» (SB3)
на пульте управления.






