Передача одной боковой полосы частот, несущей и части второй боковой полосы частот второй боковой полосы
F=F2+Fн
Недостатки: наличие несущего колебания, использование достаточно сложных фильтров с кососимметричной характеристикой (фильтры Найквиста),возможность появления квадратурных искажений. Чуть экономиться полоса частот.
Д ля этого случая полоса частот занимаемая сигналом
F=Fс
Наиболее экономичный. Отсутствие несущего колебания в спектре дает возможность повысить мощность боковой полосы частот, при той же мощности канала, это дает возможность увеличить помехоустойчивость канала. При этом методе происходит перемещение сигнала по шкале частот при неизменной полосе частот. Такой метол модуляции называется преобразованием частоты. то есть модуляторы и демодуляторы называются преобразователями частоты.
Недостатки: для правильного восстановления,требуется чтобы частоты несущих колебаний приема и передачи совпадали.Самый распространенный метод.

Рис.1.1 Структурная схема системы передачи с частотным разделением каналов
|
|
|

Рис.1.2 Формирование канальных сигналов в системе передачи с частотным разделением каналов
Многократное преобразование частоты.
Выбранный нами способ формирования сигнала, его реализация приводит к разнотипности фильтров. КПФ для каналов занимающих полосу частот до 30 КГц могут быть реализованы на
LC – элементах. В полосе от 30 до 60 кГц не такой элементной базы. ОТ 60 до 110 кГц на кварцевых элементах. В диапазоне от 130 до 200 кГц на электромеханических или пьезокерамических фильтрах. Что бы организовать 60 КТЧ требуется 60 разнотипных фильтров.
В системах ЧРК с числом каналов 12 и более реализуется принцип многократного преобразования частоты.
Достоинства многократного преобразования частоты:
1) Возможность подобрать диапазон сигналов первичной, вторичной, третичной групп, чтобы они были оптимальны сточки зрения реализации фильтров.
2) Уменьшить разнотипность фильтров.
В основу построения многоканальной системы положен стандартный канал тональной частоты. В соответствии с рекомендациями МСЭ оконечное оборудование (включающее аппаратуру объединения каналов и аппаратуру разделения каналов) строится с таким расчётом, чтобы на каждом этапе преобразования частоты с помощью унифицированных блоков формировались всё более и более укрупнённые группы каналов ТЧ. Причём в любой группе число каналов кратно 12.
Вначале каждый из каналов ТЧ «привязывается» к той или иной 12-канальной группе, называемой первичной группой (ПГ). Разнесение сигналов 12 различных телефонных сообщений по спектру (формирование ПГ) осуществляется с помощью индивидуального преобразования частоты в стандартном 12-канальном блоке. Эти блоки обеспечивают как прямую, так и обратную связь в каждом из 12 дуплексных каналов.
Каждый канал содержит следующие индивидуальные устройства: на передаче ограничитель амплитуд ОА, модулятор М и полосовой фильтр ПФ; на приёме полосовой фильтр ПФ, демодулятор ДМ, фильтр нижних частот ФНЧ и усилитель низкой частоты УНЧ.
Для преобразования исходного сигнала на модуляторы и демодуляторы каждого канала подаются несущие частоты, кратные 4 кГц.
|
|
|

В режиме передачи сообщение от абонента через ДС и амплитудный ограничитель (ОА) поступает на один из входов индивидуального преобразователя частоты (модулятор М11). На другой вход М12 подаётся сигнал поднесущей с частотой F12. В результате перемножения этих сигналов образуется сигнал, спектр которого состоит из двух боковых (относительно F12) полос. Сигнал нижней из этих полос выделяется фильтром ПФ12 и подаётся на один из входов сумматора.

Рис 1.3 Формирование первичной группы с применением полосовых фильтров предгрупп.

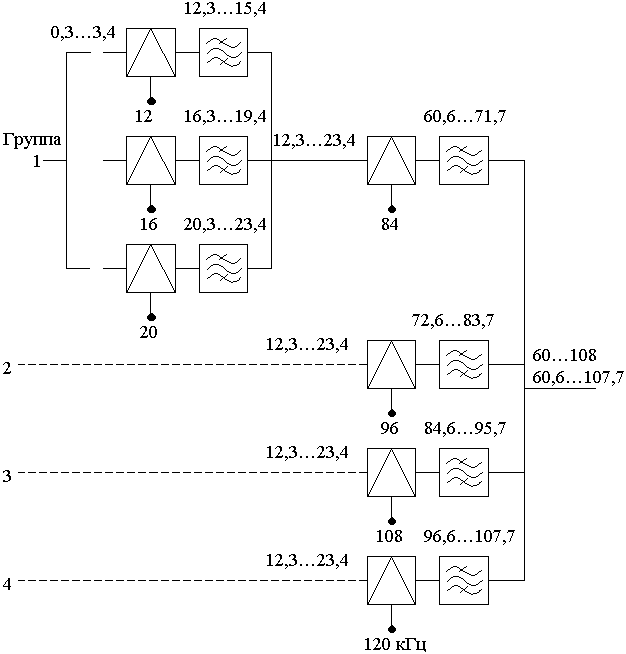
Рис.1.4 Формирование вторичной группы.
Для снижения переходных влияний между сигналами ВГ, передаваемыми по смежным трактам, в спектре ВГ могут использоваться как прямые, так и инверсные спектры. В первом случае на ГП2 – ГП5 подаются несущие частоты 468, 516, 564, 612 кГц, а соответствующие полосовые фильтры выделяют нижние боковые полосы. Во втором случае на ГП2 – ГП5 подаются несущие частоты 300, 348, 396, 444 кГц, а полосовыми фильтрами ПФ2 – ПФ5 выделяются верхние боковые полосы. Несущая частота для ПГ1 в обоих случаях одинаковая (420 кГц), и спектр ПП1 не инверсируется. Следующие ступени группового преобразования выполняются аналогично.
Таблица 4.1. Параметры типовой аппаратуры кабельных систем передачи с ЧРК
| Система передачи | Область применения | Кабель | Число каналов | Длина усилительного участка, км | Линейный спектр, кГц |
| К-60П | Внутризоновая сеть | Симметричный | 12 … 252 60…108 | ||
| К-120 | То же | Коаксиальный | 60… 552; 812 … 1304 | ||
| К-300 | Магистральная и зоновые сети | То же | 60 … 1300 | ||
| ВК-960-2 | Магистральная сеть | - // - | 60 … 4028 | ||
| К-1020Р | То же | - // - | 312 … 4636 | ||
| К-1800 | - // - | - // - | 312 … 8204 | ||
| К-1920П | - // - | - // - | 312 … 8544 | ||
| К-3600 | - // - | - // - | 812 … 17596 | ||
| К-5400 | - // - | - // - | 4300 … 31000 | ||
| К-10800 | - // - | - // - | 1,5 | 4300 … 60000 |
Вопросы для самоконтроля
1.Сущность частотного разделения каналов при построении многоканальных систем передачи.
2.Достоинства и недостатки амплитудной модуляции по сравнению с частотной и фазовой.
3.Способы передачи амплитудно-модулированных (АМ) сигналов.
4.Структурная схема способа передачи одной боковой полосы. Основные проблемы. Форма сигналов в различных точках схемы.
5.Основные проблемы многократного преобразования частоты.
6.Объяснить, как происходит формирования предгруппы? Какие несущие используются?
7.Объяснить формирование первичной группы? Почему выбраны именно такие несущие?
8.Объяснить формирование вторичной группы.






