2-1. Процессы, протекающие в простейшей RC-цепи.
Переходный процесс обусловлен тем, что энергия электромагнитных полей, связанных с цепью при различных установившихся режимах различна, а скачкообразное изменение энергии, т.е. изменение энергии на конечную величину за бесконечно малый промежуток времени, невозможно из-за ограниченности величины мощности физически существующих источников энергии.
Линейным устройством (элементом) называется устройство (элемент), параметры которого не зависят от протекающего тока или приложенного напряжения. Нелинейное устройство - это устройство, параметры которого зависят от тока или напряжения.
Переходные процессы в простейших линейных цепях, т.е. в цепях RL или RC описываются дифференциальным уравнением первого порядка:
,
где x (t) - напряжение или ток в схеме, y (t) - внешнее воздействие.
Решение этого уравнения для случая y (t) = const имеет вид:
,
где t - текущее время, x (t) - напряжение или ток в схеме, x (¥) - конечное значение x (t) при t ®¥, x (0) - начальное значение x (t) при t = 0.
Характер изменения функции x (t) представлен на рис. 2.1 (убывающая или нарастающая экспонента).

Рис. 2.1. Характер изменения экспоненциальной функции.
Выполним следующие преобразования:
,
.
Поскольку
, то очевидно, что AB = t.
При анализе переходных процессов часто возникает задача нахождения интервала времени
, за который функция x (t) изменяется от значения x (t 1) до значения x (t 2). Запишем значение функции в точках t 1 и t 2:
,
.
Откуда
,
,
,
,
.
Применим полученные соотношения для анализа RC-цепей. Предварительно напомним законы коммутации для RL и RC-цепей:
1-ый закон коммутации: напряжение на конденсаторе в момент коммутации не может измениться скачком UС (0-) = UС (0+);
2-ой закон коммутации: ток, протекающий через индуктивность, не может измениться скачком IL (0-) = IL (0+).
Законы коммутации являются следствием того, что энергия в цепи не может изменяться мгновенно, так как для этого требуется бесконечно большая мощность источников энергии. Рассмотрим RC-цепь (рис. 2.2).

Рис. 2.2. Схема простейшей RC-цепи.
Пусть конденсатор не заряжен и в момент времени t = 0 ключ переходит из положения «0» в положение «1». Для начальных и установившихся режимов в этом случае можно записать:
при t = 0 UС (0) = 0, UR (0) = E;
при t = ¥ UС (¥) = E, UR (¥) = 0.
После подстановки получаем:
,
.
Считая, что конденсатор заряжен до значения UС = E, рассмотрим процесс после перевода ключа из положения «1» в положение «2». Начальные и установившиеся значения напряжений на элементах в этом случае запишутся:
при t = 0 UС (0) = E, UR (0) = -E;
при t = ¥ UС (¥) = 0, UR (¥) = 0.
После подстановки получаем:
,
.
Характер изменения функций UC (t) и UR (t) представлен на рис. 2.3.

Рис. 2.3. Характер изменения функций UС (t) и UR (t) простейшей RC-цепи.
Из курса математики известно, что за утроенное значение постоянной времени, т.е. за время 3 t, экспонента изменяется на 0.95 своего конечного полного изменения. Это значит, что за время 3 t конденсатор условно разряжается и заряжается.
2-2. Интегрирующая RC-цепь.
Электрическая принципиальная схема интегрирующей RC-цепи представлена на рис. 2.4(а). Коммутация напряжения на входе, рассмотренная ранее, эквивалентна подаче на вход прямоугольного импульса напряжения (рис. 2.4(б)). Как было выведено ранее, характер изменения функции UC (t)= Uвых в общем случае выражается следующими зависимостями:
- нарастающая экспонента для 0 £ t £ tи;
- убывающая экспонента для t > tи, где
- значение напряжения, до которого успел зарядиться конденсатор в период действия импульса.

Рис. 2.4. Интегрирующая RC-цепь и временные диаграммы напряжений.
Разряд конденсатора после прекращения действия импульса приводит к тому, что выходной импульс будет иметь большую продолжительность, чем входной. Происходит расширение импульса без сохранения его формы, поэтому такая RC-цепь называется расширяющей.
Поскольку
, а
, то
.
Так как
, то
.
Рассмотрим случай, когда
. Поскольку
, следовательно
, и можно записать:
,
то есть на выходе интеграл от входного напряжения. Отсюда очевидно название рассмотренной цепи – интегрирующая. Эта цепь используется, в частности, для получения линейно изменяющегося напряжения. Для этого на вход интегрирующей цепи подается постоянное напряжение
. Тогда получаем
,
то есть на выходе линейно изменяющееся напряжение (рис. 2.5).

Рис. 2.5. Графики изменения идеального и реального выходных напряжений интегрирующей RC-цепи.
В отличие от рассмотренного идеального случая, в реальной цепи
.
Найдем производную по t от функции идеального выходного напряжения:
.
Аналогично для функции реального выходного напряжения производная запишется:
.
При t =0
,
т.е. в нуле производные реальной и идеальной функций совпадают, а в дальнейшем - расходятся. За меру расхождения на интервале [0, tи ] принимают коэффициент нелинейности
- относительное изменение производной:
.
Для случая
можно воспользоваться формулой разложения функции
:
при
. Тогда
,
т.е. чем больше t при данном значении tи, тем меньше ß. Реальная функция Uвых.р в этом случае ближе к идеальной Uвых.ид.
2-3. Разделительная дифференцирующая RC-цепь.
Электрическая принципиальная схема разделительной дифференцирующей RC-цепи и её временные диаграммы представлены на рис. 2.6.

Рис. 2.6. Разделительная дифференцирующая RC-цепь и временные диаграммы напряжений.
Как было показано ранее,
меняется по закону:
для 0 £ t £ tи,
для t > tи.
При
рассматриваемая RC-цепь выполняет функции разделительной цепи, назначение которой передать входное напряжение с наименьшими искажениями и отделить при этом постоянную составляющую. Абсолютная величина
завала вершины равна напряжению на конденсаторе в момент tи снятия входного импульса, т.е.
.
Для случая
, с учетом рассмотренного ранее разложения функции
при
получаем:
.
Оценкой качества разделительной цепи является величина относительного завала вершины g, которая определяется как:
.
Таким образом, завал вершины, а значит искажение входного импульса, тем меньше, чем больше постоянная времени цепи t при данном tи. Если величина завала вершины несравненно мала, то импульс передается без искажения.

Рис. 2.7. Диаграммы входного и выходного напряжений разделительной цепи.
Из временной диаграммы рис. 2.7 видно, что амплитуда последовательности импульсов выходного напряжения постоянна, но при этом импульсы смещаются относительно нулевого уровня. В установившемся режиме площади под графиком S + положительной и S - отрицательной областей последовательности импульсов окажутся равными друг другу: S + = S -.
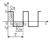
Доказать этот факт можно, рассмотрев диаграмму тока, протекающего через резистор (рис.2.8). Очевидно, что i 1 t 1 - это заряд Qи, переносимый через емкость за время действия импульса на входе, а i 2(t 2- t 1) – заряд Qп, переносимый через емкость за время паузы между импульсами, т.е. в обратном направлении. Тогда общий заряд, переносимый через емкость за время, равное периоду импульса будет равен:
.
Поскольку постоянная составляющая через емкость не проходит
, следовательно,
или
. Поскольку
, а сопротивление – величина постоянная, то значит и равны S + и S - на диаграмме Uвых. Таким образом, для разделительной цепи необходимо выполнение условия:
.

Рис. 2.8. Диаграмма тока, протекающего через резистор разделительной RC-цепи.
Поскольку
, а
, то

Продифференцируем обе части полученного уравнения. Получим

Так как
, то
.
Рассмотрим случай
. Поскольку
, то можно записать
. Тогда
.
Из полученной формулы следует название такой цепи – дифференцирующая. Для дифференцирующей цепи должно выполняться условие
, т.е. конденсатор должен успевать быстро перезаряжаться при данном tи. Диаграммы входного и выходного напряжений дифференцирующей цепи для последовательности импульсов представлены на рис. 2.9.

Рис. 2.9. Диаграммы входного и выходного напряжений дифференцирующей RC-цепи.






