Данный метод целесообразен в следующих случаях:
- для расчета неразветвленных электрических цепей;
- если известна величина части токов, но неизвестны величины такого же количества источников или элементов цепи;
- для определения падения напряжения между какими-либо двумя точками электрической цепи;
- для проверки правильности расчетов, проведенных любым другим методом.
Проверка может быть также осуществлена путем составления уравнения баланса мощности.
Задавшись положительными направлениями искомых величин, составляют уравнения сначала по первому закону Кирхгофа, максимальное число которых должно быть на единицу меньше числа узлов схемы. Недостающие уравнения следует составить по второму закону Кирхгофа.
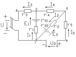
В качестве примера составим систему уравнений для определения токов в
Рис 1.17 электрической цепи, схема которой изображена на рисунке 1.17 с известными сопротивлениями и величинами и направлениями источников э.д.с. и напряжений. Поскольку данная цепь имеет пять ветвей с неизвестными токами, необходимо составить пять уравнений. Выбрав положительные направления токов в ветвях, для узлов «а» и «б» составим уравнения по первому закону Кирхгофа, а для контуров «агда», «абга» и «бвгб» при обходе последних по часовой стрелке - уравнения по второму закону Кирхгофа.











