При трансформации симметричных составляющих следует учитывать группу соединения трансформатора. Рассмотрим трансформацию симметричных составляющих на примере 0 (12) и 11 групп соединения.
У трансформаторов с чётной группой соединения схемы соединения первичной и вторичной обмоток одинаковы – Y/Y либо ∆/∆.
Трансформаторы с одиннадцатой группой соединения (как и все нечётные) отличаются от трансформаторов с чётной группой тем, что обмотки соединяются не одинаково (Y/∆).

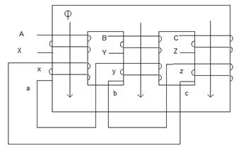
Рис. 10.13. Соединение обмоток трансформатора
Нулевая или двенадцатая группа соединения – при преобразовании симметричных составляющих не приводит к повороту векторов отдельных последовательностей (рис.10.14а, 10.15а).
При преобразовании трансформатором с 11-й группой соединения Y/∆-11 векторы составляющих прямой последовательности на векторной диаграмме смещаются на 30° против часовой стрелки (рис. 10.14б), а векторы составляющих обратной последовательности смещаются на 30° по часовой стрелке (рис. 10.15б).
|
|
|

а) б)
Рис. 10.14. Симметричные составляющие прямой последовательности

а) б)
Рис. 10.15. Симметричные составляющие обратной последовательности
Для других групп соединения получены формулы, при помощи которых рассчитывают угол, на который сместятся векторы составляющих.
Для прямой последовательности этот угол определяется по формуле:
360 + 30∙N (10.48)
Для обратной последовательности используется формула с противоположным знаком:
360 − 30∙N (10.49)
где N – номер группы соединения трансформатора