Установленные в предыдущих параграфах соотношения между симметричными составляющими напряжений в месте короткого замыкания позволяют для каждого вида несимметричного КЗ соединить схемы отдельных последовательностей и образовать комплексную схему замещения для соответствующего вида КЗ.
Такие схемы приведены на рисунке 10.9



а) б) в)
Рис. 10.9. Комплексные схемы замещения
а – для однофазного КЗ на землю; б – для двухфазного КЗ;
в – для двухфазного КЗ на землю
Применение комплексных схем замещения удобно при физическом и математическом моделировании. Они позволяют моделирование КЗ любого вида и в любой точке расчетной схемы. При этом могут быть определены симметричные составляющие токов в любой ветви схемы и симметричные составляющие напряжений в любом узле. По полученным значениям симметричных составляющих могут быть синтезированы полные величины токов и напряжений.
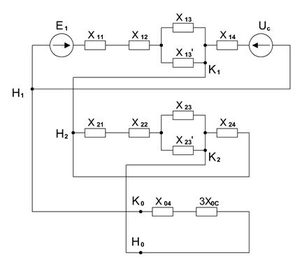
Пример составления комплексной схемы замещения при однофазном КЗ для схемы рисунка 10.10 приведен на рисунке 10.11.


Рис. 10.10. Схема электропередачи

Рис. 10.11. Комплексная схема замещения при 